1.差分放大电路通常采用恒流源。有人会问,采用恒流源以后,电流被恒定在某一数值,电路还能放大信号吗?
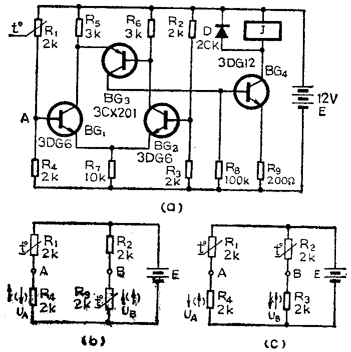
2.小王和小李利用图(a)电路作温度控制实验。图中R\(_{1}\)、R2、R\(_{3}\)、R4组成测温电桥,R\(_{1}\)为负温度系数的热敏电阻。为了提高电路的控制灵敏度,小李主张将R2换成与R\(_{1}\)相同的热敏电阻,小王则认为应将R3换成与R\(_{1}\)相同的热敏电阻。你认为他们俩谁的办法好,为什么?

想想看答案
1.具有恒流源的差动放大器如图所示。图中下面的三极管为恒流管,它的c、e之间交流电阻的数值r\(_{ce}\)=ΔUce/ΔIc很大,这就相当于在两只差放管的发射极接了一只很大的电阻。
在共模信号输入的(例如温度变化)情况下,两管的电流将同时增大或减小。但因接入了恒流源,总电流被恒定在I\(_{C3}\),这样就限制了IC1和I\(_{C2}\)的变化。相当于有一只很大的电阻在发射极起着电流负反馈的作用。
当有差模信号输入时,极性如图所示。由于R\(_{1}\)和R2的分压作用,使得差放左面三极管的输入电压为12V\(_{id}\),右面三极管输入电压为-1;2Uid,这样I\(_{c1}\)会增加,Ic2会减小。虽然总电流被恒定在I\(_{c3}\),但Ic1和I\(_{c2}\)仍能随输入电压变化。也就是说,接入恒流源以后,对差模信号没有负反馈作用。这就是差动放大器能够放大差模信号的关键所在。

2.小王的办法可行。因为将R\(_{3}\)换成与R1相同的热敏电阻以后,从图(b)可以看出,当温度升高时,R\(_{1}\)、R3的阻值及其上面的压降将同时减小,由于R\(_{1}\)、R3所在桥臂位置的不同,会使A点的电位升高,B点的电位下降,且升高与下降的数值相等。这可由下面的定量分析进一步说明。
设在某一温度下电桥处于平衡状态。此时则有U\(_{A}\)=UB=E/2,放大器的差模输入电压U\(_{id}\)=UA-U\(_{B}\)=0。当温度升高以后,UA变为U\(_{A}\)′,UB变为U\(_{B}\)′,

由于R\(_{2}\)=R4=2kΩ,R\(_{1}\)′与R3′相同,比较(1)式和(2)式,可得ΔU\(_{A}\)=-ΔUB。这说明,U\(_{A}\)与UB的变化量相同,但方向相反。此时差放的差模输入电压U′\(_{id}\)=U′A-U\(_{B}\)′=ΔUA-ΔU\(_{B}\)=2ΔUA。
由于只有R\(_{1}\)为热敏电阻时,ΔUB=0,其差模输入电压U\(_{id}\)=ΔUA-ΔU\(_{B}\)=ΔUA,故可知将R\(_{3}\)换成与R1相同的热敏电阻之后,在温度升高的情况下,差模输入电压比原来增大了一倍。但因BG\(_{3}\)接于差分放大器的输出端,它的导通或截止所需要的差放输出电压的变化量是一定的(设计值),也就是说它所要求的差模输入电压是一定的。所以在差模输入电压增大的情况下,要使BG3导通或截止所需要的温度变化量减小了,因而温控灵敏度提高了。例如,在只有R\(_{1}\)为热敏电阻时,当温度变化一定数值时,使差模输入电压Uid为ΔU\(_{A}\)。当把R3换成与R\(_{1}\)相同的热敏电阻以后,只要温度变化上述数值的一半,就可使差模输入电压Uid为ΔU\(_{A}\)。即相当于温控灵敏度提高一倍。
小李的办法是将R\(_{2}\)换成与R1相同的热敏电阻,此时测温电桥如图(c)所示。无论温度怎样变化(在热敏电阻允许的范围内),R\(_{1}\)、R2的阻值总是相等,A点电位和B点电位将同时升高或降低,差放电路的差模输入电压U\(_{id}\)=UA-U\(_{B}\)=0,差放输出电压始终为零。这将不能使BG3的状态发生变化,继电器J也不动作。(苏长赞)