LA4440是日本三洋公司专为汽车立体声音响设备设计的大功率薄膜集成电路。许多进口汽车中的放音机使用这种功放集成电路。LA4440输出功率大,保护功能多,而且电源电压使用范围宽。电源电压V\(_{cc}\)=13.2V时输出功率为2×6W(4Ω负载),当Vcc=18V时输出功率为2×12W(4Ω负载)。此外它的外围元件极为简单,内部备有两种静噪功能电路。LA4440可以带低阻负载,作双声道放大时可带2Ω负载。由于集成块铜质底板与内部硅片完全绝缘,因此可以安装在整机的任何便于散热的地方。
图1是LA4440的外形图,图2是内部结构方框图。从图2中可见LA4440内部两个声道的功放输出级与前置级的地线是彼此独立的。14脚是声道Ⅰ的功放级接地端,8脚是声道Ⅱ的功放级接地端,3脚是前置级接地端。使用中如果需要停用某个声道,只需把14或8脚悬空即可。

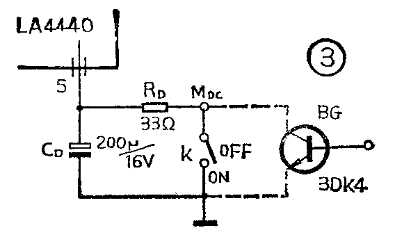
LA4440有两种静噪功能,一种是在5脚的滤波电容(C\(_{D}\))正端接出一只33Ω电阻(RD),如图3所示再接上一个单刀双掷开关K。当K断开时5脚电压接近电源电压V\(_{cc}\),集成电路正常工作,此时其静态电流约100mA。如果遇到广播节目中有短暂的广告。或是遇到磁带中某段节目不喜欢听,或是想临时关一下机,只要将K接通,5脚变为低电位,LA4440立即停止输出音频信号,实现“静噪”功能。有的收音头集成电路具有“静噪”输出功能,只要在其静噪输出端与图3的BG管基极之间串入一只1kΩ左右的电阻,则收音机调谐时,在没有电台的地方,收音头静噪输出端输出一个高电位,导致BG管饱和,使MDc变为低电平(小于1V),扬声器无任何噪声输出。当收音机调谐到电台时,收音集成电路的静噪输出端为低电位,BG管截止,M\(_{Dc}\)点为高电位,LA4440会正常输出音频功率。

LA4440的第二种静噪功能叫做“声频静噪”。大家知道录音机在手动选曲是在放音键按下的状态下按动快进(或快退)键,由于磁带紧贴磁头缝隙快速运动,扬声器会发出刺耳的叫声。为了降低这种噪声只好将音量关小些,待找到所需节目时再将音量开大,很是麻烦。LA4440能够解决这个问题。因为LA4440的4脚如果接上高电位(7V~V\(_{CC}\)),则其增益降低50%以上,仅能输出较小的音频功率。这样手动选曲时将不刺耳。具体接法可参考图4。自制一个弹簧开关(K)与录音机械芯联动,当按下快进或快退键时使K′接通,MAc点电位升高,从而LA4440的4脚电位升高,造成LA4440的增益降低。不少高档收录机备有这个降噪开关,用户应正确使用。

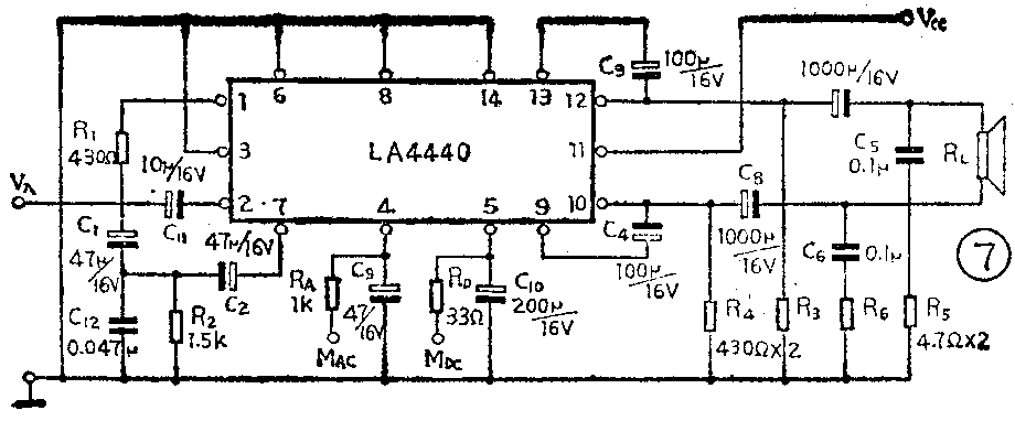
图5是LA4440的一种典型应用电路,这是一个最大不失真功率为2×6W的双声道放大器。由于反馈电阻在片子内部,两声道的增益几乎没有差别,都是51.5dB。分离度为55dB。C\(_{3}\)、C4为反馈电容,C\(_{7}\)、C8为自举电容。C\(_{11}\)、C12、R\(_{3}\)、R4组成低音频补偿网络。负载R\(_{L}\)为4Ω扬声器。如果RL为2Ω,输出功率可达2×12W。图6为这种电路的印制板图。


图7是将LA4440接成BTL状态的电路。虽然接成BTL形式,仍旧设置C\(_{8}\)、C9这并非10、12脚之间有压差(实际上10、12脚电压均为\(\frac{1}{2}\)V\(_{cc}\),误差仅1~2毫伏。)而是个别片子不加C8、C\(_{9}\)容易出现自激。该电路电源电压VCC为13.2V,可向4Ω负载提供20W不失真功率。但应注意该电路不宜使用2Ω负载。图8是其印板图。


安装时可参考图9,将集成电路引出脚折弯90°,使其平贴在散热片上,然后用螺钉将集成电路、散热片、印制板三者固定在一起。

图10是一种带音调控制的20WBTL扩音板,它的前置级和音调控制级采用了超β、超线性、低噪声硅NPN小功率三极管9014。BG\(_{3}\)、D、C15等元件共同组成稳压和有源滤波器。使前级工作稳定,交流声指标大为改善。与其他20W扩音板相比本电路有如下特点:(1)电路无需调整,一致性好,适合成批生产。(2)对电源要求低,只须全波或桥式整流再经2200μ电容滤波电路即可正常工作。(3)具有两种静噪端口,可方便地实现静噪功能。

这种扩音机的印板图见图11,采用22线插座便于布线,散热器最好弯向前置级部分并良好接地(见图12),这样散热片又可充当前置级的屏蔽,一举两得。LA4440的推荐工作电压V\(_{CC}\)=13.2V,但从图13输出特性曲线可以看出,提高工作电压可大幅度增加输出功率。笔者曾做过破坏性实验:采用简单整流电源,有信号时测量VCC为18V集成电路安全地工作,BTL情况不失真功率可达到26W。但是当输入信号一消失,V\(_{CC}\)立即上升至20多伏,而LA4440的VCC为25V的时间最多不能超过30秒,因此集成电路被击穿都是发生在静态。针对以上情况向读者推荐一种高性能稳压电路(图14),其输出电流为1.5A电源电压在9~20V内可调。D\(_{5}\)为恒流二极管2DH30(稳定电流3mA),也可用3DJ类场效应管代替,只要将G、S极短接做负极接到C9(即BG\(_{1}\)的集电极)上,D极做为正极接到BG3的集电极上即可代用。BG\(_{3}\)最好使用塑封电视机电源调整管2SD313,也可使用国产大功率NPN硅管3DD15。散热器尺寸视实际工作时发热情况而定。图15是印板图,使用稳压电源就可以使LA4440在16~18V这种接近极限状态下安全工作了。





使用LA4440有以下几个情况应该注意:(1)LA4440内部虽然有管脚短路保护、过压保护电路、热断保护电路,安装时仍应注意不要把集成电路装反,如果1脚和14脚对调安装仍会损坏集成电路。(2)当电源电压V\(_{CC}\)为16~18V时,LA4440的散热片应比VCC为13.2V时增大2~3倍,并使集成电路与散热器紧密接触。如集成电路长时间连续工作,最好保证其外壳温度不大于75℃。(3)电源变压器必须能够提供足够的输出功率,也就是说次级能提供足够大的电流,否则电路不能达到额定指标。(赵九泷)