大家知道,自然界中任何一种机械振动都会发出不同的声音,这些声音之中既有优美动听的音乐,又有令人生厌的噪音。但无论是哪一种音响,从本质上讲都是由两部分组成:一是振动频率(基波频率);另一个是这一音响的包络形状。前者决定了音调的高低,频率越高,声调也就越高;后者决定声音的音色。比如,钢琴的包络形状是趋近于对数衰减形状,而单簧管的包络形状是趋近于方波形状,见图1。所以,这两种乐器在演奏同一个音符(如中央C,频率为261.6Hz)时,就会发出不同的声音。由此可见,只要我们能够人为地产生这二个基本要素,就能产生不同的音响。在以前人们大都采用模拟量的叠加来实现(根据付里叶变换)。而数字音响则是用数字量取代了传统的模拟量来实现的。这不仅保留了模拟量原来的优点,而且有处理速度快、计算准确等模拟量所不及的优点。从当前发展看,数字音响大有取代模拟音响的趋势。

现在用8位CPU专门用来处理音响是可以实现的,但这不仅需要自己设计外围电路,用起来也比较死板,尤其在单一CPU处理音响的同时,还要处理其它事情。换句话说,CPU在处理数据时只有能用限的时间来处理音响,从时间上讲这样是难以实现的。为了解决这个问题,出现了一些与CPU兼容的、只需CPU瞬时干涉、控制的专门处理音响的特殊芯片,PSG就是其中之一。
PSG概述
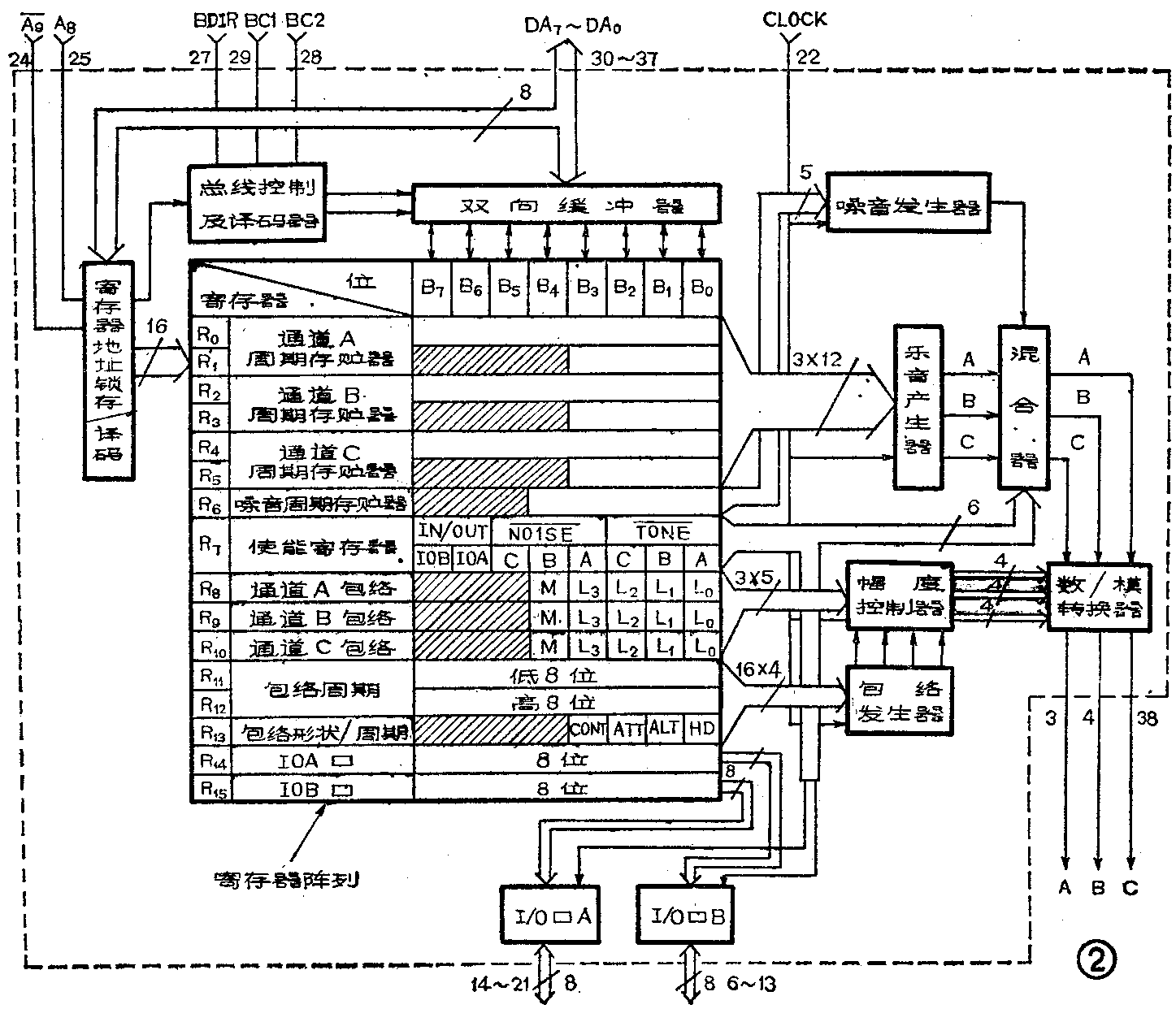
PSG是Programmable Sound Generator的缩写,即“可编程音响发生器”。它是一种可由软件控制产生多种音响的大规模集成电路。它的出现大大减轻了CPU在处理音响上的负担。CPU在处理其它事情的同时只需对PSG发出一个初始命令,便可以产生多种用户所希望的音响。由于PSG有使用方便、产生音频范围宽的优点,所以它被广泛用于音响合成器、电子游戏机及高档电子乐器中。常见的PSG电路型号有Ay-3-8910PSG和Ay-3-8912PSG两种。PSG的结构如图2所示。

PSG的基本功能
PSG的基本功能如下:(1)完全由软件来控制音响的产生。(2)可以和绝大多数的8位及16位微处理机相联。(3)有三个相互独立的模似输出。(4)有二个8位的通用I/O口(AY-3-8910)。(5)有一个8位的通用I/O口(AY-3-8912)。(6)使用单一+5V电源,主时钟1.5~2MHz。
PSG可以分为4个功能块:(1)总线控制及译码器,它用于确定PSG的总线状态——高阻、输入、输出,以及PSG的工作状态——锁存寄存器地址、读数据、写数据。(2)寄存器阵列块,它是由16个可编程的寄存器组成,是产生音响的最基本、最重要的部分,也是用户编程必须使用的部分,它向用户提供了用来控制音高、包络形状以及白噪声的寄存器。正是向这些寄存器写入不同的数据从而产生不同的音响。这些寄存器的用法下面还要详细介绍。(3)声音产生块。此块基本由六部分组成。①乐音产生器——它可以产生对应于三个通道的三个独立的乐音基波,基波的频率由装入寄存器的周期数决定(基波的计算方法见后)。②噪声产生器——它能产生一系列可调的伪随机方波来模拟白噪声,用户输入的噪声周期数用于控制伪随机方波的周期。③混合器——它的作用是把三个通道的乐音和噪声混合在一起后再送入数/模转换器。④幅度控制器——它经过CPU的数据总线,并通过三个通道的包络寄存器向三个通道的数/模转换器输入来自CPU的一个固定的或是变化的数据,用以控制三个通道输出的包络形状。(待续)(康跃伟)