(杨百一 沈征)1.(1)电容器,(2)电解电容器,(3)晶体二极管,(4)发光二极管,(5)带铁氧体芯线圈,(6)可变电容器,(7)微调电容器,(8)直流电源或电池。
2.(a)管是检波-二极管,(b)管是整流-二极管,(c)管是稳压-二极管。
3.(a)微调电阻,(b)热敏电阻,(c)电位器,(d)带开关的电位器。
4.比伏特更大的单位有千伏-(kV),比伏特更小的单位有毫伏-(mV)和微伏-(μV)。
5. 比安培更小的单位有毫安-(mA)和微安-(μA)。
6.比欧姆更大的单位,常用的有千欧-(kΩ)和兆欧-(MΩ)。
7.10伏-。
8.总电阻是4.5-欧姆。
9. 当电源电压E不变时,R愈大,则流过R的电流愈小-。当电阻R不变时,E越大则流过R的电流愈大-。
10. 测量电压时,应使用电压-表,并将电表与R并-联相接。测量电流时,应使用电流-表,并将电表与R串-联相接。
11.图5(a)图中AB两端的容量是10μF-,耐压是60V-。图5(b)图中AB两端的容量是2μF-,耐压是450V-。
12.正向电阻越小-越好;反向电阻越大-越好;测得正、反向电阻相差越大越好。
13.锗二极管的起始导通电压约为0.2-伏,硅二极管的起始导通电压约为0.6-伏。
14.使用稳压二极管时,它的正极应接低-电位。稳压二极管的负极应接高-电位。
15.①、②两端的电压为15.6-伏。
16.箭头向外的是NPN-型管,箭头向里的是PNP-型管。
17. 3AX31B是PNP-型锗-材料低-频小-功率三极管。
18.变大-。
19.甲为三极管基极,乙为发射极-,丙为集电极-。此管是锗材料PNP型的三极管。
20. 图7是分压式电流负反馈的-偏置电路。R\(_{1}\)叫上偏置电阻-。当R1减小时,晶体管集电极电流增大-。这只串联电阻R叫保护-电阻。
21.最小容量是7pF-,最大容量是270pF-。
22.可以转动的一组极片叫动片-,另一组叫定片-。
23.电容耐压值最小应在308-伏以上。
24.(1)红黑棕金200Ω±5%-,(2)蓝灰红银6.8K±10%-,(3)橙白黄390K±20%-,(4)绿棕金银5.1Ω±10%-。
25.中波天线线圈应使用多股纱包线-。因为这种线的Q\(_{值}\)高。短波天线线圈应使用单股导线间绕。
26.中波磁棒是用锰锌铁氧体-材料制成的,一般呈棕黑色;短波磁棒是用镍锌铁氧体-材料制成的,一般呈棕、灰-色。使用时两种磁棒不能-互相代换。
27.图8(a)-情况下耳机中有较大的声音。
28.接在集电极回路应选用高阻耳塞机;接在输出变压器次级回路应选用低-阻耳塞机。
29.电压表指针摆动一下,最后停在0伏。
30.525千赫-到1605千赫-。
31.变小-。
32.不变-。
33.大-。
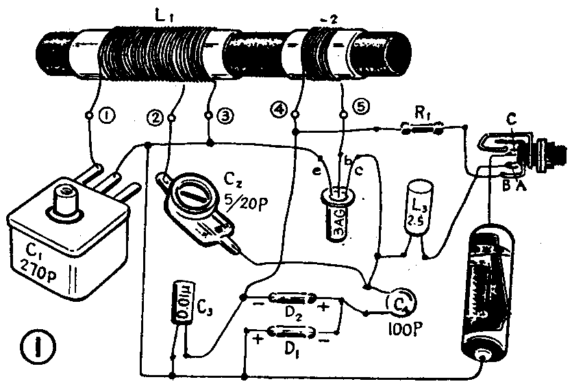
34.见图1。

35.见图2。
