铝电解电容器是常见的一种无线电元件。它的外形如图1所示,其中(a)、(b)、(c)三种电解电容多用于电子管收音机及扩音机中,(d)、(e)、(f)三种常用于晶体管收音机及使用印刷电路板的设备中。电解电容器的符号如图2所示,其中空心的电极代表正极。


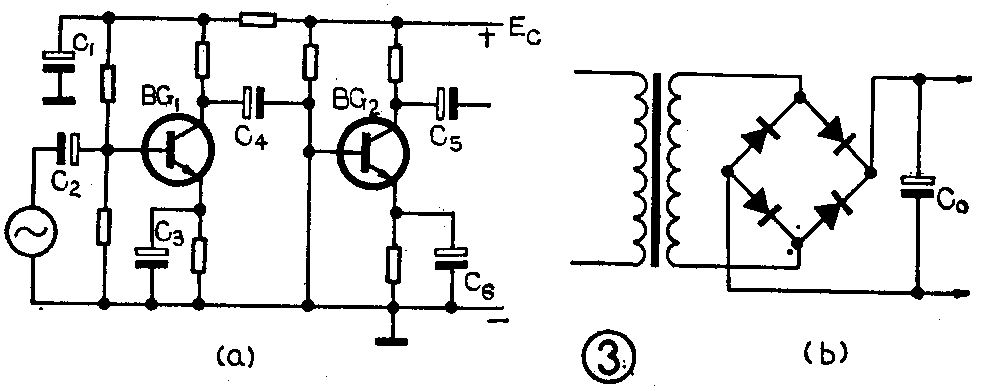
铝电解电容器的特点是电容量大,耐压高(可达450伏左右),价格低,所以得到广泛的应用。在电路中,它可作级间耦合用,如图3a中的C\(_{4}\),它将BG1集电极输出的音频信号传输到BG\(_{2}\)的基极,同时起到隔直流的作用,使BG1集电极直流电压对BG\(_{2}\)基极电压不产生影响。图3a中的C2、C\(_{5}\)也是耦合电容。电解电容的另一个作用是旁路,图3a中的C3、C\(_{6}\)是发射极旁路电容。它使发射极的音频信号通过电容接地,旁路也就是给信号提供了另外一条道路的意思。由于发射极的音频信号被旁路,因而消除了对信号的负反馈,提高了放大量。图3a中的C1是电源旁路电容,也称去耦电容。图3b中的电容C\(_{0}\)是起滤波作用的。

构造
如果我们拆去电解电容器的铝制外壳,就可以看到它的内部构造,如图4所示。一层表面经过腐蚀的铝箔作为正极材料,在它上面铆有引出线,作为正极引线。正极表面的氧化膜就是介质。浸渍了糊状电解质的纸作为负极材料,通过铆有负极引线的另外一层铝箔引出。氧化膜具有单向导电特性,所以电解电容器是有极性的。只有在电容正极接正电压,负极接负电压时,介质才起绝缘作用。如果极性接反,介质将导电,这时电容器的漏电变大,电容将发热,很快就损坏了。

电解电容器实物上的正负极性的标注如图1所示。图1(a)所示的电容,极性标注在焊片的下方或标在焊片铆钉上,也有将正极铆钉涂上红色的。图1(b)、图1(c)所示的电容,焊片是正极,铝外壳是负极,一般不标注极性的符号。图1(d)所示的电容,正极引线一侧标有“+”号。图1(e)所示的电容,负极引线一侧标有“-”。同时,可从这两种电容的引线来区分正负极,引线长的是正极,短的是负极。图1(f)所示的电容,正极一端标有“+”号,引线与外壳连通的是负极。
近年来无极性的电解电容器已经开始使用。这种电容是由两个电解电容器负极相连构成的,如图5所示。这种电容外形与一般电解电容相同,外壳标有“无极性”字样,而且没有正负极标志,使用时也不用考虑极性。

电解电容器的缺点是漏电较大,使用寿命短些,不能用在交流电路中(无极性的电解电容器除外)。
选用
选用电解电容器时,主要考虑它的容量和耐压,同时也要考虑电容的体积和引线形式。下面就收音机、扩音机等常见音频放大电路讲一点选取原则。音频放大电路中级间耦合电容,一般在4.7~22微法之间。耐压按前、后级间的电位差来考虑。例如前一级集电极电压为7伏,后级基极电压为1.5伏,则两级间电位差为5.5伏,可选耐压6.3伏的电容。发射极旁路电容一般在47~220微法之间,由于发射极电压一般较低,所以发射极电容耐压一般为6.3伏。电源去耦电容,一般在100微法~470微法之间。给收音机供电的稳压电源的滤波电容用220微法~1000微法较多。小型扩音机的整流滤波电容常在2200微法左右。
使用电解电容时,对图1(a)、(b)、(C)三种电容要用金属卡圈固定在底板上,图1(d)、(e)、(f)三种电容,可以直接焊装在印刷电路板上。焊接时,注意极性不要焊反。电容引线应避免多次在根部弯折,以免折断。
利用万用表电阻档,可以初步判断电解电容器的好坏,也可近似确定电容量的大小。测量时,电容量不同,使用的电阻档也应不同。对20KΩ/V的万用表,可按如下参考数据选档:22微法以下,用R×1K档;22~470微法,用R×100档;470~3300微法,用R×10档;3300微法以上,用R×l档。万用表内阻不同,测量时使用档次也应不同,可由试验决定。
判断电容好坏时,先用黑色表笔接触电容正极,红色表笔接触电容负极,表笔接触后,表针会有一定的偏转,然后逐渐退回到接近起始位置,如图6所示。表针偏转是由于电表内的电池给电容充电的结果,表针返回表明充电过程已结束。将电容两极短路一下,调换电容极性(即黑表笔接电容负极,红表笔接电容正极),重复上述步骤,表针偏转情况应与上次基本相同,这就说明电容基本上没有什么问题。如果第一次测量后,不将电容两极短路,马上对调极性测量,则表针偏转将较前一次大一倍左右,并且也逐渐返回。这是由于已充电的电容通过电表放电,又反向充电的结果。在测试时,如果表针偏转后,不退回,或退回不多就停住了,说明电容已击穿或严重漏电,如图7所示。这种电容就不能使用了。如果表外偏转太小,可加大电阻档的量程,例如,用R×100档时偏转很小,可以改用R×1K档测量。

判断电容量大小时,可先测一个已知容量的电容,记住表针偏转位置,然后再测待测电容,并与前者比较,因偏转角与电容量大致成正比,所以可由此估算电容量。例如,100微法的电容,表针偏转到满度的1/3,待测电容使表针偏转到满度的2/3,则待测电容约等于200微法。
用万用表电阻档测量电解电容时,电容充电过程结束之后,表针所指的电阻数值称为电容的漏电阻。当红表笔接电容负极,黑表笔接电容正极时,测得的是电容的正向漏电阻,对调电容极性,测得的是反向漏电阻。电解电容的正向漏电阻一般应小于100千欧,反向漏电阻只有几十千欧。漏电阻与电容量、耐压有关。容量大漏电阻数值小;耐压高,漏电阻数值大。测量漏电阻时应使用R×1K档或R×100档。长期不用的电解电容器,漏电阻一般较小,只要给电容两端加上等于耐压一半的电压,经过1~2小时以后,漏电阻数值可以恢复正常。
对耐压在50伏以下的电解电容器,如果极性标志不清楚,可以通过测量正、反向漏电阻来判断极性。先用表笔任意接触两极,测一次漏电阻,再对调极性测一次漏电阻。两次测量中,漏电阻大的一次红表笔指的是电容负极,黑表笔指的是电容正极。(吴志功)