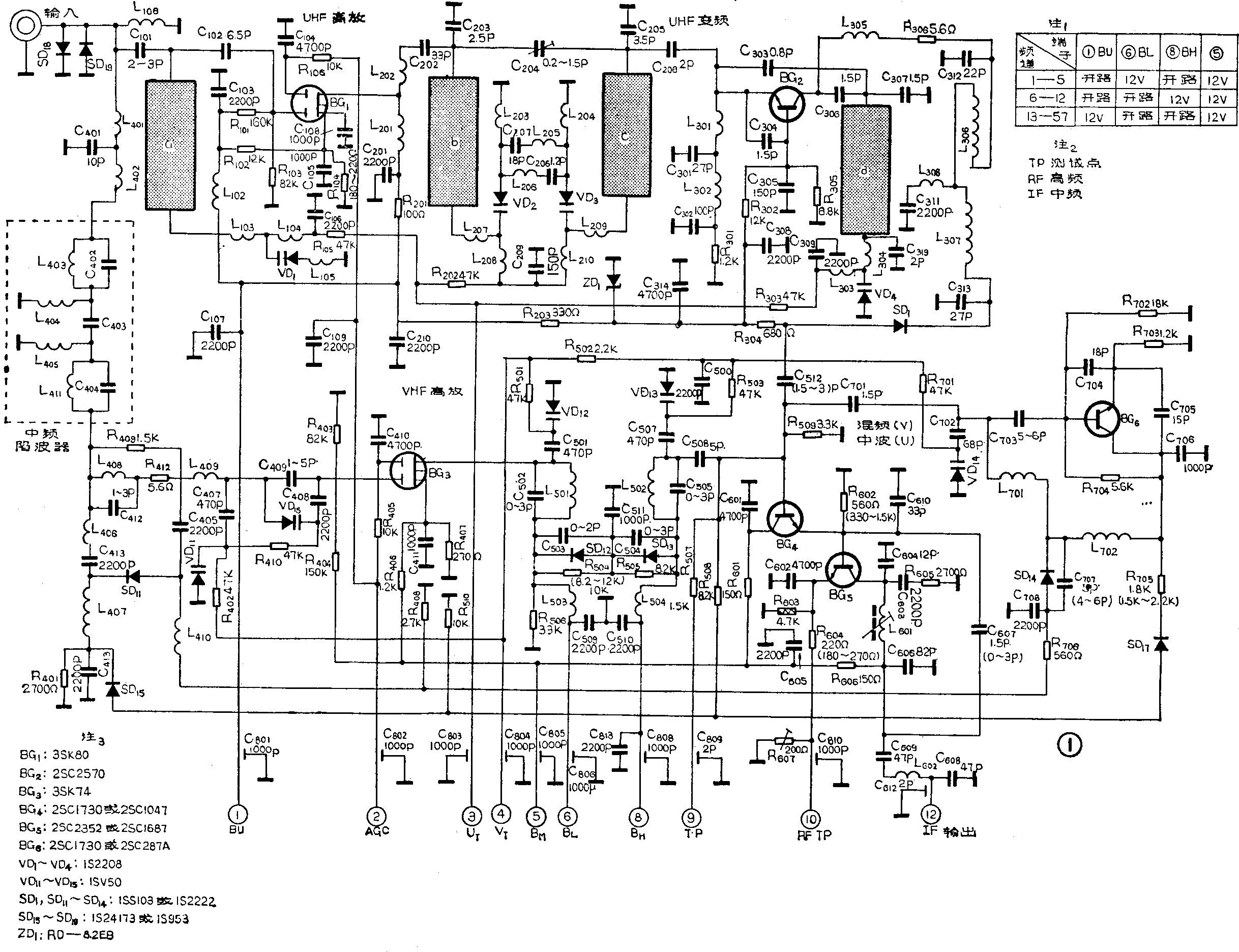
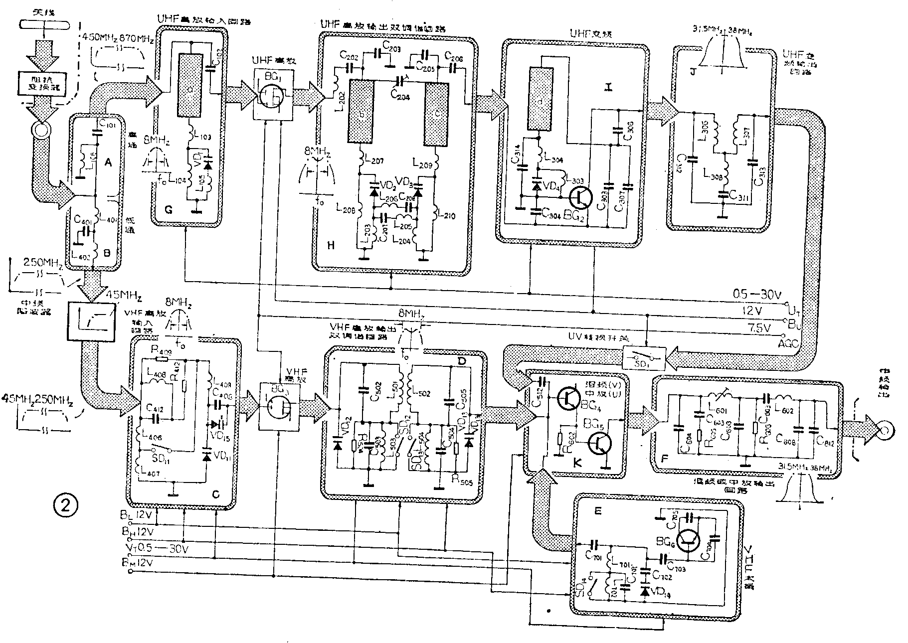
电视机调谐器的作用是从天线收到的信号中选出需要的电视信号,并对信号进行放大和转换成中频信号。目前我国生产的集成电路彩色电视机中,调谐器都是采用VHF/UHF一体化全频道电子调谐器,也称全频道电调谐高频头。它与一般黑白电视机用的机械式调谐器根本不同,不是机械调谐而是通过调节变容二极管和开关二极管两端电压来实现电视频道转换和频率微调的。下边通过具体电路的分析来说明电子调谐器的工作原理,图1是金星牌C37—401彩色电视机用的电子调谐器的全电路图。为了初学者学习的方便,舍去直流供电电路及其它辅助电路,把信号流通图画出来,如图2所示。以下对电路在VHF频段和UHF频段的工作原理分别加以介绍,供读者参考。


VHF频段
1.电路组成及原理:天线接收到的电视信号通过阻抗匹配器以后,送到电子调谐器中,阻抗匹配器是用来匹配天线输出阻抗和调谐器输入阻抗的。电子调谐器电路分UHF频段和VHF频段二个部分。信号进入调谐器后,首先通过450MHz高通滤波器(图2方框A所示)到UHF部分;同时也通过250MHz低通滤波器(图2方框B所示)到VHF部分。从低通滤波器输出的信号再通过中频陷波器后送到VHF输入回路(图2方框C所示)。中频陷波器的作用是抑制中频干扰信号,只允许45MHz以上的信号通过,从而减少干扰和本振泄漏,它的通带宽度为45~250MHz,如图3(a)所示。

VHF部分高放单调谐输入回路(图2方框C)和高放输出双调谐回路(图2方框D),一起提供了选择性好、频带宽的VHF综合带通特性,如图3(b)所示。高频放大器采用双栅场效应晶体管,同黑白电视机所用高频三极管相比,具有增益高、噪声低和工作线性范围大等特点。所以双栅场效应管组成的高频放大器,抗交叉调制(由放大器非线性引起)特性好,自动增益控制(AGC)性能优越(双栅场效应管的AGC是专用一个栅控制的,而且是反向AGC),具有有限噪声灵敏度高的特点。
通过VHF输入回路、高放和输出回路的选频和放大了的电视信号送到混频级(图2方框K),同本机振荡器(图2方框E)通过C\(_{7}\)01送来的等幅振荡信号混频后,变成中频信号经混频器输出回路,由中频输出端子(见图1)输出送到电视机中频放大器。混频器输出回路的带宽为6.4MHz(31.5~38MHz),它的通带特性如图2方框F右下角曲线所示。
本振的振荡频率随接收频道的变化而变化,总是比图象载频高38MHz,比伴音载频高31.5MHz。本振由三极管BG\(_{6}\)和接在它c、e之间的电容C705、接在e、b之间电容C\(_{7}\)04以及接在c、b之间等效电感组成电容三点式振荡器,等效电感由C703、C\(_{7}\)02、C707、L\(_{7}\)01、L702和变容二极管VD\(_{14}\)组成。混频器由三极BG4、BG\(_{5}\)和它们的外围元件组成,BG4是一个射极跟随器起隔离作用,BG\(_{5}\)在VHF频段工作在非线性状态完成混频作用;在UHF频段是一个中频放大器。调节R607(见图1)可以改变BG\(_{5}\)的工作点,使它工作在最佳状态。这种混频器的隔离性能比单管混频器好。
2.VL频段和VH频段的切换:因为变容二极管的电容变化范围在VHF频段中不能满足频率覆盖的需要,所以电子调谐器又把VHF频段分成VL和VH频段。这两个频段的切换是依靠改变三个调谐回路(高放输入和输出回路,本振谐振回路)的电感来实现的,而且要求三个同时切换。高放输入回路是一个单调谐回路,在VL频段时,把频道预选器中频段选择开关K(图4)打到BL,从图1看出二极管SD\(_{11}\)加不上+12V电压而截止,相当于图2方框C中用开关表示的SD11管断开。这时电路是一个串并联谐振回路,其中R\(_{4}\)09和R412是调整回路Q值的,C\(_{412}\)和C409是用来调整回路的谐振频率的,其数值在调机时确定。在VH频段时,把频段开关K打到BH,此时+12V电压加到SD\(_{11}\)的正极,相当于图2方框C中用开关表示的SD11管接通,把L\(_{4}\)06、L408、C\(_{412}\)、R412、R\(_{4}\)09和C413全部短路,显然回路电感减小而使谐振频率升高。VL和VH频段都是靠调节调谐电压VT的高低,使得加在变容二极管VD\(_{11}\)和VD15两端的电压;从而改变它们的电容量,使输入回路调谐在所要接收的频道的中心频率上。

高放输出回路是一个双调谐回路,在VL频段时,把频段选择开关K打到BL,开关二极管SD\(_{12}\)和SD13因加不上+12V电压而截止(图1),相当于图2方框D中用开关表示的SD\(_{12}\)和SD13打开。这样初级和次级电路是串并联谐振回路,通过电感L\(_{5}\)01和L502的耦合,构成电感耦合式双调谐回路。其中R\(_{5}\)04和R505可以调整初次级回路的Q值,电容C\(_{5}\)02、C503、C\(_{5}\)04和C505可以调整回路的谐振频率。在VL频段时,把频段选择开关K打到BH,开关管SD\(_{12}\)和SD13的正极因加上+12V电压导通,相当于图2方框D中用开关表示的SD\(_{12}\)和SD13合上,此时L\(_{5}\)03、C503\(_{5}\)04以及L504、C\(_{5}\)04和R505分别被短路。初级由C\(_{5}\)02、L501和VD\(_{12}\)构成并联谐振回路,次级由C505、L\(_{5}\)02和VD13构成并联谐振回路。适当调节电感L\(_{5}\)01和L502之间的耦合,可以满足图3(b)要求的双峰特性。同样在VL和VH频段,都是调节调谐电压VT来改变变容二极管DV\(_{12}\)和DV13的电容量,使双调谐回路调谐在所接收频道的中心频率上。
本振回路在VL频段时,把频段选择开关打到BL,SD\(_{14}\)因加不上+12V偏压而截止,相当于图2方框E中用开关表示的SD14打开,则谐振回路由L\(_{7}\)01、L702、C\(_{7}\)02、C703、C\(_{7}\)07和VD14构成。在VH频段时,把选择开关K打到BH,SD\(_{14}\)因加上+12V偏压而导通,相当于用开关表示的SD14合上,L\(_{7}\)02和C707被短路;则谐振回路由L\(_{7}\)01、C702和VD\(_{14}\)组成。在VL和VH频段,都是调节调谐电压VT来改变VD14的电容量而达到本振频率的变化。
UHF频段
从高通滤波器(图2方框A)输出的电视信号送到UHF部分。电视信号经高放输入回路(图2方框G)选频后,送到UHF高放场效管BG\(_{1}\)第一栅极,放大后的电视信号,通过高放输出双调谐回路(图2方框H)再送到变频管BG2发射极。BG\(_{2}\)管完成两个功能,一是组成电容三点式振荡电路产生本振信号;再一个是把高频电视信号和本振信号混频得到中频信号。中频信号经过31.5~38MHz带宽的带通滤波器(图2方框J),再通过开管二极管SD1和电容C\(_{512}\)送到BG4基极,BG\(_{4}\)和BG5在UHF频段组成中频放大器,对中频信号进行预放最后从端子输出到电视机中频放大器。
在UHF频段由于工作频率很高,所以组成调谐回路的电容和电感数值都很小。这样的电容和电感是难于做出来,即使作出来了,不但调谐困难,而且由于数值太小使回路的品质因数Q很低,很难得到要求的选频特性。因此都采用1/4波长短路线进行调谐,图中带有网点的方框a、b、c、d就是1/4波长短路线。短路线是由两根平行的,一端短路的无损耗导线组成,当导线长度等于谐振频率波长的1/4时,可等效一个并联谐振回路,微调导线的长度可以改变回路的谐振频率。在实际应用中,为了解决短路线长度嫌长的问题,一般采用短路线加电容(称为缩短电容)组成1/4 波长短路线的办法。这不仅使短路线长度大为缩短,而且可以通过调节缩短电容的容量来连续调节短路线的等效长度,达到连续调谐谐振频率的目的。UHF频段的变容二极管正是起缩短电容作用的。
UHF频段输入调谐回路由短路线a和变容二极管VD\(_{1}\)等组成(图2方框G),其中加入L103和L\(_{1}\)04为增大频率覆盖比。高放输出双调谐回路的初级回路由短路线b、C203和变容二极管VD\(_{2}\)等组成(图2方框H);次级回路由短路线c、C205和变容二极管VD\(_{3}\)等组成,初次级回路通过短路线b与c之间电磁耦合及电容C204的耦合,使双调谐回路有足够的带宽。变频器电路由BG\(_{2}\)管、振荡调谐回路和中频双调谐回路组成。振荡调谐回路的等效电感由短路线d、C319、L\(_{3}\)03、L304和变容二极管VD\(_{4}\)组成,同管子的极间电容以及其它电容C304、C\(_{3}\)03、C306、C\(_{3}\)07等构成电容三点式振荡器。在UHF频段调节调谐电压UT,同时改变变容二极管VD1、VD\(_{2}\)、VD3和VD\(_{4}\)的电容量,使调谐回路谐振在所要接收频道的中心频率上。
在彩色电视机中,本振频率稳定度比黑白电视机要求高的多,如果本振频率不稳,将产生色饱和度变化、消色、同步不稳以及干扰等不良现象。为了确保本振频率的稳定度,除了严格要求本振电路元件质量外,彩色电视机中还设有自动频率微调(AFC)电路。AFC电路把随本振频率的变化而变化的直流电压反馈到本振调谐回路的变容二极管上,使变容管的电容量作相应的变化,从而校正本振频率的变化。上边介绍的电子调谐器中,AFC电路输出的直流电压在频道预选器中和调谐电压叠加在一起而加到每一个变容二极管上,有更好的频率跟踪效果,从而保证良好的接收。
UHF/VHF频段转换及供电
UHF频段和VHF频段是通过频段转换开关和开关二极管SD\(_{1}\)来进行转换的,如图4所示即要求哪部分工作就供给它电源,否则就停止供电,使它工作中断。图中BU为UHF频段的工作电压端子,BL和BH分别为VHF频段的工作电压端子。转动频段开关K使BU接上+12伏电压时,UHF部分工作且SD1导通,这时UHF部分输出的信号经SD\(_{1}\)和C512送到BG\(_{4}\)管的基极,此时BG4和BG\(_{5}\)组成UHF部分的中频放大器。当BL或BH接上+12伏电压时,BU上电压断开,SD1截止且UHF部分停止工作,则VHF部分开始工作,此时BG\(_{4}\)和BG5管组成VHF部分的混频器。频段转换开关是频道预选器的一个组成部分,以上所需的各种电压都是频道预选器提供的,关于它的电路组成及原理另文介绍,这里不再赘述。
电子调谐器因工作频率很高,放大器增益也高,所以对电源供电的隔离要求非常严格,否则极易产生自激等现象。通常使进出调谐器的所有电流均要经过高频滤波,如图1中C\(_{8}\)01~C808及C\(_{813}\)都是穿心电容进行高频旁路的。同时为了防止调谐器本身通过电源泄漏而使几台电视机之间互相串扰,在图1的电路还设有一些隔离措施,如SD11、SD\(_{14}\)~SD17(1S24173)二极管、电感L\(_{4}\)01、L402、L\(_{41}\)0、L602、L\(_{3}\)05、L106都是起电源隔离作用;电阻R\(_{7}\)05和R706电阻作开关二极管的电源隔离;每个变容二极管都加一个调谐电压的隔离电阻,如R\(_{1}\)05、R202、R\(_{3}\)03、R402、R\(_{41}\)0、R501、R\(_{5}\)03701;电源进线还加了退耦电路,如R\(_{2}\)01和C201、R\(_{2}\)03和C314、R\(_{3}\)04和C313和C\(_{8}\)01~811。
调谐器的输入端加了两个二极管SD\(_{18}\)、SD19(1S24173),是为了防止高电压脉冲干扰进入电子调谐器而击穿高放管,起保护作用的。(朱元芳 刘佳智)