编者按:电子技术入门知识讲座举办至今已有一年了,为了帮助大家复习,现刊登数十道填空题,请大家填一下,答案下期公布(请不要将答案寄来)。
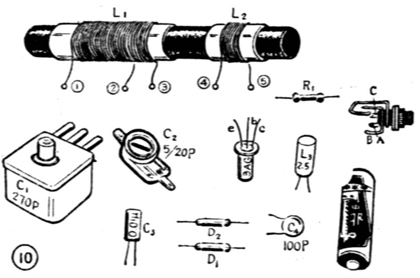
1.图1中绘出了8种元器件的电路符号,它们的名称分别是(1)__,(2)__,(3)__,(4)__,(5)__,(6)__,(7)__,(8)__,


2.图2中(a)、(b)、(c)表示三种晶体二极管。根据它们的电路符号和所标注的型号,可知(a)管是__二极管,(b)管是__二极管,(c)管是__二极管。
3.图3中(a)、(b)、(c)、(d)表示电阻器,写出它们的名称:(a)__,(b)__,(c)__(d)__。

4.电压的基本单位是伏特(V),比伏特更大的单位有__(),比伏特更小的单位有___()和___()。
5.电流的基本单位是安培(A),比安培更小的单位有__()和__()。
6.电阻的基本单位是欧姆(Ω),比欧姆更大的单位常用的有___()和___()。
7.有一只100欧姆的电阻,通过它的电流是100毫安,这只电阻上的电压降为___伏。
8.图4中A、B两端的总电阻是__欧姆。

9.一个电阻R并接在一个直流电源E上。当电源电压E不变时,R愈大,则流过R的电流愈__;当电阻R不变时,E愈大则流过R的电流愈__。
10.测量电阻R两端的电压时,应使用__表,并将电表与R__联相接。测量流过R的电流时,应使用__表,并将电表与R__联相接。
11.图5(a)中AB两端的容量是__,耐压是__。图5(b)中AB两端的容量是__,耐压是__。

12.用万用表的欧姆档(R×1K)测试晶体二极管时,测得正向电阻越__越好;测得反向电阻越__越好;测得正、反向电阻相差越__越好。
13.锗二极管的起始导通电压约为__伏,硅二极管的起始导通电压约为__伏。
14.使用稳压二极管时,它的正极应接__电位,稳压二极管的负极应接__电位。
15.图6中D为2CP10二极管,DW为15伏稳压管,①、②两端的电压为____伏。

16.由晶体三极管的电路符号可知,发射极箭头向外的是___型管,箭头向里的是___型管。
17.根据晶体三极管的命名法可知,3AX31B是___型___材料___频___功率三极管。
18.温度升高时晶体管的穿透电流变___。
19.某工作于放大状态的晶体管,测出三极管的三个管脚对地电压,甲为-6.2V,乙为-6V,丙为-9V,由此可判断甲为三极管___极,乙为___极,丙为___极。此管是___材料,___型的三极管。
20.图7是___的偏置电路。图中R\(_{1}\)叫___电阻。当R1减小时,晶体管集电极电流___。在调R\(_{1}\)时往往用电位器串联一个固定电阻R来代替R,这只串联电阻R叫___电阻。

21. 在单连可变电容器的电路符号旁边标注7/270P,可知此单连的最小容量是___,最大容量是___。
22.单连可变电容器有两组极片,其中可以转动的一组极片叫___;另一组不能转动的极片叫___。
23.一个4微法的无极性电容器,接在220伏交流电路上,该电容器的耐压值最小应在___伏以上。
24.填写下列色标电阻(第一个颜色为第一环,依次类推)的阻值和误差是多少?(1)红黑棕金___,(2)蓝灰红银___(3)橙白黄___ 。(4)绿棕金银___。
25.绕制晶体管收音机磁性天线的线圈时,通常中波天线线圈应使用___线,因为这种线的___值高。短波天线线圈应使用___导线间绕。
26.晶体管收音机磁性天线的磁棒有中波磁棒和短波磁棒之分。中波磁棒是用___材料制成的,一般呈___色;短波磁棒是用___材料制成的,一般呈___色。使用时两种磁棒___互相代换。
27.按图8(a)(b)所示两种情况做实验,当用耳机碰触1、2两点时,其中图8( )情况下耳机中有较大的声音。

28.耳塞机有高阻和低阻两种。它们的内部构造不同。接在来复再生式单管机的集电极回路应选用__阻耳塞机;接在输出变压器次级回路应选用___阻耳塞机。
29.有一变压器初级绕了3000圈,次级绕了30圈,如在次级线圈两端接好电压表(1伏档),然后在初级线圈两端接上3伏电池,电压表指针摆动一下,最后停在___伏。
30.中波收音机的接收频率范围是___到 ___。
31.电容器的容抗(X\(_{C}\)),它随频率的升高而变__。
32.工作频率升高时,线圈的电感量__。
33.电感器在高频电路中的阻力比在直流电路中的阻力___。
35.把图11的印刷电路板图,转画成原理图。


