自动频率控制(AFC)电路在电视接收机中的作用是将行同步信号与比较锯齿电压信号进行相位比较,然后,产生一个与相位误差成比例的控制电压对行振荡器的振荡频率和相位实行控制。在分立元、器件电路中,自动频率控制电路有两种类型:一类是平衡式电路;另一类是不平衡式电路。平衡式电路在早期的国产黑白电视机中用得较多,因此该电路在一些有关书籍中介绍的较多。不平衡式电路在进口黑白电视机及近期国产黑白电视机中有较多的应用,本文就这种电路的工作原理作如下的分析。
并联型不平衡式自动频率控制电路
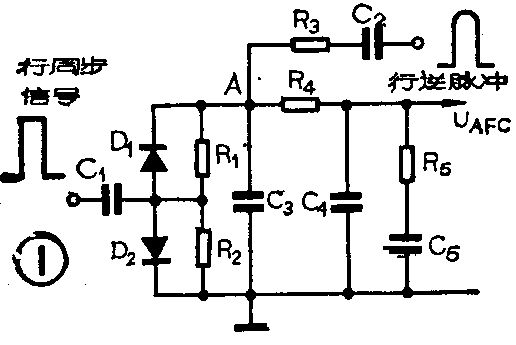
常见的并联型不平衡式自动频率控制电路原理图如图1所示。图中,电阻R\(_{1}\)、R2相等,二极管D\(_{1}\)、D2的特性相同,R\(_{1}\)、R2·D\(_{1}\)及D2组成鉴相器。R\(_{3}\)、C3及C\(_{2}\)组成矩齿波形成网络。R4、R\(_{5}\)、C4及C\(_{5}\)组成滤波电路。这种电路在工作时,因行同步信号与比较锯齿电压信号的迭加方式为并联,故这种电路称为并联型不平衡式自动频率控制电路。

在分析并联型不平衡式自动频率控制电路之前,先讨论单独输入行同步信号或行逆程脉冲时,电路的输出电压U\(_{AFC}\)的情况。
当只有行逆程脉冲输入时,行逆程脉冲经C\(_{2}\)的耦合及R3、C\(_{3}\)的积分作用后,在电容C3两端形成正、负半周对称的锯齿电压信号。这时,C\(_{3}\)可以认为是一个锯齿电压信号源,其等效电路见图2。这个正、负对称的锯齿波电压(图中UA波形)经过滤波电路的作用后,电路的输出将为零。可知单有行逆程脉冲输入时,鉴相器的输出电压U\(_{AFC}\)=0。

当单有行同步信号输入时,由于C\(_{3}\)的容量一般为0.015μ~0.068μ,因此,它对脉冲宽度只有4.7±0.2μS且频率是15625Hz的行同步信号的影响很小,可视为短路。由图3所示电路可以看出,正极性行同步信号的输入可使D1、D\(_{2}\)同时导通。由于R1=R\(_{2}\),rD1=r\(_{D2}\)(rD1、r\(_{D2}\)分别为D1、D\(_{2}\)的正向导通内阻),所以,rD1‖R\(_{1}\)=rD2‖R\(_{2}\),rD1‖R\(_{1}\)两端压降U1与r\(_{D2}\)‖R2两端压降U\(_{2}\)相等。因i1与i\(_{2}\)方向相反,所以从A点看入UA=U\(_{2}\)-U1=0。可知当只有行同步信号输入时,鉴相器的输出U\(_{AFC}\)=0。

在讨论了单独输入行同步信号或行逆程脉冲的情况之后,接下来我们分下述三种情况分析同时加有行同步信号和行逆程脉冲时,并联型不平衡式自动频率控制电路的工作原理。
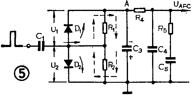
(1)行振荡频率f\(_{o}\)与行同步信号频率fH相同。当f\(_{o}\)=fH时,由行逆程脉冲变换而得到的比较锯齿电压信号与行同步信号在鉴相器中相位迭加的情形如图4所示。由图4可以看出,在行同步信号期间,比较锯齿电压信号从负半周变化到正半周,并且它们在行同步信号期间内所占的时间相等,即t\(_{+}\)=t-。也就是说,比较锯齿电压信号相位与行同步信号相位相同。在比较锯齿信号电压为负半周时,由于比较锯齿电压信号与行同步信号的同时作用,前者形成的电流如图5中虚线箭头所示,后者形成的电流如图5中实线箭头所示,可以看出,通过D\(_{1}\)、R1的两电流迭加增大。因此,行同步信号在r\(_{D1}\)‖ R1上的电压降U\(_{1}\)小于在rD2‖R\(_{2}\)上的压降U2。这时,U\(_{A}\)=U2-U\(_{1}\)>0 , 即A点电位变得比原来(直流分量)高。


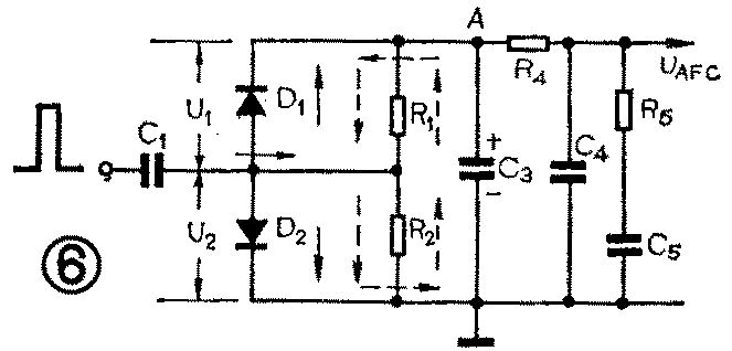
在比较锯齿电压信号为正半周时,比较锯齿电压信号与行同步信号同时作用(见图6)的结果与上述负半周时相反,行同步信号在r\(_{D1}\)‖R1上的电压降U\(_{1}\)大于在rD2‖R\(_{2}\)上的压降U2。这时,U\(_{A}\)=U2-U\(_{1}\)<0,即A点电位变得比原来(直流分量)低。

由于比较锯齿电压的正、负半周对称,且t\(_{+}\)=t-。所以,A点对地电压经过滤波电路的作用后输出为零。即在f\(_{o}\)=fH(或比较锯齿电压信号相位与行同步信号相位相同)时,鉴相器的输出U\(_{AFC}\)=0。故对行振荡不起控制作用。
(2)行振荡频率f\(_{o}\)低于行同步信号频率fH。当f\(_{o}\)<fH时,比较锯齿电压信号与行同步信号在鉴相器中相位迭加的情况如图7所示。从图7可以看到,在行同步信号期间内,比较锯齿电压信号的负半周所占的时间大于其正半周所占的时间,即t\(_{-}\)>t+,也就是说,比较锯齿电压信号相位落后于行同步信号相位。因此,根据上述分析可知,U\(_{A}\)>0的持续时间长于UA<0的持续时间。这时,A点对地电压经过滤波电路的作用后输出大于零。即在f\(_{o}\)<fH(或比较锯齿电压信号相位落后于行同步信号相位)时,鉴相器的输出U\(_{AFC}\)>0。

(3)行振荡频率f\(_{o}\)高于行同步信号频率fH。当f\(_{o}\)>fH时,比较锯齿电压信号与行同步信号在鉴相器相位迭加的情形如图8所示。从图8可以看到,在行同步信号期间内。比较锯齿电压信号负半周所占的时间小于其正半周所占的时间,即t\(_{-}\)<t+,也就是说,比较锯齿电压信号相位超前于行同步信号相位。因此,根据上述分析可知,U\(_{A}\)>0的持续时间短于UA<0的持续时间。所以,A点对地电压经过滤波电路作用后,输出小于零。即f\(_{o}\)>fH(或比较锯齿电压信号相位超前于行同步信号相位)时,鉴相的输出U\(_{AFC}\)<0。

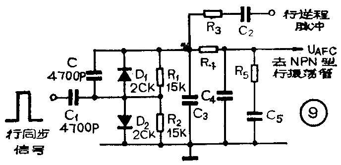
在分析了并联型不平衡式AFC电路的工作原理之后,下面给出一个实用电路,见图9。该电路与图1原理电路相比,多了一个4700P的电容C。在前面分析原理时曾谈到,因C\(_{3}\)对行同步信号影响很小,故可视为短路。但实际上C3对行同步信号总会有一点影响,即它可使同步信号在r\(_{D1}\)‖R1与r\(_{D2}\)‖R2上的压降不相等。实用电路中接入电容C便可消除C\(_{3}\)对行同步信号的影响。因电容C的容量较小,一般为2200P~4700P,故它对比较锯齿电压信号影响甚微。

串联型不平衡式AFC电路
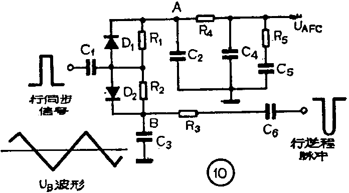
串联型不平衡式自动频率控制电路原理图如图10所示。图中R\(_{1}\)=R2,D\(_{1}\)=D2且特性相同。这种电路在工作时,比较锯齿电压信号与行同步信号为串联方式迭加,其工作原理与并联型不平衡式自动频率控制电路很相似,故在此只作简单分析。

串联型不平衡式自动频率控制电路在只有行同步信号输入或只有行逆程脉冲输入时,其输出为零。下面分三种情况分析同时加有行同步信号和行逆程脉冲信号时的工作情况。
(1)行振荡频率f\(_{o}\)与行同步信号频率fH相同。当f\(_{o}\)=fH时,行同步信号与比较锯齿电压信号在鉴相器中相位迭加的情况如图11所示。从图中可以看到,在行同步信号期间,比较锯齿电压信号是从正半周变化到负半周的,并且它们所占的时间相等,即t\(_{+}\)=t-。

当比较锯齿电压为正半周,电容C\(_{3}\)上的电荷为上正下负时(见图12),B点电位高,使得D1导通增强,D\(_{2}\)导通减弱,行同步信号通过D1对C\(_{2}\)充电增多。因此,A点电位上升。

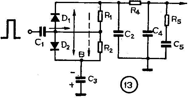
当比较锯齿电压为负半周,电容C\(_{3}\)上的电荷为上负下正(见图13)时,B点电位低,使得D1导通减弱,D\(_{2}\)导通增强,行同步信号通过D1对C\(_{2}\)充电减少。因此,A点电位下降。

由于比较锯齿电压信号正、负半周对称,且t\(_{+}\)=t-。所以,A点电位经过滤波后保持不变。即在f\(_{o}\)=fH(或比较锯齿电压信号相位与行同步信号相位相同)时,鉴相器的输出U\(_{AFC}\)=0。
(2)行振荡频率f\(_{o}\)低于行同步信号频率fH。当f\(_{o}\)<fH时,行同步信号与比较锯齿电压信号在鉴相器中相位迭加的情况如图14所示。由图可以看出,在行同步信号期间,比较锯齿电压信号的正半周所占的时间比其负半周所占时间长。与前类似的分析可知,f\(_{o}\)<fH时,鉴相器的输出U\(_{AFC}\)>0。

(3)行振荡频率f\(_{o}\)高于行同步信号频率fH。当f\(_{o}\)>fH时,两个信号相位迭加的情形如图15所示。可以看到,t\(_{+}\)<t-,与前类似的分析可知,f\(_{o}\)>fH时,鉴相器的输出U\(_{AFC}\)<0。

在以上对不平衡式自动频率控制电路的工作原理分析的基础上,我们进一步讨论并总结其电路的结构特点。
(1)为使行同步信号能够顺利地进入鉴相器与比较锯齿电压信号进行相位比较,要求鉴相器中的二极管D\(_{1}\)、D2在行同步信号到来时,必须处于导通状态,让行同步信号在损耗较小的情况下顺利通过。由于行同步信号有正极性和负极性之分,见图16,故鉴相器中的二极管也有两种连接方式。在正极性行同步信号输入时,鉴相器中的二极管D\(_{1}\)、D2的连接如图1所示。在负极性行同步信号输入时,鉴相器中的二极管D\(_{1}\)、D2的连接如图17所示。这就是说,鉴相器中的二极管的连接方式取决于行同步信号的输入极性。



(2)在分立元、器件中,行振荡器所采用的振荡管通常为PNP型或NPN型管子。由于用PNP型管子与NPN型管子所组成的行振荡器的振荡频率与振荡管基极偏压的关系相反(即由PNP型管子组成的振荡器,其基极电位上升时,振荡器的振荡频率下降,而用NPN型管子组成的行振荡器,其基极电位上升时,振荡器的振荡频率上升。为了使鉴相器的输出电压能够分别满足不同导电类型的振荡管正常工作的要求,可以通过选择不同极性的行逆程脉冲来实现。如图9所示电路,它的输出电压U\(_{AFC}\)能够对NPN型行振荡管实行正确控制。若要使图9电路也能对PNP型振荡管实行正确控制,则只要把原来输入的正极性行逆程脉冲改为负极性行逆程脉冲即可。也就是说,送入鉴相器的行逆程脉冲采用何种极性取决于行振荡管的导电类型(PNP型或NPN型)。只有选择恰当的行逆程脉冲极性,鉴相器的输出电压UAFC就可以对行振荡器实行正确控制。
(3)我们通常把反馈到鉴相器中的行振荡的频率f\(_{o}\)(即比较锯齿电压信号频率)与鉴相器的输出电压UAFC之间的关系(f\(_{o}\)-UAFC),称为鉴相器的输出特性。那么,不平衡式自动频率控制电路的并联型与串联型的输出特性有什么关系呢?从前面的分析可以知道,图9和图10这两个分别是并联型和串联型的电路,它们都能对振荡管是NPN型的行振荡电路实行正确控制。也就是说,它们这时的输出特性相同。然而,它们在这时输入的行逆程脉冲极性却相反。假如它们输入的行逆程脉冲极性是相同的,那么它们的输出特性就相反。即在行逆程脉冲极性相同的条件下,不平衡式自动频率控制电路的并联型输出特性与串联型输出特性相反。
(4)由图2可以看出,并联型不平衡式自动频率控制电路中,比较锯齿电压信号源与鉴相器和负载(指滤波电路)相并联。从图12(或图13)中可以看出,串联型不平衡式自动频率控制电路中,比较锯齿电压信号源先与鉴相器串联,而后与负载并联。因此,并联型电路在工作时比串联型电路容易受到负载的影响。但是,并联型电路所要求的比较锯齿电压的幅度要比串联型电路小,且并联型电路的输出阻抗比串联型电路的输出阻抗小。为此,并联型不平衡式自动频率控制电路主要用于控制晶体管行振荡电路,串联型不平衡式自动频率控制电路主要用于控制电子管行振荡电路。(纪世元)