本文介绍的全集成化数学转速仪,具有使用元件少、容易装配调式、用数字显示等特点。由于传感器采用了一种新型检测器——霍尔集成电路,使得在待测物体上不需再加装什么附件便可进行精确测量。又由于显示部分采用了计数器、寄存器、译码器、驱动器、显示器五合一的Led—CMOS组合器件,使得不需进行任何换算即可直接读出转/秒或转/分。
电路工作原理
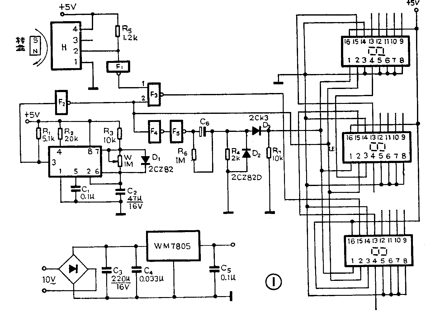
整机电路如图1,其原理方框图如图2。图1中,转盘就是待测物体。当在转盘上安装的小磁钢经过霍尔集成电路时,在霍尔集成电路的输入端将感知一个磁信号,转盘不断地转动,霍尔集成电路使能记录转盘转动的转速信号。这个信号经霍尔集成电路检测并放大后,再由非门F\(_{1}\)整形倒相,输入至与非门F3的1输入端。F\(_{3}\)的2输入端接来自时基电路SG1555送来的方脉冲信号,这个时基信号用来控制选通门F3的“开”或“闭”,以此来控制转速信号是否能从F\(_{3}\)输出。


开机后,转速信号马上加在F\(_{3}\)的1输入端,设此时时基信号呈低电平,即脉冲还未到来,选通门F3呈关闭状态,转速信号无法通过选通门。当第一个时基方脉冲信号到来时,F\(_{3}\)开启,并同时使组合显示器件的LE端呈寄存状态,时基信号的前沿也同时触发反相器F4和F\(_{5}\)(F4、F\(_{5}\)由集成电路T112担任)及由R4、R\(_{6}\)、R7、C\(_{6}\)、D2、D\(_{3}\)组成的微分复位电路,由D3负极一端输出一个复位脉冲,使组合器件内部计数器的内容清零。完成了上述功能后,时基信号在一个单位时间内(例如1分钟)保持为高电平,在这段时间内选通门F\(_{3}\)一直开启,转速信号则通过选通门送至组合器件的内部计数器,从而实现了单位时间内的计数。当单位时间结束后,时基信号下跳变为低电平,选通门F3关闭并自动置组合器件的LE端为送数状态。此时计数器的内容送至寄存器并同时显示寄存器的内容。当第二个时基信号到来时,又把计数器的内容复零,并重复上述过程。但此时的寄存器及显示器的内容不变,只有当第二次采样结束后才更新显示。
时基电路由一块5G1555集成电路加装少量的外围元件构成一个多谐振荡器。电源接通后,由5G1555的第3脚输出一系列方脉冲信号,这就是前面所提到的标准时基信号。调整电位器W的阻值,可以改变方脉冲时基信号的频率及脉冲占空比(有关5G1555的具体应用电路及其工作原理请详见本刊1980年第12期的《5G1555时基电路及其典型应用》一文)。
整机电源由WM7805三端稳压器供给。图中C\(_{3}\)为滤波电容;C4为输入消振电容,C\(_{5}\)为输出消振电容。
该机在显示部分采用了Led数码管与带有CMOS集成电路的功能块,这种Led-CMOS组合器件是近年来才试制成功的一种集成电路,它由计数器、寄存器、译码器、驱动器、显示器五部分组成。器件的体积就象一般骨牌那样大,显示时亮度高,字形美观。管脚名称对照及逻辑框图如图3、图4所示。这种集成块的各引脚功能是:

①当LE点为低电平时,将计数器输出端A、B、C、D的状态打入锁定触发器,并同时显示;当LE点转换为高电平后,已打入的数据在触发器中锁定,此时Q\(_{A}\)、QB、Q\(_{C}\)、QD的输出状态及显示的数将不受计数器输出端A、B、C、D状态变化的影响。
②DPI为小数点输入端。DPI直接输入到显示控制部分。当DPI为高电平时,小数点可点亮;反之则熄灭。RBI用于无效零的消隐。消隐条件是RBO=0、DPI=0、锁定触发器内容为零。假若上述三个条件中有一个不满足,则数码管点亮且RBO输出高电平。
③BL为熄灭控制端,当BL输入高电平时,数码管及小数点无条件熄灭。
④R为计数器的复位端。R=1时计数器内容复“0”,但不影响锁定触发器的状态(LE=1时)
⑤EN和CL为计数器允许端和计数器的脉冲输入端。当EN=1时,CL正跳变计数;EN=0时,不计数。或者也可以说成当CL=0时,EN负跳变计数;CL=1时,不计数。C\(_{0}\)在计数器为8(即1000)和9(即1001)时输出高电平,其余时间为低电平。因此C0的输出可以作为下一级计数器的进位脉冲。
元件的选择
时基电路选用5G1555型,其V\(_{DD}\)=5V(带绿点);霍尔电路采用由南京半导体总厂出品的SH13型的;磁钢的磁感应强度要求应达到1000GS;CMOS—Led组合器件的型号为CL102(苏州半导体总厂出品);与非门选用T095型;六反相器选用T112型;三端稳压器选用WM7805,其VP=5V。其余的二极管及阻容元件的选用办法参见图1。
安装与调试
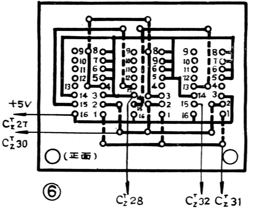
整机的主要元件均安装在大、小两块印刷板上(见图5、图6),印刷线路板为双面型,图中带虚线部分的线路设置在印刷板背面。组装时,把磁钢粘贴在待测的转动物体上,将霍尔电路固定在旋转体旁边的支架上,使霍尔元件的平面和磁钢间的平面距离约为2毫米左右。


调试时,用双踪示波器(SR37型)观察多谐振荡器的输出波形,通过调整W阻值,使由5G1555构成的多谐振荡器所出的方脉冲的占空比(即指脉冲持续时间与脉冲周期之比)为50%左右。由于清零脉冲要占用一定的开门时间,所以实际开门时间应略大于规定的单位时间(本文所用的单位时间是1分钟),以保证在进行清零后,直到选通门关闭这一段时间,正好为一个单位时间(本文设计为1分钟)。脉冲的时序如图7所示。

注意事项
1.霍尔电路必须固定牢靠,防止位置移动。
2.为防止电源线和信号线对霍尔电路产生干扰,可在霍尔元件引线“1”、“4”之间加一个容量为0.005~0.01μF的吸收电容。
3.在进行电路焊接时,电烙铁的瓦数要小一些,焊接时间要短,电烙铁外壳应良好接地。(何明华 潘伟)