电视机电源电路的作用,就是把交流电压变换成稳定的直流电压,为电视机的各部分电路提供直流供电。彩色电视机采用开关式稳压器作电源。开关稳压电源的输入直流电压是由电网电压整流滤波后直接得到的,因而省去一个电源变压器。它由一个电子开关来控制而工作在开关状态,开关信号是用行脉冲,通过稳压环路的作用而输出稳定的直流电压。这种电源最大优点是转换效率高,稳压范围大,纹波小,具有保护电路。北京牌838型彩色电视机的稳压电源就是采用开关电源,图1是它的电原理图,它采用了集成块AN5900做控制部件,控制灵敏度高,稳压器的性能比较好。

电路工作原理简述
为了帮助读者对开关电源有一个大致的了解,以便在检修中作到心中有数,下边对北京牌838型彩电的开关电源电路工作原理作一简要的叙述:
输入的220V交流电压经过电源开关SW01,由D\(_{0}\)1~D04组成的桥式整流器整流后,输出大约300伏的直流电压。经开关变压器T\(_{0}\)1的初级加到开关管X01的集电极;同时300伏直流电压也加到启动电路的三极管X\(_{0}\)3和X04的集电极。由图1中可以看到AN5900的⑥脚所加的电源电压V\(_{cc}\),是由T01次级绕组产生的脉冲电压经D\(_{0}\)8整流后供给。但在电源刚接通时,X01尚未工作,因此D\(_{0}\)8就无直流电压输出供给AN5900,当然AN5900就不能工作。所以需要有一个启动电路,暂时提供一个适当的直流电压给AN5900,等整个电路工作正常后再自动停止工作,这个启动电路由X03和X\(_{0}\)4组成。首先300伏电压经R32和R\(_{31}\)给X04的基极提供一个正向偏置电压使X\(_{0}\)4导通,300伏电压经R24\(_{25}\)、X04、R\(_{21}\)和R10加到AN9500的⑥脚,使控制电路开始工作。X\(_{0}\)4的发射极电压经R27和R\(_{28}\)分压后加到D10的负极,当电压超过稳压管D\(_{1}\)0的击穿电压时,X03得到正向偏置而导通,使X\(_{0}\)4因基极偏置电压降低而截止,启动电路便自动停止工作。D10起时间延迟作用,D\(_{11}\)用于当X04截止时,防止它的be结被反向击穿。
开关电路由X\(_{0}\)1、T01、X\(_{0}\)2和T02等组成。X\(_{0}\)2基极加入可控宽度的矩形脉冲,经放大后推动X01,使它输出宽度可调的矩形脉冲,其频率等于行频。T\(_{0}\)1的次级感应出同样的矩形脉冲信号,其幅度大小由次级绕组的匝数决定,从而使经过二极管D06整流的直流电压高低不同,如前所述,调节R\(_{14}\)(图1中B1调整器)可改变调制脉冲的宽度,从而改变B\(_{1}\)输出端子的电压,正常时D06整流输出为115伏,经稳压电路输出110伏。D\(_{0}\)8整流输出11伏电压供给AN5900的取样电路。D07整流输出82伏电压,在启动电路停止工作后,提供AN5900的工作电压。D\(_{0}\)5、C06、R\(_{0}\)3和R04组成X\(_{0}\)1管的保护电路。当T01次级的正脉冲过去以后,T\(_{0}\)1次级线圈中会感应产生有害的负脉冲,反映到初级时将有相当大的正脉冲电压,通过D05对C\(_{0}\)6充电被吸收掉,从而能避免X01晶体管被击穿。
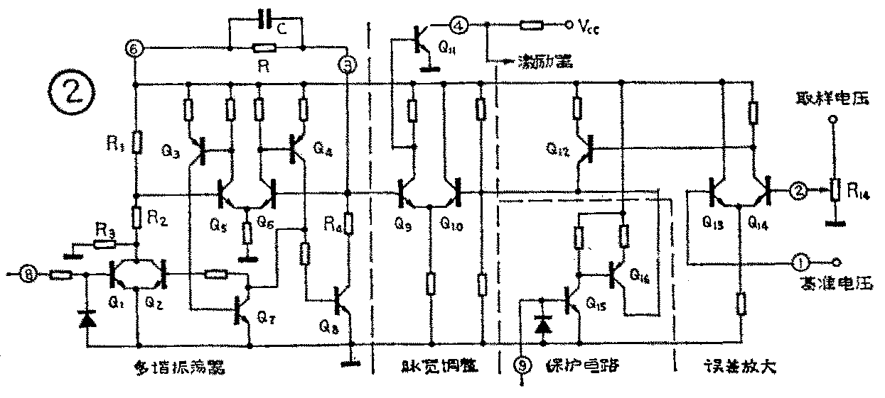
AN5900的逻辑电路方框图在图1中画出,下边对它的内部电路作简单的介绍。使读者不但对控制电路的原理有所了解,而且还会加深对开关电源工作原理的理解。图2示出AN5900的内部电路,由Q\(_{2}\)~Q8组成多谐振荡器,当V\(_{cc}\)电压加上后,经R1、R\(_{2}\)和R3分压后使Q\(_{5}\)得到正向偏置而导通,同时Q3和Q\(_{7}\)因Q5导通后得到正向偏置而导通,Q\(_{8}\)因Q7导通后基极无偏压而截止。外部电容C上的充电电压通过R放电,使Q\(_{6}\)的基极(AN5900的③脚)电压逐渐升高而最后导通,同时使Q4、Q\(_{8}\)和Q2得到正向偏置而相继导通,Q\(_{5}\)基极电压下降(射极电压升高引起)而截止。这时Vcc经R\(_{4}\)和Q8对C又充电,随着充电时间的增加, Q\(_{6}\)基极电压逐渐下降,当低于Q6导通的偏置电压时,Q\(_{6}\)便截止;Q4、Q\(_{8}\)和Q2也因Q\(_{6}\)截止无正向偏置而截止。Q5再次导通,电容C又放电,这样周而复始地进行下去就产生了振荡,在③脚输出锯齿波电压,其振荡频率为14KHz左右。由⑧脚输入的行逆程脉冲对多谐振荡器进行同步,使输出的锯齿波频率为15.625KHz。

误差电压的检测放大电路由Q\(_{12}\)、Q13和Q\(_{14}\)组成,AN5900的①②脚之间加入取样电压,当电源输出电压发生变化时,从图2中显见,这个波动电压加到Q14的基极,经过放大后通过Q\(_{12}\)再加到Q10的基极,控制脉冲输出的宽度。
脉冲宽度调整电路由Q\(_{9}\)、Q10和Q\(_{11}\)组成,Q9基极加入恒定的锯齿波电压,Q\(_{1}\)0基极加的是误差电压。当开关电源输出电压(110V)发生变化时,使取样电压变化,通过Q14、Q\(_{12}\)反应到Q10,改变了Q\(_{1}\)0的基极电压,Q10管电流在Q\(_{9}\)和Q10共用的发射极电阻上产生的电压也发生相应的变化,因此Q\(_{9}\)的导通时间受到误差电压的控制而发生变化,便得到宽度受控的矩形脉冲由④端输出。
保护电路由Q\(_{15}\)和Q16组成,当电路发生故障而使X\(_{0}\)1电流增大时,它的发射极电阻R07上的电压增高,经R\(_{0}\)5和⑨脚输入加到保护电路Q15的基极,当电压增高一定数值时,Q\(_{15}\)导通使Q16基极电位下降而截止,则Q\(_{16}\)的集电极电位(即Q10的基极电位)增高,Q\(_{1}\)0的发射极电压也升高使Q9截止,这样AN5900的④脚无矩形脉冲输出而使X\(_{0}\)1停止工作,则电源无输出而达到保护目的。
常见几种故障的检查方法
1.保险F\(_{0}\)1熔断,电阻R01烧断。故障现象是图象和声音全无,检查方法是:
(1)首先检查220伏输入到开关管X\(_{0}\)1集电极之间的电路。先测量X01集电极对地(电源的地图1中M点,下同)电阻,正常时R\(_{+}\)(三用表黑表笔接集电极,红表笔接发射极时测得电阻值,下同)为4.2KΩ, R-(三用表红表笔接集电极,黑表笔接发射极时测得电阻值,下同)为24KΩ,如果电阻值很小或很大,则应取下X\(_{0}\)1管进行检查。一般情况下保险F01熔断、R\(_{0}\)1烧断而X01也同时损坏,多数是全击穿。更换晶体管、保险和电阻后, 在加电以前要测量110V输出端的对地(整机地线,图1中N\(_{1}\)端子)电阻是否正常,正常时R+为3.9KΩ、R\(_{-}\)为9KΩ, 如果阻值很小,说明负载有问题。此时它把负载断开先修电源,待电源正常后再检查负载电路的问题。
(2)电源检查时,首先是检测桥式整流器的四个二极管是否有击穿,再看C\(_{0}\)1、C02和C\(_{0}\)3以及滤波电容C04和C\(_{0}\)5是否漏电或击穿。再检查消磁(电路图1中L01和R\(_{4}\)0组成,可以产生一个很强,但逐步衰减的交变磁场,使磁化的部件退磁。)有无短路现象。开关变压器T01的绕组和端子等击穿而通地(图1中M点)以及内部匝间短路等,都会造成保险F\(_{0}\)1烧断的现象。检修时可以测量T01对地(图1中M点)电阻来判断,最好是用一个好的变压器进行代换试验。根据维修经验,开关变压器T\(_{0}\)1很少损坏。
通电检查桥式整流器输出电压接近300伏,X\(_{0}\)1管集电极电压也为300伏时,说明这以前的电路工作是正常的。在测量电压时要特别注意,电源电路有自己单独的地线系统(图1中M点),它与整机地线不是等电位(即不连接),千万不能连在一起。
2.保险虽不熔断,但110伏稳压器输出为0。检查方法是:
(1)首先检查整流器输出电压及X\(_{0}\)1集电极电压均为300伏,但输出电压为0。如果检查电源负载无问题,则说明电源的启动电路、控制电路可能有问题,首先检查AN5900的⑥脚Vcc电压是否正常(正常时为9.6伏),再查①②脚的5伏电压是否正常。如果这两个电压正常,说明启动电路、AN5900的供电电路和比较电压基本正常。如果上述这两个电压不正常,就要先检查启动电路X\(_{0}\)3和X04的各极电压是否正常(图上已标出电压数值),如果不正常就要分别检查两管及周围元件是否有问题。如果正常再检查AN5900其它各脚电压是否正常,也可以用示波器观察④脚输出的矩形脉冲信号是否正常,若输出脉冲不正常,则说明AN5900块有问题,需用新的代换试验。若④脚输出信号正常,再检查激励管X\(_{0}\)2和X01管的各极电压是否正常,否则要检查两管及周围元件是否有问题,发现问题及时更换新的元器件。
(2)开关变压器T\(_{0}\)1次级的几个整流二极管或调整管X05击穿或者电容严重漏电,也会发生开关电源不能启动,110伏输出为0的故障。可以分别把这些被怀疑的元件从电路上取下来进行检查,发现有问题的元器件更换新的。
(3)电流输出端短路或行输出晶体管击穿,也会造成负载电流太大,使保护电路动作,使110伏电源输出为0。这类故障属外负载问题,本文不再叙述。
(4)该电源电路板为独立部件,装上和拆下时如果用力不当,可能会造成印刷电路板边沿铜箔断裂,使回路不通而使110伏输出为0。因铜箔上有防腐涂层而不易发现断裂处,最好用三用表检查通断来发现故障点。
3.110伏输出电压偏低。一般情况下110伏电压偏低,多因行输出变压器局部短路,使负载电流增大所引起。有时电源控制电路的控制作用不够灵敏,也会产生110伏输出电压变低的情况。这时可以在110伏输出端串一个大功率电阻,例如20Ω/10W电阻,使负载电流不超过400mA, 开机后迅速观察行输出变压器上的波形,确定是它的问题后立即更换新品。使负载正常后再检查电源电路问题,调整R\(_{14}\)观看110伏能否跟着变化,若变化正常则说明控制电路正常,如果不能变化说明控制电路失灵。检查控制路失灵的方法,前边己叙述不再重复。
4.110伏输出电压不稳,时高时低。检查方法是:
(1)首先检查启动电路中X\(_{0}\)3和X04的工作是否正常,主要是测量两管各极电压,必要时可把晶体管取下来进行检查。然后再检查启动电路中其它元件是否有开路和虚焊等情况。
(2)T\(_{0}\)1次级电路中D06~D\(_{0}\)8各二极管软击穿、滤波电容严重漏电以及负载电流太大等情况,使保护电路反复动作,使输出电压不稳而时高时低。检查这些元器件,发现有问题者更换。
5.开关变压器T\(_{0}\)1发出嗡嗡叫声。这是本开关电源特有的故障,主要原因是,开关管X01集电极的保护二极管D\(_{0}\)5击穿引起的。因为D05击穿后使X\(_{0}\)1管的工作电流变大,使变电器T01发出嗡嗡叫声,不要误认为是开关变压器损坏。
表1和表2分别列出本电路中晶体管、集成块AN5900各脚对地(电源的地)的电阻值,供检修时参考。对地(电源地)电阻是用三用表的R×100档测的。


实际故障举例
【例1】故障现象是图象和声音全无。检查步骤:①测X\(_{0}\)1集电极电压为315V,说明电源输入和整流电路工作正常。②测110V输出端电压为0。③取下N1、N\(_{2}\)输出插头,输出电压为150伏左右。④测110伏输出端对地电阻值, R+和R\(_{-}\)都接近0,正常时R+为3.9KΩ、R\(_{-}\)为9KΩ。说明输出负载有问题,先检查行输出级,发现行输出晶体管全击穿,换新管后即好。
【例2】故障现象仍是图象和声音全无。检查步骤是:①测110V输出电压为0。②测AN5900的③脚无9.6V电压,说明启动电路未能正常工作。④测X\(_{0}\)4发射极无80V电压,而集电极为300V、基极为160V电压,说明X04未导通。从电路板上把X\(_{0}\)4取下来检查是好的,又把管子焊回原处后,电源工作正常了,说明这个管子原来有虚焊或开焊。
【例3】故障现象是一开机就烧保险F\(_{0}\)1,换上新保险后,一开机还烧。检查步骤:①测X01管对地(电源的地)电阻,发现集电极对地电阻为0,取下晶体管检查完好。②再检查管子的外观及附件,发现外壳(集电极)上绝缘片有一个小洞,使集电极与铜箔(地线)短路了,更换绝缘片后故障排除。
【例4】故障现象是图象和声音全无。检查步骤是:①测X\(_{0}\)1集电极电压为300伏,说明整流器到T01初级的电路都是正常的。②取下N\(_{1}\)、N2插头,即断开负载,输出电压为0。③测110伏输出端电压为0。经检查发现D\(_{0}\)6的正极焊点烧黑脱焊,取下检查二极管已击穿,更换新管后电路工作正常。
【例5】故障现象是图象和声音全无。检查步骤是:①测N\(_{1}\)与N2之间的输出电压为0。②检查开关电路各个晶体管的各极电压均正常,再用示波器观察AN5900④脚波形正常,说明开关电路工作正常。③用三用表测D\(_{0}\)6负极电压为120伏,而测N1、N\(_{2}\)之间仍无电压。用三用表电阻档测T01次级回路之间的通短情况,发现T\(_{0}\)1次级和N1相连的一端不通,经检查是铜箔有一处断裂而构不成回路,则N\(_{1}\)与N2之间无输出电压了。用焊锡焊通后故障排除。(李福祥)