编者按:本刊1985年第5或第20页介绍了用STK465装置的功率接续器。由于STK465输出功率大,高频端力度强,低音浑厚柔合,引起不少读者感兴趣,纷纷来信要求提供比较完善的扩音电路和实验器材。为此本刊特约广东省普宁占陇天声电器厂提供详细的扩音板制作资料及配套实验器材,以满足读者需要。
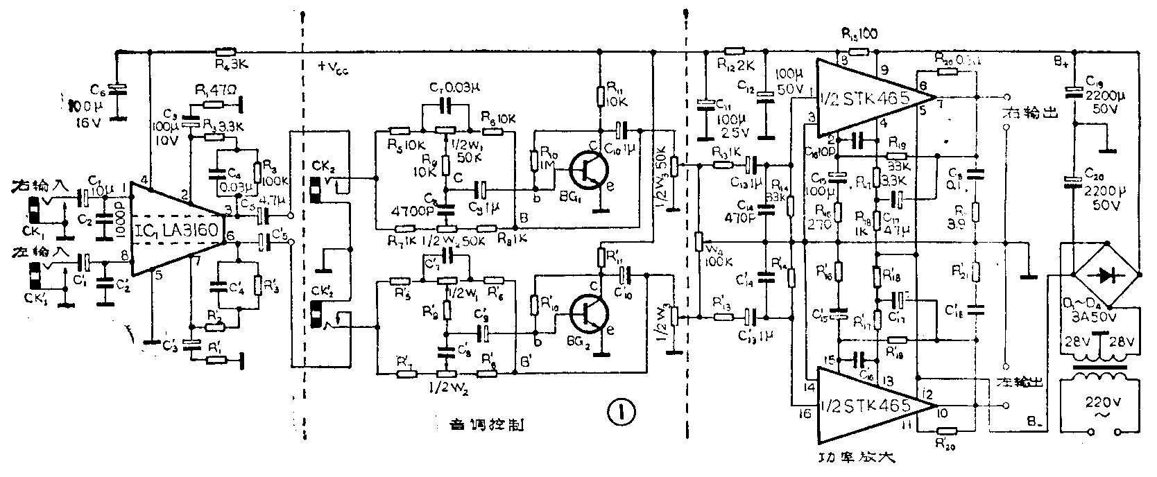
本刊1985年第5期介绍的用厚膜集成电路STK465装置的OCL立体声功率放大器具有输出功率大,频响宽,性能稳定,功率余量大等优点。用它推动大口径低音扬声器及高音扬声器构成的组合音箱时,低音浑厚柔合有力,高音明亮,层次分明,基本上可以满足厅堂扩音的需要。但“用STK465装置的功率接续器”一文提供的电路,由于灵敏度及输入阻抗的限制,电路本身又不具备音量、音调控制,因而不能适应多种信号源。本文图1为读者提供了较为完整的扩音电路,不但能够控制音量和高音、低音的提升或衰减,而且可以适应收音机、录音机、电唱机、录放磁头及话筒多种信号源。
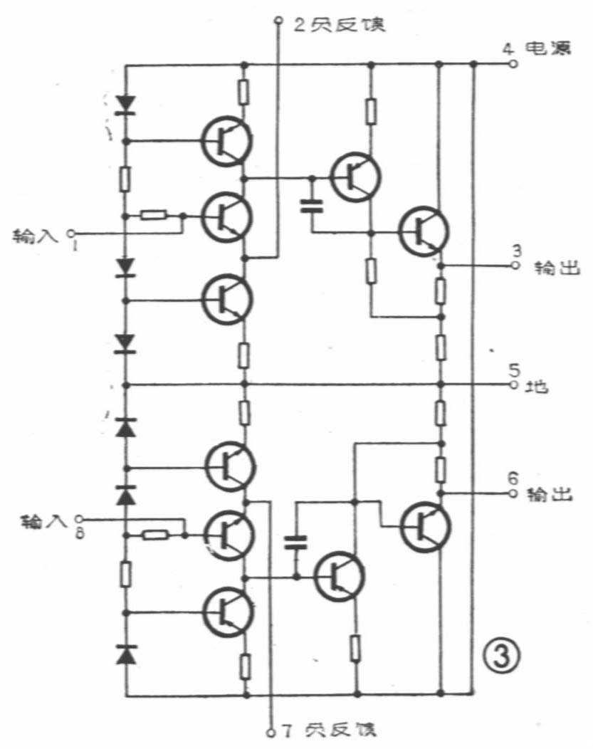
图1中左、右声道元器件完全对称,现只以右声道为例简单介绍该扩音电路中各元器件的作用。LA3160是一种双通道前置放大集成电路,它的主要特点是噪声低,外围电路简单。外型可参考图2,内电路见图3。它的典型供电电压为V\(_{cc}\)=9V,当负载阻抗为600Ω时开环电压增益为80dB,谐波失真为0.1%,耗电4mA, 输入阻抗为100kΩ, 输出电压为1.8V,串音为-65dB,折合到输入端的噪声电压为1.25μV。LA3160的通用性较强,BA328及μPC1032等前置放大集成电路均可直接代换。图1中C1为输入耦合电容,C\(_{2}\)用来旁路有害的高频干扰信号,C3、R\(_{1}\)共同构成负反馈网络,R2、R\(_{3}\)、C4构成频率均衡网络,C\(_{5}\)为输出耦合电容。



该扩音机的音调控制电路由BG\(_{1}\)(BG2)及R\(_{5}\)~R9(R'\(_{5}\)~R'9),C\(_{7}\)~C9(C'\(_{7}\)~C'9),W\(_{1}\)、W2组成。其中右路的R\(_{5}\)、R6、R\(_{9}\)、C7、\(\frac{1}{2}\)W\(_{1}\)组成低音控制网络;R7、R\(_{8}\)、C8和1;2W\(_{2}\)组成高音控制网络。这是一种典型的负反馈式音调控制电路、比常见的衰减式音调控制电路控制效果明显,工作稳定不易自激。但这种电路对信号有较大的衰减,因而晶体管BG1(BG\(_{2}\))应选用放大倍数较高的管子,β值最好大于100,以利提高本级增益。BG1的集电极电流最好调到2~3mA(调整R\(_{1}\)0),负载电阻R11不宜太小以免影响信号的动态范围,R\(_{11}\)取6.8~12kΩ较好。
功放级各元件的作用可参考本刊1985年第5期20页。STK465的音频输出功率潜力很大,只要直流供电电源内阻足够小就能大幅度提高音频输出功率。经实验当电源变压器次级绕组输出32V+32V交流电压时,其输出功率可达50W+50W以上。为本文配套的电源变压器采用进口冷轧硅钢片,最大磁感应强度为14000高斯,铁芯截面积为26mm×44mm,初级线包用φ0.38mm高强度漆包线绕660圈,次级线包用φ1.12mm高强度漆包线绕85圈+85圈,次级输出28V+28V交流电压。整流管选用3A, 50V正向压降较低的进口二极管,接成桥式整流,电容滤波。此时STK465能输出45W+45W以上音频功率。如果使用国产普通硅钢片,因为磁感应强度较低(一般为9000~11000高斯),铁芯截面要适当增大。
为了适应不同信号源和方便制作,图1电路设计成两块印制板,图4为前置放大板,图5为主放大板。前置放大板的左、右输入端可以直接输入录放磁头或话筒的信号,即通过插孔CK\(_{1}\)、CK'1与磁头或话筒连接。主放大板的左、右输入端按照图1的方式与前置连接,CK\(_{2}\)、CK2'可以直接输入收音机检波后的信号,外接扬声器或耳机插孔的信号,也可以输入录音机线路输出信号,电唱机晶体唱头的信号。


如果读者根据各自的实际情况自己腐蚀印板应特别注意,公共地线的走向是十分讲究的,入地点不合适往往是产生自激的主要原因。此外凡是大电流流过的走线应适当加粗,以减小铜箔存在的电阻。第三应注意整流二极管应靠近滤波电容,整流后的电压应该先经过滤波电容的正极,然后再供给集成电路。第四点要注意信号输入端的“地”点(图5中的A)不要与交流电源的“地”点(图5中的C点)就近接在一起。第五点应注意小信号线应远离大信号线及交流供电线。
主放大板按照图1、图5安装,只要元器件质量保证焊接无误,一般无需调整即可正常工作。LA3160的增益由R\(_{1}\)和C3控制,减小R\(_{1}\)阻值,增大C3容量均可提高增益。STK465的增益由R\(_{16}\)和C15控制,如有自激可适当增大R\(_{16}\)阻值或减小C15容量。R\(_{14}\)和R19为STK465内部的差分放大器提供直流工作点,改变它们的阻值可以改变STK465的输入灵敏度。阻值减小灵敏度降低,阻值增大灵敏度提高,但R\(_{14}\)、R19的阻值必须保持相等。
最后应该注意,STK465是在高电压大电流情况下工作,尽管OCL电路输出端是零电位,在有信号输入情况下负载切不可短路,否则STK465会损坏。如果扩音机经常在满功率情况下工作,一定注意散热问题。散热板应选择3mm厚铝板面积不小于120mm×180mm。(广东省普宁占陇天声电器厂)