录音机的录放功能由录放电路来完成。录音机的抖晃率、带速误差、频响、失真度、信噪比五项主要指标,前两项由机械芯的质量决定,后三项指标由包括磁头在内的录放电路性能所决定。
近年来业余爱好者的制作水平不断提高,对录放电路的性能、可靠性、制作工艺及元器件质量提出了更高的要求。本文介绍一种具有ALC(自动录音电平控制)的录放电路板,放音均衡放大器及录音前置放大器采用LA3210集成电路,并采用交流偏磁、交流抹音。因此该录放电路性能指标较高。放音失真度小于1.5%,自录自放失真度小于2%。放音信噪比大于60dB,自录自放信噪比大于45dB。频响曲线较平直,放音频响40Hz~10kHz小于-2dB,自录自放频响40Hz~10kHz小于-3dB。
电路简介
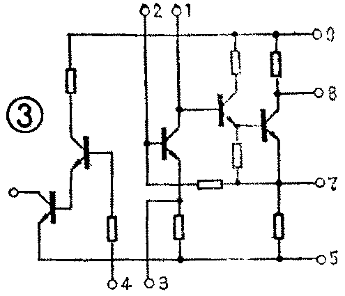
原理电路见图1。为叙述方便,现以左声道为例简要介绍电路的组成。图中录放开关K\(_{3}\)01~K309处于放音位置。录放电路的放音均衡放大器、录音前置放大器由集成电路LA3210担任。LA3210的外型见图2,内电路见图3。它的主要特点是噪声低,自动录音电平作用范围宽,电压调节特性好。左、右声道各用一块集成电路,有利于提高声道分离度。左声道录音电流放大器由低噪声宽动态范围三极管9014(BG\(_{3}\)01)担任。偏磁电路由BG303、BG\(_{3}\)04(9013管)组成推挽超音频(60kHz)振荡电路,由于采用了交流偏磁,交流抹音,可获得良好的抹音效果和较低的失真度,并改善了信噪比。



偏磁电流经可调电阻W\(_{1}\)和电容C334加到录放磁头。磁头接地端串入电阻R\(_{3}\)01(10Ω)。W1及R\(_{3}\)01用于偏磁电流的调整及测量。录音电流放大级输出电路中的C307和R\(_{3}\)06是录音电流高频提升网络。B301和C\(_{31}\)0组成谐振电路,谐振频率为60kHz,阻止60kHz的超音频电流串入放大电路。
放音时走带机构带动磁带经过录放磁头以电磁感应方式将磁带上的剩磁信号转变为电信号。电信号经录放开关K\(_{3}\)01的接点1、2及C302送入IC\(_{1}\)第二脚,经IC1放大后由第8脚经K\(_{3}\)03的接点1、2及R310输出。R\(_{3}\)08、R303、C\(_{3}\)05组成放音均衡网络,放音电路对转折频率50Hz(3180μs)以下的信号提升量不大于3dB。对转折频率1.33kHz(120μs)以上的频段衰减量不大于3dB,整个音频段频率特性比较平坦。C302是录放磁头的谐振电容,它与录放头的电感线圈组成并联谐振电路以改善放音时的高频特性。
录音时音频信号经话筒插座及录放开关K\(_{3}\)02的1、3点及C304送入集成电路第2脚,放大后由第8脚经K\(_{3}\)03的1、3点及C309输出,送至BG\(_{3}\)01对录音电流进行放大。放大后的录音电流经C311输出经C\(_{3}\)07、R306组成的RC高频补偿电路送至录放磁头。录音时录放磁头线圈经K\(_{3}\)01的1、3点接地,构成录音电流通路。R309在录音时作为集成电路的反馈电阻,使集成电路获得适当的闭环增益。
BG\(_{3}\)01输出的录音电流经D301和D\(_{3}\)02整流,经C315滤波后加到集成电路第4脚,集成电路内部有一个由两只三极管组成的独立ALC电路,因此第6脚与第5脚之间的阻抗跟随加在第4脚上的电压变化而变化,从而自动控制录音电平,避免强信号输入时引起过载失真。
制作及调试
该录放电路应采用优质元件,要求精度误差为一级精度(±5%),均衡网络元件要特别精选,以保证放大器的均衡特性。电路板最好采用环氧树脂板,走线面除焊点外如能涂以绝缘漆和阻焊剂则更好。印板图见图4。装配时应注意以下几点:①焊接务求准确无误。②严防集成电路相邻两脚短路。③防止印板相邻两走线短路。④确信各元件无虚焊,集成电路相邻各脚无短路之后再接通电源,以防损坏集成电路。

录放板的调试可按以下步骤进行:
(1)放音调试:按图1将录放电路接上录放磁头。如果采用国产RS-1251录放磁头,其交流阻抗约850Ω,录音灵敏度为55μA。使用标准频响测试带放音,输出端(图1右上角的L、R)并联连接双通道毫伏表、双通道示波器及失真仪。接通电源后首先观察毫伏表指示的静态噪声电压不应大于50μV。然后用-10dB磁平标准测试带放音,毫伏表在各点频处输出信号电压约40mV,两通道偏差不大于10%,失真度不大于2%。如无上述仪表,可在输出端接立体声耳机,用耳朵听音估计上述各项效果。业余条件如无标准测试带也可用原声音乐磁带放音。
(2)自录自放调试:用音频信号发生器在话筒接线处(即K\(_{3}\)02、K306的接点3对地之间)输入幅度为100μV的点频信号,用标准空白测试带录音,然后放音并按前述方法测试指标,此时测试结果为全通道特性,即自录自放特性。业余条件如果没有标准空白带可用质量较好的磁带进行录放音试验。
无论录音还是放音,录放磁头方位角应该首先调整正确。调整磁头方位角应该使用方位角测试带放音,当方位角正确时输出最大电压。业余条件下可用质量较好的原版音乐带放音并同时调整磁头的方位角螺钉,使声音最大并且高音效果最好。
(3)偏磁振荡频率、阻波电路、偏磁电流及抹音电流的调整:将双通道示波器的输入端分别接到图1的C、D两点上。频率计接到A点,双通道毫伏表的输入端分别接到R\(_{3}\)01及R316电阻两端。调整偏磁振荡线圈B\(_{3}\)03的磁芯,使频率计显示60kHz。然后分别调整阻波线圈B301\(_{3}\)02磁芯,使示波器上显示的超音频泄漏电流最小。调整偏磁振荡频率和阻波线圈时互有牵联,应反复调整1~2次。
偏磁电流应按如下调整:调整W\(_{1}\)、W2使毫伏表指示的电压值符合下式的计算结果:I=\(\frac{V}{R}\)式中I为所用磁头规定的最佳偏磁电流值。R为10Ω,V为毫伏表指示值。
抹音电流与所用抹音头的阻抗大小有关。由于该录放板采用推挽振荡电路具有足够的输出功率,如果配用阻抗为400~600Ω以下的各种型号抹音头,均可获得优于60dB的抹音效果。
图1中C\(_{3}\)02、C318的容量是配国产RS-1251录放头采用的数值,如果使用其他型号的磁头应该调整C\(_{3}\)02、C318的数值,使得放音时高音效果最佳。
该录放电路是高增益放大电路,安装时最好在印板的走线面加装屏蔽板,以防各种干扰串入。屏蔽板最好用导线与机壳连接。此外所有的信号传送线均应使用金属屏蔽线。电源变压器最好远离录放板,以减小交流声。录放板的直流电源最好采用稳压源,滤波性能应良好。话筒插孔可与收音头连接,但应注意阻抗匹配,信号过大时要加衰减器,防止大信号失真。录放板输出端可与各种扩音板连接使用。(广东省新会音响电器厂)