这里介绍的稳压电源,由于采用了场效应管反馈式恒流源,因此线路简单,稳压特性好。而且它具有较好的温度补偿特性,可在环境温度变化较大时,保持输出电压的恒定。用它为仪器仪表、精密控制机床或需要高稳定电源的电子电路供电,可以提高控制精度、取样和指示精度,减小电子电路因电源电压不稳引起的电路参数的漂移。下面分别介绍它的工作原理和应用。
稳压原理
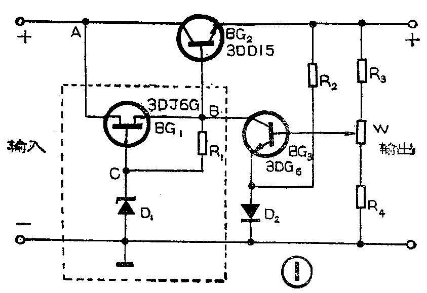
稳压电源的电路原理图如图1所示。图1中虚线框外面的部分,实际上就是普通的晶体管串联式稳压电路。与经典稳压电路的不同之处是虚线所框部分,即由BG\(_{1}\)、D1及R\(_{1}\)回路组成的恒流源取代了BG3集电极的负载电阻。这一恒流源负载,不仅能较大地提高取样管BG\(_{3}\)的放大倍数,而且由于这种恒流源自身存在的直流负反馈,使它具有很高的动态内阻,它可以在输入电压变化较大时,保持调整管基极电压不变,使稳压器达到很高的稳定度。

我们知道,场效应管是一种电压控制器件,它可依靠栅极上的控制电压控制漏、源极的电流,其控制能力可由跨导表示,工作原理见图2。在图2中,U\(_{A}\)为输入电压,UB为输出电压。在接通电源瞬间,电压U\(_{G}\)为零,但在D、S之间仍有电流IDS流过,这一电流通过电阻R\(_{1}\),稳压二极管D1形成回路电流,并建立电压U\(_{SG}\)和UCE,且U\(_{B}\)=USG+U\(_{CE}\)。当输入电压UA发生变化时,输出电压U\(_{B}\)也随着发生变化,但因UCE被稳压管D\(_{1}\)稳定,△UCE=0,则有负偏压U\(_{SG}\)随着变化。根据图3结型耗尽型场效管转移特性曲线,我们可以看出:当|UGS|↑时,I\(_{DS}\)↓;|UGS|↓,I\(_{DS}\)↑。这样结合图2、图3来看,若UA↑,I\(_{DS}\)↑,则UB↑。U\(_{B}\)的增加会使|UGS|↑,结果导致I\(_{DS}\)↓。显然这是一个负反馈的过程,最终使得IDS和U\(_{B}\)趋于稳定。而这两参数就是图1中调整管BG2的基极偏置,当外电源大幅度变化时,I\(_{DS}\)与UB保持稳定则输出电压是恒定的。


从图4实测特性曲线可以看出,场效应管反馈式恒流源比经典式场效应管、晶体管恒流源或恒流二极管的恒流特性要好。

表一、表二是在相同稳压电路(图1)中,采用反馈式恒流源与其他恒流源稳压特性的比较表。由表可以看出:在相同稳压电路中,采用反馈式场效应管恒流源的稳压器,其内阻、稳定度的指标都比普通稳压源提高了一至两个数量级。


在受温度影响方面,晶体管直流稳压电源的温度稳定性,主要取决于取样放大管参数随温度变化而漂移的程度。而采用反馈式场效应管恒流源的稳压电源,对这一部分的漂移具有补偿作用,其温度补偿作用可结合图1与图2来说明。在图1中,当温度T上升时,取样管的β值上升,则BG\(_{3}\)的c、e之间等效输出阻抗rce随T上升而下降。因BG\(_{3}\)的负载是恒流源,故使调整管BG2基极电位下降,即图中B点的电位下降。在图2中,当B点电位下降时,|U\(_{GS}\)|↓,则IDS↑。I\(_{DS}\)的上升又会使B点电位回升。显然这是一个负反馈的过程,因而反馈式场效应管稳压源具有较好的温度补偿特性,温度漂移很小。
电路的应用与调整
在图1原理图的基础上,可以制成适用于多种需要的高稳定稳压电源。图5是一个输出电压9—15V、输出电流1.5A的直流稳压电源,其稳定度为5.42×10\(^{-}\)5,内阻为0.0976Ω。

电路中的取样放大、调整管部分与普通晶体管稳压电源一样,这里仅对恒流源部分的调整略加说明。调整恒流源及稳压电源的稳定度需要一台电压可调的直流电源作输入电源,用电位差计测量输出电压的微小变化,若无这些仪器,可用一只电压表测量BG\(_{1}\)的D、S极间的电压。调整时,先将输入电压逐渐提高,若D、S极间电压UGS也随之提高,且U\(_{GS}\)的变化与输入电压的变化成比例,则说明恒流部分工作正常。然后再调整W,测量输出电压。若输出电压为连续可调时,稳压源的调整即完成。
场效应管选用跨导G\(_{m}\)>1000μΩ、 IDSS≈8mA的管子。D\(_{1}\)用3DG6晶体管的e—b结代替,它在小电流工作时,有比稳压管更好的稳压特性。R1在100KΩ~1.5MΩ之间选择,阻值越大,可使输出端微小电压变化对这一支路电流的影响越小,恒流源的特性就越好。但过大,会使D\(_{1}\)处于渡越击穿的拐点上,造成D1稳压特性下降,使稳压源输出电压降低。因此,R\(_{1}\)必须在调试过程中确定。BG2用耗散功率大于30W的功率管,BG\(_{3}\)的β值应大于200或采用复合管。在图5电路的基础上,输入电压选用不同的数值并调换D2稳压管,就可以改变稳压源的输出电压。例如,将输入电压提高到32V、D\(_{2}\)用6V左右的稳压管,就可以变为输出24V、1A的稳压电源。
采用反馈式场效应管恒流源的稳压电源,其稳压精度与分立电源参数式高稳定稳压源相近,温度漂移特性则与分立电源差分取样放大参数式高稳定稳压源相近,而线路则大为简化。从而利用它可制成各种成本低廉的高稳定稳压电源。(倪楠)