一般万用表内都没有信号发生器,检修电子设备时显得很不方便。但是,如果你手头有一块数字万用表,经过很简单的加工,却可以使它兼作信号发生器,能同时输出几十赫、几千赫和几十千赫三种方波信号。本文以目前国内较流行的DT—830型3\(\frac{1}{2}\)位数字万用表为例,介绍一下信号源的输出信号方式。其它型号的数字万用表也可以参考此经验改装。
DT—830型数字万用表可提供40KHz、50Hz、2.2KHz三种等幅方波信号,分别叙述如下:
1.40KHZ信号源:
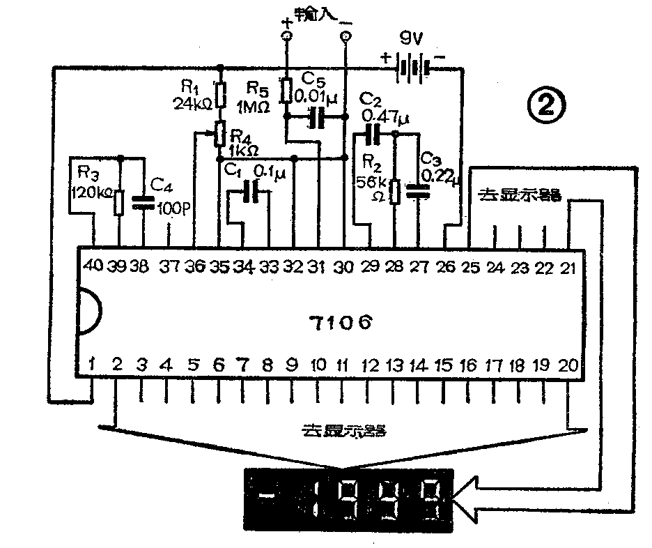
3\(\frac{1}{2}\)位数字万用表一般采用7106型A/D转换器,它是单片CMOS大规模集成电路,管脚排列如图1所示。由它构成的直流数字电压表的典型接线见图2,图中附有液晶显示器。R\(_{3}\)、C4为阻容振荡器(时钟发生器)的外部元件。R\(_{1}\)和R4为集成块提供基准电压。C\(_{1}\)、C2分别是基准电容器和自动调零电容器。R\(_{2}\)、C3分别是积分电阻与积分电容。输入端的滤波电路由R\(_{5}\)、C5组成。第32脚为公共脚,它与表笔插口COM连通。采用9V积层电池供电。


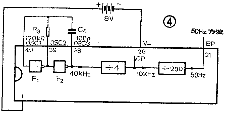
阻容振荡器由芯片内部的反相器F\(_{1}\)、F2和外部的R\(_{3}\)、C4组成,振荡频率按下式估算:f\(_{0}\)≈0.48R3·C\(_{4}\)。式中R3的单位为欧姆,C\(_{4}\)的单位为法拉。
DT—830型数字万用表的测量速率为2.5次/秒,即测量周期为0.4秒,则选R\(_{3}\)=120KΩ、C4=100PF时,振荡频率f\(_{0}\)=40KHz。如果用SBR—1型二线示波器观察DT—830的7106振荡器各脚的电压波形,可得出如图3几个波形。由图可见,第39脚的电压波形有严重失真(有上冲、下塌现象,说明低频特性不好),第40脚上是电容器C4的充、放电波形,失真也很大。只有第38脚输出的是对称方波,V\(_{P}\)-P=5V,适宜作为信号源使用。

2.50Hz信号源:
从图4可以看出,40KHz时钟脉冲经过4分频后,得到10KHz的计数脉冲CP,再经过200分频得到50Hz方波信号,此信号接至背电极BP端(第21脚),作为液晶显示器背面的公共电压。用示波器观察到的第21脚的电压波形如图5,其V\(_{P}\)-P=5.6V。


在从数字万用表上引出上述信号时,需注意如下几点:
①某些3\(\frac{1}{2}\)位数字万用表的测量速率为3次/秒,即测量周期为1/3秒,这时R\(_{3}\)=100K,C4=100PF,振荡频率f\(_{0}\)=48KHz,背电极的电压频率为48KHz;800=60Hz。
②因方波信号中包含有极丰富的多次谐波,故可用作检修收录机、电视机等用。
在从数字万用表内引出上述信号时,可从第38脚(或第21脚)与正电源(第1脚)上各引出一根导线,经过一只0.01~0.1μF隔直电容后焊接在一个耳塞机插座的引出焊片上,插座孔要用塑料薄膜或胶布包好,平时不用时安放在万用表电池盒的空裕位置上。使用时,将插座取出,插上插头,就可输出信号了。
3.2.2KHz蜂呜器信号:
DT—830的蜂呜片位于液晶显示器旁边、在印刷板上标有“BZ”字样,外形是个圆片。当万用表拨至“-)))”档,并将表笔短路时,蜂呜器即可发声。蜂呜器发声时,用示波器可以测量出蜂呜器输出电压为20V\(_{P}\)-P的方波,振荡频率约2.2KHz(见图7)。



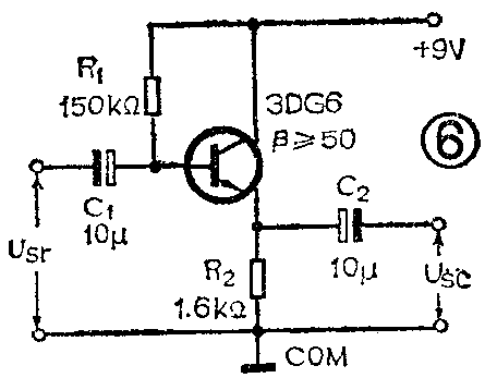
引出这一信号的方法是:从蜂呜器焊点上各引出一根导线,按图8所示电路把信号引出,隔直电容采用CL11小型涤纶电容。注意,若负载电流较大时会造成停振,可仿照图6加一级阻抗转换器。(沙占友)