随着电子技术的飞速发展,高保真音响设备的音频功率放大器在不断地革新。传统的有输入、输出变压器的推挽电路首先被OTL电路所代替,使保真度得到提高。由于OTL电路的输出端串接一个容量很大的隔直流电容,为使低音频信号顺利送给扬声器,必须使用极板为卷筒式的大容量电解电容器。电解电容存在着分布电感,在一定程度上影响了高音频通过。为此人们设计了OCL电路,OCL电路虽然省去了输出端的电容却又产生了使用正负电源的麻烦。OCL电路输出端对“地”的直流电位要保证为零,给调试也带来困难。BTL电路的出现解决了上述各种问题,不但保真度高而且输出功率成倍增加因此BTL电路迅速得到推广。下面介绍两种使用进口双功放集成电路装置的扩音板,供业余爱好者参考。
22W+22W立体声扩音板
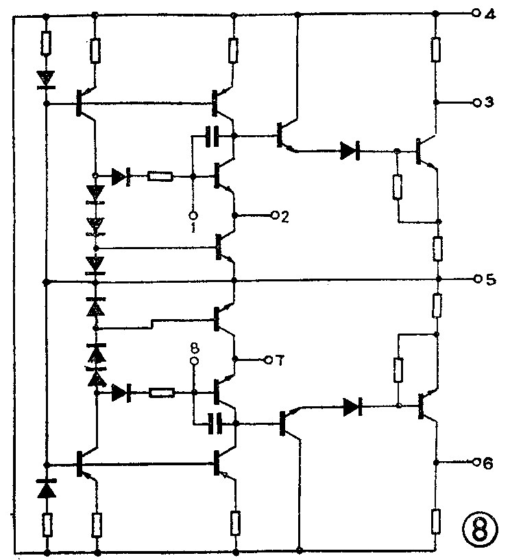
HA1392是一种高保真双功放集成电路,国外不少名牌收录机(如夏普GF555、GF666、GF777等)均使用它作音频功率放大器。HA1392的静态电流很小(36mA),在小电流下交越失真极小。它的内部设有音频静噪电路,在5mA静噪控制电流下可获得60dB静噪抑制比。由于本身的散热片与内电路的“地”点相联接,因此可以直接安装在整机底壳上无需另加绝缘。HA1392内部由两个独立的功率放大器及静噪控制电路组成。图1是HA1392双通道工作的典型应用电路。图2、图3、图4分别是HA1392在双通道工作时的频响曲线、失真曲线和功率曲线。HA1392典型工作时的电参数见表1,极限参数见表2。外形尺寸见图5。

表2
参 数 额 定 值
电源电压V\(_{cc}\)20V
输出电流 4A
耗散功率 15W
结温 150℃
图6是用两只HA1392和一只BA328构成的带有音调控制的立体声扩音机电路。功放部分每声道使用一只HA1392,将内部两个独立的功率放大器接成BTL形式,在8Ω负载上每路能获得22W音频功率。2脚为信号输入端。7脚、12脚为输出端,可以直接连接扬声器。C\(_{18}\)、C19为自举电容,C\(_{16}\)、C17为反相直流退耦电容,C\(_{15}\)为纹波抑制电容,C20、C\(_{21}\)为相位补偿电容。R12为输入电阻。R\(_{13}\)为增益控制电阻。右路各对称元件作用相同。

BG\(_{1}\)(BG1')及相关阻容元件共同构成衰减式音调控制电路,对高音、低音均有±20dB的控制能力。
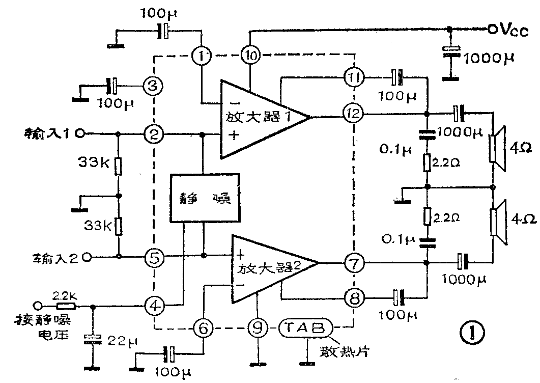
该扩大机的前置均衡放大器由一只BA328担任,其外型和内电路分别见图7、图8。BA328的特点是电源电压范围宽,内接偏置电路,外围元件少,开环增益高,噪声就低,有优良的双通道平衡特性,动态范围很宽。C\(_{1}\)为输入耦合电容,C4为输出耦合电容,C\(_{3}\)为交流旁路电容,C22和R\(_{4}\)组成纹波滤波器,C5、R\(_{3}\)、R2共同组成频率均衡网络,R\(_{1}\)为反馈电阻,改变R1阻值可以改变电压增益。BA328的输入灵敏度很高,CK\(_{1}\)、CK1'可以直接输入录放磁头信号或话筒信号,输出电压最大可达1.5V。BA328输入端折合噪声电压约1.2μV,串音电平为-65dB,谐波失真为0.1%(输入300mV)。CK\(_{2}\)、CK2'可以输入其它直响设备的线路输出信号(260mV)或电唱机晶体唱头的输出信号。


图6原理电路中的元器件,包括音量音调电位器及整流元件在内全部安装在图9所示电路板上。焊接之前应仔细检查晶体管及阻、容元件的质量,只要元器件合格很容易装配成功。焊接时最好先焊接阻容元件,最后再焊接集成电路。焊接集成电路时电烙铁外壳要接地或拔下电烙铁插头焊接,避免损坏集成电路。最好先焊集成电路的接地端,再焊正电源端、输出端、反馈端,最后焊输入端。插孔CK\(_{1}\)、CK1'、CK\(_{2}\)、CK2'至电路之间的连线最好选用金属屏蔽线,以避免感应噪声、交流声或自激。由于HA1392的供电电压较高,因此IC\(_{2}\)、IC3必须加散热板,散热板总体积应不小于180×100×1.5(mm)\(^{3}\),将IC\(_{2}\)、IC3固定在金属底壳上也可,切忌未加散热板急于试机,以避免功放电路损坏。

整流二极管D\(_{1}\)~D4可选用2A、50V的整流管。为保证在额定功率下低频大信号不产生失真,电源变压器应有足够的功率余量、电源内阻尽可能小。为此我们选用进口E形硅钢片(14000高斯),截面积为22×32(mm),初级线包用φ0.25mm高强度漆包线绕1300圈,次级用φ0.9~φ1.0mm漆包线绕90圈,次级交流电压为15V。电容滤波,直流电压约20V。使用国产硅钢片应适当增大铁芯截面积。
试机时如发现自激应弄清楚是功放级自激还是前置级自激。如果是前置级自激,可以调整R\(_{1}\)(R1')阻值,阻值增大BA328增益降低,自激便可消除。如果功放级自激,可增大R\(_{13}\)(R13')、或C\(_{16}\)(C16')的数值,也可在HA1392的9、10脚之间并接一只0.1~0.33μ的电容,自激便可消除。调试时切不可使HA1392的输出端7、12脚碰“地”或碰正电源,以防烧毁功放集成电路。
单声道12WBTL扩音板
LA4125也是一种进口双功放集成电路,采用20脚双列直插式塑料封装结构,外形尺寸见图10。其特点是内部有两个独立的功率放大器,可做双通道使用,也可接成BTL形式。该电路外围元件十分少,内部设有静噪电路,纹波滤波电路,通道分离度优良,输出功率大。性能稳定。

图11是用LA4125接成BTL形式的扩音机电路。该扩音板可以输出12W音频功率。由于外围元件很少,因此将扩音电路及整流元件连同电源变压器等全部设计在图12所示的印制板上。因此十分适宜当作“音箱放大器”,将扩音板安装在音箱内部,只将交流电源引线和信号输入线置于箱外,使用起来十分方便。


图11中的C\(_{2}\)、C3是反馈电容,它决定最低截止频率,容量不宜过大。C\(_{5}\)、C6为自举电容,容量不宜选得过小,否则使低端频响变坏。C\(_{4}\)为滤波电容。C8、C\(_{9}\)为相位补偿电容。如不自激也可以不使用。整机由D1、D\(_{2}\)组成全波整流供电。考虑到作为音箱放大器一般是由电唱机晶体唱头及收音机、录放机的耳机插孔或外接扬声器插孔引出信号直接推动,故在放大器输入端设置了R1、R\(_{2}\)、R3组成的分压式衰减电路。根据不同信号源改变它们的阻值以改变衰减量。
该扩音板的电源变压器铁芯使用进口硅钢片(14000高斯),截面积为18mm×25mm。初级用φ0.16mm高强度漆包线绕1900圈,次级用φ0.51mm高强度漆包线绕110圈+110圈(12V+12V)。当使用国产硅钢片(8000~10000高斯)时,铁芯截面应适当加大,圈数也应适当增加。该扩音板使用当中集成电路发热是正常现象。使用完毕务必将交流电源切断,以防长时间通电损坏机件和浪费电力。
为方便读者制作,广东省普宁占陇天声电器厂向读者供应上述两种扩音板套件,邮购办法详见本期第48页。(广东省普宁占陇天声电器厂)




