1.稳压管是运用在反向击穿区的。有人会问,反向击穿后管子不就损坏了吗?
2.小王制作的电子琴颤音器为—RC移相振荡器,当将其输出端接到主振级时,颤音器就不振荡了。检查主振器工作正常。这是什么原因,如何解决?
3.把220V、100W和220V、25W的两只灯泡串联起来,接到220V的交流电源上,如下图,请问哪一只灯泡的实际功率大?

4.现有LA20—2H按钮两只,1.5V玩具直流电机一个,电池一节和接线若干,请你组装成一个控制电路。要求按下按钮K\(_{1}\)时,电机正转;按下K2时,电机反转,K\(_{1}\)、K2都按下或都不按下时,电机不动。
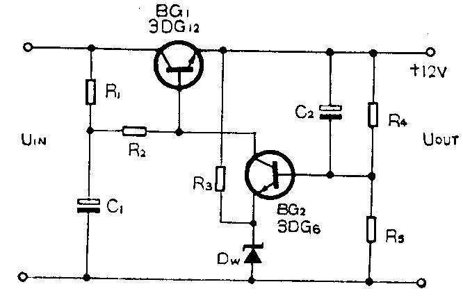
5. 在下图所示稳压电路中,有人通过选用电压温度系数很小的稳压管D\(_{W}\)(如2DW7)来减小输出电压的温漂,你认为这种做法对吗?

想想看答案
1.晶体管PN结的反向击穿分为电击穿和热击穿两种。电击穿的过程是可逆的,即当PN结的反向电压降低后,晶体管可以恢复原来的状态,但这必须使PN结的反向电压和电流的乘积不超过其耗散功率,若超过耗散功率,PN结将会发热直至烧毁而发生热击穿。由此可见,热击穿的过程是不可逆的。
稳压管在正常工作时,其PN结的功耗是控制在允许值范围内的,所以产生的是电击穿,稳压管是不会损坏的。
2.当颤音器与主振器连接后,其负载加重使电压增益下降,振荡条件不能满足,造成振荡器停振。
这时可将颤音器中的三极管换一只β值大的管子来解决。但这时,颤音器的输出波形可能变坏,使得颤音生硬。最好是在颤音器和主振器之间加一级射随器。这样,既可使颤音器不因带载而停振,又可使输出波形较好,调制的颤音也很柔和。(以上苏长赞)
3.我们知道,串联电路中通过两只灯泡的电流相等,灯泡两端的电压与灯泡的电阻成正比。所以我们必须先分别求出两只灯泡的电阻,然后根据灯泡两端的电压,计算出它们的实际功率。步骤如下:
∵P=IU=\(\frac{U}{R}\)U=U\(^{2}\);R,∴R=U2P于是
R\(_{L1}\)=\(\frac{(220V)}{^{2}}\)100W=484Ω,RL2=(220V)2;25W=1936Ω
U\(_{L1}\)=\(\frac{U}{(R}\)L1+R\(_{L2}\))·RL1=220V;484Ω+1936Ω×484Ω=44V
U\(_{L2}\)=U-UL1=220V-44V=176V
P\(_{L1}\)=U\(^{2}\)L1/R\(_{L1}\)=(44V)2/484Ω=4W
P\(_{L2}\)=U\(^{2}\)L2/R\(_{L2}\)=(176V)2/1936Ω=16W
由此可见,串联后它们的实际功率虽都小于额定功率,但相比较,还是25W的实际功率大。(薛志群)
4.组装成的控制电路如下图所示。当按下K\(_{1}\)时,由于电机左边接电池正极,右边接电池负极,所以电机可以正转。当按下按钮K2时,由于电机右边接电池正极,左边接电池负极,故电池可以反转。当K\(_{1}\)、K2都按下或都不按下时,电机两端所加电压极性相同,故不转动。此电路可用于控制窗帘的开、闭或控制电动玩具的前进、后退。(马哲学)

5.在图示稳压电路中,靠选用电压温度系数很小的稳压管来减小温漂是不合适的。这是因为在图示电路中输出电压的温漂不仅与D\(_{W}\)的温漂有关,而且还与三极管be结压降Ube2的温漂有关。要使输出电压U\(_{out}\)不随温度变化,就应使UDW+U\(_{be2}\)不随温度变化。由于Ube2的温度系数为-2.2mV/℃左右,要想使U\(_{out}\)的温度漂移小,则要求稳压管的电压温度系数为正,且为2.2mV/℃左右。这就是说:只有当稳压管的温度系数与Ube2的温度系数大小相等,符号相反时,才能保证输出电压的温漂小。
在该电路中,若选用2CW14或2CW15用来稳压,比选用2DW7好。这是因为2CW14的电压温度系数刚好约为2.2mV/℃,正好可以抵消三极管be结压降的负温度系数。(朱小华)