(王绍源 常诚)我们用BH4100集成功率放大器,试制成功了一种很实用的集成电路有线对讲机,这种对讲机小巧美观,外形见题头。经使用声音宏亮、清晰,在20平方米的房间内处于任何位置都可以听到说话声。该机有效通话距离约300米左右,除了可作为儿童玩具外,还可作为机关单位的直线电话、高层楼房单元间家用通话及不便行动的病员呼唤看护使用。这种对讲机还有一个很好的优点是随时都可通话,比某些需约定好时间才能通信的对讲机使用起来方便多了。本机耗电很小,机器不用时不耗电,大大延长了电池的使用寿命。
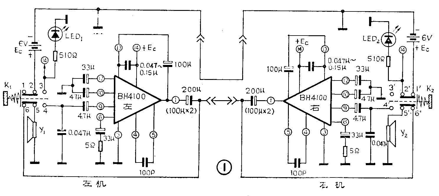
该机采用的BH4100功放块,是一种14脚双列直插式封装的集成功放电路(也可选用TB4100、LA4100等型号的),标志点处是第14脚。图1为DJ-1型有线对讲机的电路图。左机的电源+E\(_{C}\)接到开关K1的2端,电源负极接公共地端。当左机开始说话时,按下直键开关K\(_{l}\),此时电源通过K1的2、3端接到集成块的第14脚,电源接通,发光二极管LED\(_{1}\)有显示。此时使用者开始讲话,由扬声器Y1拾取声音信号后,通过K\(_{1}\)接点4及4.7μ电容加到集成电路第9脚(输入端),经BH4100放大后,由第1脚输出放大后的信号。此信号经200μ电解电容送到机壳上的输出插座处。由插座处输出的信号经外接传输线送到右机。经右机上的开关K2的接点6′和5′加到扬声器Y\(_{2}\)两端,Y2开始发声。

右机回答时,左机开关K\(_{1}\)应复位,按下右机上的开关K2。从左机的Y\(_{1}\)中就能听到右机的回答声。原理同上。这样就达到了相互通话的目的。本机双方都可以主动呼叫对方。
本机对集成块的外围元件要求不太严格,一般业余品都可以采用。输入电容47μF、输出电容200μF要求质量要好一些,漏电不要太大。集成块第12脚、第10脚所接的电解电容起去耦滤波作用。第13与第14脚之间所接的0.047~0.15μF电容用来消除扬声器在高频时所呈现的感抗,以防止产生自激振荡。第13脚上所接的100μF电容是自举电容,容量可稍取大些,用以提高电路的低频输出功率。第6脚上所接的33μF电容起隔直流作用,它的容量大小对电路的低频增益有影响。容量大时增益高,容量小时增益低。所串5Ω电阻起反馈作用,电阻值越小,整机增益越高;加大此电阻阻值,可使电路工作更稳定,但增益会降低。第4、5脚之间所接的100PF电容起消振作用,防止加入负反馈后产生自激。调试时如果产生了自激可将此电容加大到180~470PF,直到消除自激为止。图中的0.047μF电容起旁路高频信号的作用,以消除杂波信号干扰。
图1电路的电源电压为6伏。扬声器采用2英寸8欧的,也可选用阻抗为4欧的,输出功率约为500mW左右。如果声音含糊不清,可将电路的通频带适当调窄一些,方法是将接在第9脚上的4.7μF输入电容减小到1~2.2μF即可。图2为印刷电路图,可供参考。

附表中所列数据为集成块各脚对地的电压值,可供调试时参考。
集成块各脚位置 1 3 4 5 6 9 10 12 13 14
对地电压值(V) 3 0 4.3 0.8 6 2.9 3.1 5.8 6 6
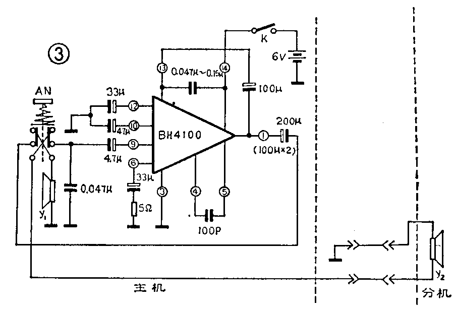
图3是仅用一块机芯板的分机被动式DJ—2有线对讲机,它分成主机和分机。主机控制对讲,分机实际上就是一只扬声器。

在主机壳体的左方设置一个钮子电源开关,需要通话时,扳动开关接通电源,按下主机上的按钮即可向分机说话。松开按钮AN后,可听到分机的答话。不通话时将电源开关K断开。
此机通话要由主机控制,分机不能主动呼叫主机,所以才叫分机被动式对讲机。它的优点是比DJ—1型机省去了一块机芯板,造价下降,用于中枢指挥的场所时使用很方便。
该机已由北京机床电器厂劳动服务公司组织生产,有关邮购消息请见本期第48页。