〔例1〕故障现象是:行能同步,画面垂直方向上下翻滚,调节帧同步电位器,无同步点。
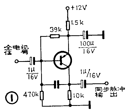
按常规方法判断,该故障的发生部位可能是场积分电路的二极管开路或电容器漏电,还有一种可能是场振荡变压器初级线圈开路。经检查上述电路中的有关元件均无损坏。再继续检查AFC电路,各元件也无损坏,只是发射极电压在有同步脉冲时为0.3V(正常应为0.6V),同步分离级各点的直流工作电压都正常,均符合图标要求,从上述各项检查情况看,故障的疑难点仅有AFC放大管发射极电压略低一处,而该点的动态电压值直接反映了同步分离电路输出的同步脉冲的幅度,因此,在同步分离级直流工作点正常的前提下,应对其交流工作状态进行检查,具体电路如图1所示,先看同步分离级输入端和输出端的耦合电容,这两个电容如果损坏了,将会阻碍信号的传输,不会只影响帧同步而不影响行同步的,因此这两个电容出故障的可能可以排除。在同步分离管发射极对地还有一个电解电容,其作用是使该管发射极交流接地,如果此电容失效或开路,就会导致该级的交流工作点上移(对地而言),使分离脉冲限幅,由于分离出来的同步脉冲对行同步是经过AFC电路进行间接控制的,而对于帧同步是直接控制的,因此,当分离出的同步脉冲被限幅后,对行扫描电路的影响只是同步范围变窄,而对帧扫描电路,又经过积分电路,就失去了控制作用,这样就形成了上述故障现象。检修时,在同步分离管的发射极与地之间并一个好的电容,则故障排除。

〔例2〕故障现象是:图象伴音正常,当转换频道时,出现行失步现象,调节行同步旋钮,周步范围很窄,并且稍一调节,光栅亮度降低,光栅在水平和垂直方向均收缩,并伴有较低的行频叫声。
根据故障现象,先从排除行同步不良入手,调节帧同步旋钮,观察帧同步范围,结果同步范围正常。再检查行振荡级,行激励级、行输出级,结果各级工作点均正常,元器件也无损坏。这时再调节行同步旋钮,在故障现象出现时同时监测行输出级的提升电压,发现:当行频稍微调低,提升电压即降为20V左右,100V的中压降为65V左右,12V供电电压降为9V左右。因此,怀疑电源电路有问题,具体电路如图2所示。断开行激励级,测量12V电源输出端电压,电压由9V回升到11V左右,调节取样电位器,电源输出电压无变化,同时测量取样放大管基极,电压变化极微,焊下取样电位器,发现电阻膜片两端接点中有一端开路了(图2电路中取样,电位器W的下端)。在这种情况下,取样管的基极还有直流偏置,但是基极的直流偏置已发生了变化,使输出电压略有降低,当行频调低时,行输出级电流增大,电源直流输出电压下降,而取样管又不能把输出电压的变化再反馈回去,因而得不到稳压调整,这又导致行频进一步降低,因此形成了上述故障现象。在多数黑白电视机中,为了降低成本,多采用胶木片微调电位器,这种电位器中与电阻碳膜接触的三个触点,由于长期暴露于空气和灰尘之中,极易氧化变黑,造成电位器接触不良或开路。这个问题在维修工作中,应引起足够的重视。

〔例3〕故障现象:图象水平方向大幅度扭曲,垂直方向扫描线被拉开,伴音中伴有很大的哼声。

根据故障现象,首先考虑故障是直流供电电压中交流纹渡过大引起的。在电源电路中,一般来说,如果整流部分正常,稳压部分有故障,不会使输出电压中的交流成分增加多少;而稳压部分正常,整流部分有故障。则输出电压中交流纹波会增大。因此,应着重检查整流滤波电路。具体电路见图3。经检查,整流二极管无损坏,而测量整流电路的输出电压为17V,比正常值19.5V偏低,估计是滤波电容漏电所致,拆下滤波电容(3300μF/25V),用万用表R×10KΩ档检查,电容充放电正常,并无漏电或短路现象,将该电容重新装上,故障如故。经过分析,决定再把滤波电容拆下,用CQ—1型电容电桥对滤波电容进行测量,发现,当被测电容器两端的直流电压加到20V时,其容量下降为3~4μF,可见,故障原因是由于电容器老化,介质耐压降低造成的。当用万用表高阻档测量大容量电容时,由于表内阻较大,充放电时间较长,不易观察出异常现象,另外,一般500型万用表,低阻档端电压仅有1.5V,高阻挡(R×10Ω)也只有15V,所以无法测出其真实情况,这一点在用万用表辨别电容器好坏时,应引起注意。
另一个要注意的问题是:当遇到电源纹波过大故障时,若场扫描电路是使用集成电路的(如KC5811),在检修时,应先断开集成电路的直流供电端,待故障排除后,再接通电源,否则,很容易损坏场扫描集成电路。
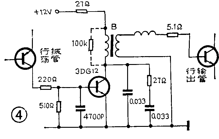
〔例4〕故障现象:图象伴音正常,光栅亮度低,而且亮度时而增强,时而又减弱,屏幕中间有两条垂直的黑细线,打开机壳发现行输出管发烫。

从故障现象分析,象是行输出级负载过重引起的,但测量提升电压27V正常,行振荡级、行激励级工作电压均正常,将行激励信号断开,行输出管集电极电压为11.5V,可以断定,行输出电路的各直流通路无短路现象,各电容器无漏电现象。将行激励信号加上,又重复上述故障现象。因此,应重点检查行激励电路,具体电路如图4所示。检查行激励级谐振和阻尼电容器无损坏现象,用一个100KΩ、1/8W的电阻并联在行激励变压器B的初级,屏幕中间的黑细线明显减弱,行输出管的温度明显下降,进一步减小并联电阻(51KΩ),黑细线消失,但光栅幅度缩小,亮度更低,出现激励不足现象,根据这个试验,怀疑是行激励变压器的故障,断开并联电阻,用示波器观察行输出管基极的行激励信号,发现在行正程脉冲的中部有数条幅度两倍于正常脉冲幅度的尖刺脉冲,并且行逆程脉冲也严重畸变,换下行激励变压器,发现引出线布满绿斑,铁芯外部锈蚀严重。这是由于变压器在制造时浸漆未透所造成的,更换新的变压器后,故障排除。(谢梅林)