进口带遥控装置的彩色电视机通常具有自动关机功能,的确给用户带来不少方便。例如北方的小城镇或农村,在严寒的冬天,人们习惯坐在床上或炕上看电视,当电视节目结束后要起来关机很不方便。有时看着电视睡着了而未能关机等,都会造成用电浪费和影响电视机的寿命。有自动关机电路时,在电视节目结束后10秒钟内将电源关闭,确是方便不少。这里介绍一种自动关机电路,可以安装在晶体管黑白电视机上,有兴趣者不妨一试。
自动关机电路原理
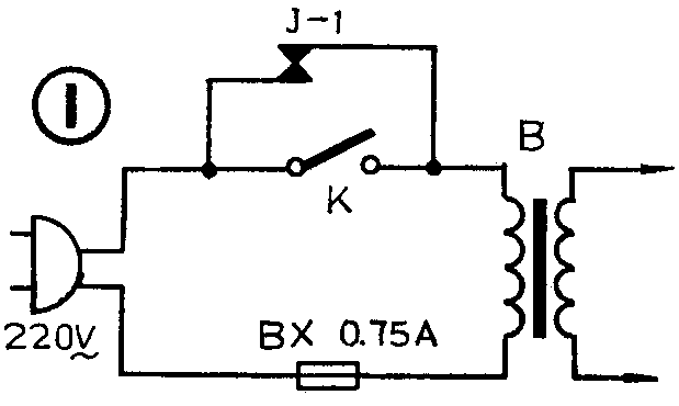
电视机自动关机的安装电路如图1所示,图中K是电视机的电源开关,它是一个自锁式按键开关或是附在音量电位器上的推拉式开关。J—1是继电器J的常开触点,接在电源变压器初级回路与电源开关K并联。

继电器接在控制电路内,当有电视信号时继电器动作,使电视机进入自动关机状态。当电视信号结束后,继电器J释放而触点J—1处于常开状态,使输入交流电源电路自动断开。
控制电路工作原理
控制电路原理图如图2中虚线框内所示,它的输入信号引自电视机预视放级的输出端A点。BG\(_{1}\)为输入控制管,当没有电视信号输入时,从图中标出的BG1各极静态工作电压看出它处于饱和导通状态,其饱和深度由电位器W\(_{1}\)和W2调节。二极管D\(_{1}\)是起隔离作用的,防止BG1管工作状态的变化对电视机预视放级产生不必要的影响。BG\(_{2}\)是射级输出器,具有电流放大和对前后级起隔离的作用,从图中所标的各极静态工作点看出它处于放大状态。BG3是输出执行级,从图中所标的各极静态工作电压看出它处于截止状态,串接在BG\(_{3}\)集电极的继电器J不动作。

由于电路设计得使BG\(_{1}\)管工作状态的转换由行同步脉冲控制。因此当输入电视信号后,在行同步脉冲持续期间,A点电位很快下降到 4V左右。Vb1也下降到1.96V左右,BG\(_{1}\)开始退出饱和区而进入放大区,此时Vcl上升到1.85V,二极管D\(_{2}\)由截止变为导通,电源+12伏通过R4向C\(_{3}\)充电。当行同步脉冲过去后,BG1又进入饱和状态而D\(_{2}\)又截止,则C3上的电压开始通过R\(_{5}\)、BG2发射结以及电位器W\(_{3}\)放电。由于充电时间常数(τ充≈2ms)比放电时间常数(τ\(_{放}\)≈10ms)小的多,所以电容器C3上充的电荷能不断地积累起来,而每个行同步期间都在充电,因此经过若干行使C\(_{3}\)多次充放电以后,C3上电压很快接近BG\(_{1}\)集电极输出的脉冲电压的峰值,如图3所示。在这样高的电压作用下,BG2发射极输出的直流电压V\(_{e2}\)可达1伏以上,足以使D3和BG\(_{3}\)导通,而使继电器J有足够的电流通过而动作。

为了防止在接收过程中出现临时信号中断(如转换频道时)而造成自动关机的误动作,加入C\(_{6}\)和R8而达到延时关机。延时时间的长短由R\(_{8}\)与C6的数值决定,通常取5~10秒钟就可以了。
元器件的选取
1.电容器C\(_{3}\)在电路中,主要是对同步脉冲起滤波及平滑作用。为了保证C3放电电路的τ\(_{放}\)=10ms,C3取lμF就可以了。要求选用无极性金属膜纸介质电容或漏电很小的电解电容器。注意C\(_{3}\)取值不能太小,否则充放电太快而失去平滑作用,严重时会引起失控。
2.二极管D\(_{2}\)要求反向电阻要大(数兆欧以上),同时随温度变化小,这里选用2CK3。如果反向电阻小,相当于在二极管上并了一只电阻,这样C3放电时也会通过它的反向电阻放电,显然使τ\(_{放}\)变小而减弱了C3的平滑作用。也可以选用其它类型开关管,如2CK6、2CK84C等。
3.三极管BG\(_{1}\)工作在开关状态,被它放大的行同步脉冲幅度以及脉宽等与BG1的饱和深度有关。因此要选用饱和压降小和β高(大于150)的管子,如3DG945、3DK7等。三极管BG\(_{2}\)组成射极输出器,为了保证高的输入阻抗,也应选β大于150的管子。输出管BG3应选用额定功率稍大的中功率管,如3DX3850、3DK4和3DG12等。
4.继电器选用吸动电流小于10mA的产品,如JRX—13F—12V型继电器。
制作与调试
按图4所示的印制板图(图的比例为1∶1)做好印刷电路板。元器件按技术要求检测保证良好,再焊到电路板上,注意不要错焊和虚焊。+12V引线接到电视机+12V稳压电源输出端,地线一定要接好,控制电路输入端接到电视机的预视放发射极输出端。

调试时先把继电器J的常开触点J—l从电路脱开,另接到如图5所示的电路中,该临时电路用来代替被控电源电路,此时电路板上y\(_{1}\)与y2二点先不接通(即C\(_{6}\)暂不接入电路)。然后接通电源,高频头置空频道档,用万用表测电路中各点电压。调W2使V\(_{e1}\)≈1.43V,调W1使BG\(_{1}\)逐渐饱和导通,Vc1达到最小值近似为1.5伏。再调W\(_{3}\)使BG2的V\(_{e2}\)≈0.3V,而Vb3≈0、V\(_{c3}\)≈12V。反复几次调W1、W\(_{2}\)和W3达到以上要求。此时由于没有输入信号BG\(_{3}\)处于截止状态,继电器J不动作而小电珠不亮。再把高频头置于有信号频道,这时测BG1的V\(_{bl}\)≈1.96V,Vel≈1.27V,V\(_{c1}\)≈1.92V。测BG2的V\(_{b2}\)≈2.3V,Ve2≈1.62V,BG\(_{3}\)的Vb3很快上升大于0.7伏而使它饱和导通,此时测得V\(_{c3}\)≈0.1V。继电器J吸动而J—1接通,小电珠发亮。

以上调试完后,取下小电珠和50Ω电阻。将继电器触点J—1的两端按图1接回到电视机电源变压器初级电路,把电路板上的y\(_{1}\)和y2二点用焊锡短路,即C\(_{6}\)接入电路。调好的电路板与继电器可根据电视机内部实际位置,选择合适的地方装好。继电器触点与开关的接点要加绝缘套管,防止发生触电事故。平常看电视时,打开电源开关,经过十多秒钟再把电源开关关掉。当电视节目结束后,10秒钟以内就能自动关机。(顾志遐)