在调频收音机中,为改善接收性能、方便使用,常设置调谐指示器、自动频率控制(以下按英文缩写简称AFC)及噪声抑制等辅助电路。
一、调谐指示器
根据对调频信号频谱的分析可知,当接收机变频级差拍出来的中频载波准确地与中频选择性曲线中点相对应时,调频信号才能得到最良好的传输。如果接收机鉴频解调器S曲线的中心频率恰与中频选择性曲线中心频率相等,则此时解调波的谐波失真也最小,立体声分离度也最高。这种最佳性能的获得要求收音机必须准确地调谐在电台频率上,然而在目前广泛采用的用指针和度盘指示频率的收音机中调谐误差很大。人们仅能凭借听觉来判断调谐的准确性。如此不可避免地常使收音机处在一种偏调状态,影响接收机最佳性能的发挥。因此,采用某种方法来指示收音机是否已正确调谐,辅助使用者调准收音机是很有价值的。为了这种目的而设置的电路称为调谐指示电路。常用的调谐指示电路有两类,一种是检测信号强度法,也称最大读数法;另一种是利用鉴频器S特性法,也称零读出法。最大读数法检测中频信号是否被调谐在中频选择性曲线的峰点上,实用电路如图1所示。D\(_{1}\)、D2、C\(_{1}\)、C2、R\(_{1}\)和电平表M构成调谐指示电路。D1和D\(_{2}\)担负倍压整流,当收音机调谐准确时,限幅器前的中频载波信号达到最大值,中频载波被D1、D\(_{2}\)整流后,得到的直流电流也最大表头指示调谐状态。电路中C1为隔直流耦合电容;C\(_{2}\)为高频滤波电容,用来滤除D1、D\(_{2}\)整流后的中频纹波;R1用来调整表头的指示范围。图示电路接在限幅器前。因为限幅器前的中频载波信号电平较小,当接收机工作在中等场强地区时,该电平不过数百毫伏,故需采用灵敏度高的电平表,如50~100μA级的表头。当仅有灵敏度低的表头时,也可将调谐指示电路改接在限幅级之后,即将C\(_{1}\)改接在限幅管集电极上。但此时对中等强度以上的信号电平因被限幅器限幅,调谐指示将变得迟钝。这种用表头显示的最大读出法调谐指示器也兼有场强指示的作用,可用来相对指示收音机所接收到的广播信号的强度。大家知道,看电视时,通过调整天线的方向、仰角等可调整图象信号的强度和清晰度,这时人们凭着锐敏的视觉可以很直观地进行操作。但对于调频收音机来讲,天线方向是否使收音机所接收的广播信号达到最大却很难用听觉直观判断,这是由于收音机限幅作用使音量变化不与载波信号强度成正比。然而,收音机能在接收信号达到最强的状态下工作,将对放音信噪比、谐波失真、立体声分离度等有利(除近电台的过强信号地区之外)。所以人们另外设置有场强指示作用的显示装置,来帮助调整调频机的天线,使收音机接收到最强的信号。
在要求不高的收音机中,也可以用发光二极管做调谐指示。不过一般LED发光二极管必须有几毫安以上的电流才能发亮,因此图1中D\(_{1}\)、D2整流后的电流要加直流放大才能驱动LED。图2是一种采用LED显示的实用电路。中频载波信号由限幅管集电极引出,电阻R\(_{1}\)用来减小调谐指示电路输入电容对鉴频器初级回路的影响;C2、C\(_{3}\)和R2构成π型滤波器滤除载波纹波;BG\(_{1}\)、BG2复合管构成电子开关兼直流放大;R\(_{2}\)还用于调整BG1的导通灵敏度。当收音机调谐收到调频信号时,D\(_{1}\)、D2对中频载波进行整流,BG\(_{1}\)基极得到直流电流达到一定值时复合管导通,发光二极管D3上有电流通过而开始发光。载波愈强,D\(_{3}\)愈亮。收音机调谐准确及天线方向最佳时,D3得到的电流最大,发光最亮。零读出法的调谐指示信号是取自于鉴频器,读取S曲线中心频率与收音机调谐变频级差出的中频频率之间平均差值相对应的直流电压。两个频率如果一致,则检测端的直流电压为零;两个频率中,任一个有偏移时,则直流电压为正或负,且偏移越大,直流电压值也越高。零读出法需采用指针零点正对刻度盘中点的表头,图3所示是一种实用电路。在高级收音机中,如立体声组合机中的调频调谐器,常同时设置上述场强指示和调谐指示两种装置,也即同时采用两种指示电路。



二、AFC电路
为了改善调频机的调谐准确性,前面介绍了调谐指示器。下面再介绍一种最常用的利用收音机自身电路的方法。这种方法是在收音机内采用AFC电路,着重纠正由于收音机自身频率飘移所引起的偏调。大家知道,调频机本机振荡器的频率高达100兆赫以上,比调幅波段高得多。对于这样高的频率,当收音机电路受外来机械冲击、震动、温度变化等因素影响时,频率的绝对值变化也很大。本振频率一变,收音机必然偏调、使收音机音质变差。调频机的AFC电路是一种自动控制闭环电路,属于最简单的自动频率控制系统。它利用收音机偏调时鉴频级输出端的直流电压分量与偏调量成比例变化的特点来控制本振频率,微调本振频率恢复到收音机偏调变化前的调谐状态。控制本振频率最简便的方法是采用变容二极管。图4所示为AFC电路原理图。变容二极管通过隔直流电容C\(_{3}\)跨接在本振级LC谐振电路上,构成本振槽路电容的一部分。但它的电容量不是一个固定值,是随其端电压而变的。图中左上角画出了变容二极管的特性曲线,可见它的端电压有一点变化,它的容量即随之变化。这个端电压在图4中来自于鉴频级。图示电路工作过程如下:当收音机受震动或温度等因素引起本振频率突变或飘移时,变频级差出的中频信号频率必随之偏离原始状态时的频率。假设频率偏低,并设该电路鉴频器具有本图右上角所示的S特性曲线,则鉴频器输出直流电压分量将比原始状态升高。此电压作用于变容二极管,使它的容量减小,于是本振频率变高,中频信号频率也随之变高,向原始频率状态返回。这种返回过程是经过本振——变频——中频——鉴频——AFC电路——本振整个闭路系统多次循环作用最终恢复到原始状态的。反之,频率偏高时作用也然,在这个工作过程中有二点是应该特别提及的:首先,在前述工作过程中有一种频率抖动现象。也许有心的读者已经注意到了,当鉴频输出直流控制电压调整本振频率使中频信号频率变回到原始状态时,鉴频器输出的直流控制变容二极管的电压不也随之减小了吗?!那么,变容二极管的容量又向控制所要求的反方向变回,本振频率不也反方向“弹回”了吗!是的,是有这个过程。这个过程循环不已,造成控制电压也即本振频率的抖动。因此,必须利用RC时间常数电路来增大闭路的惰性,或理解为利用RC低通滤波器滤除控制电压的抖动。图中R1、R\(_{2}\)、C1即构成这种时间常数电路,环路开始工作时,控制电压先经R\(_{1}\)向C1充电,C\(_{1}\)再向R2放电。快充慢放,形成较为平稳的控制电压。同时,R\(_{1}\)、R2、C\(_{1}\)还有隔离鉴频器输出交流信号,不使其作用到变容二极管上去的作用。否则,本振电路受鉴频输出的低频信号调制,容易引起机震等弊病。其次,变容二极管在低控制电压作用区,Q值较低。为减轻对本振谐振槽路的不良影响,隔直流电容C3多采用小容量电容。

以上介绍的图4电路变频级采用国内常见的上差法。当变频级采用下差法,即本振频率比信号频率低一个中频频率时,鉴频级S特性曲线的极性应与图4所示相反。对此,可通过改变比例鉴频器检波二极管极性的方法获得。此时,比例鉴频器电路中的限幅电容器也要随之改变正负极的接法。对于近年广泛采用的TA7640AP等类型的集成中放电路,它的鉴频解调S特性曲线极性是固定的。将这种电路分别用于上差与下差法收音机时,可采用变容二极管加偏压的方法,改变容量变化方向。
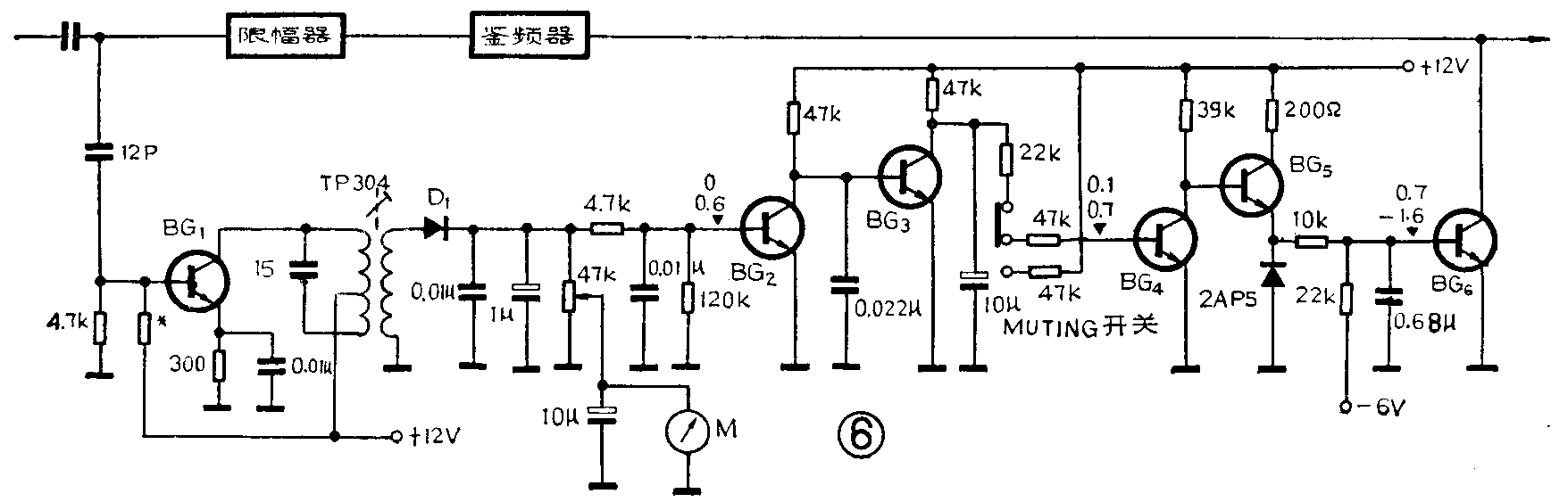
三、噪声抑制电路
在调频波段,收音机没有收到广播信号时,或调谐找台的搜索过程中,由于没有外来载波信号抑制本机噪声,接收机的放声端都会发出比一般调幅波段放声时大得多的噪声。这种噪声对于输出功率大的调频机尤其令人难以忍受。为了抑制这种噪声,有些调频机设置了噪声抑制电路,也称静调谐电路。抑制的方法一般是根据中频载波信号的有无或强弱来控制开关电路,再通过开关电路将中频信号通路或低频信号通路的某一处电路旁路,令噪声旁路或削减。图5所示为静调谐电路方框原理图的一种。框图中,中频信号从限幅器之前取出,经过一定的放大后由检波电路整流得到与载波强度成正比的直流信号,用此直流信号控制开关电路;开关电路并接在鉴频输出端。无载波信号时,开关电路处于导通状态,将噪声旁路,有载波信号时,开关电路进入断开状态,使信号通路正常工作。

图6所示是一种实用电路。中频载波由限幅级前取出,先经一级中频调谐放大器选频放大,再由D\(_{1}\)整流。得到的直流信号一路用于最大读数法的调谐指示(用表头M指示),另一路送至由BG2~BG\(_{5}\)组成的直流放大电路,最后控制开关管BG6。BG\(_{6}\)并接在鉴频器的输出端与地之间。无载波时,BG6导通;有载波时,BG\(_{6}\)截止。图中直流放大器和开关管各关键部位标出了直流电压值,下面一排的电压值为有载波到来时的数值,以供读者参考。

为了防止影响接收机收听弱场强广播信号的能力,采用上述电路时,调频机面板上多设置有静调谐开关或称静噪开关(英文标注为MUTING——哑的意思)。此开关的刀与上接点断开,与下接点连接,静调谐电路中的开关管即变成截止状态,使静调谐电路停止工作。因为,接收机接收弱信号时,常不足以推动开关管动作,这时若不关断静调谐电路,会使弱信号随噪声一起被旁路,无法收听信号。(高迺康)