(哈尔滨通江晶体管厂 徐仲晖)磁敏二极管是近年发展起来的新型“磁——电”转换器件。它可以将磁信息转换成电信号,具有灵敏度高、响应快、无触点、输出功率大及性能稳定等特点,可广泛用于磁测、无损探伤、无触点开关及其它技术领域中。
磁敏二极管的结构与工作原理
磁敏二极管的结构如图1(a)所示,它是板形P\(^{+}\)—i—N+型结构的二极管。两端用合金法作成P型和N型区;i是高纯锗空间电荷区,其长度L远远大于电子和空穴的扩散长度之和;在i区一个侧面上,制成高复合区r,其作用是增加电子和空穴在这一区域的复合几率。

磁敏二极管的外形尺寸如图1(b)所示,其中H\(_{+}\)表示正向磁场,H-表示反向磁场。图1(c)给出了磁敏二极管的电路符号,电流方向如图中箭头所示,指向P\(^{+}\)区。磁敏二极管的两条引出线中,较长引出线为正极(P+区),较短的为负极(N\(^{+}\)区)引出线。
当磁敏二极管两端加正向电压时,有从P区注入i区的空穴和从N区注入i区的电子两种载流子。器件在正向磁场H\(_{+}\)的作用下,见图2(a)所示,由于洛仑兹力的作用,两种载流子均偏向高复合区r,载流子复合率增加,i区电阻增大,i区电压降增加,使Pi与Ni结的结压降减小,导致注入的载流子浓度减小,结果i区电阻进一步增大,一直达到某一稳定状态。同时,当磁场加强时,载流子受到的洛仑兹力增大,流向r区的几率增加,i区阻值增大,当磁场大到一定程度(约3千高斯)时,i区阻值就不再随磁场强度增加而增大。

在没有磁场作用的情况下见图2(b),大部分载流子注入i区产生电流,只有很少部分在i区或r区复合掉,此时i区有固定阻值,器件呈现稳定态。
若加反向磁场H\(_{-}\),载流子在洛仑兹力作用下,均偏离复合区r,复合几率减小,i区载流子浓度增加,Pi和Ni结压降增大,促使载流子向i区注入,直到器件达到稳定态。当反向磁场增强到一定程度时,器件趋向饱和稳定态。
由于磁敏二极管在正负磁场作用下,其输出信号增量方向不同,因此用它可以判断磁场方向。
磁敏二极管的参数及特性
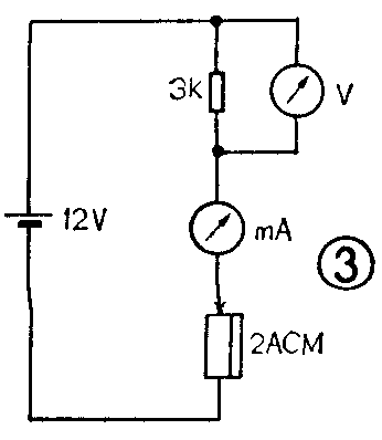
它的参数及特性测量电路见图3所示,其中磁敏二极管以2ACM为例。2ACM的各项参数及特性如下:

灵敏度——当外磁场强度为±1KGS时(1千高斯),输出端电压增量与电流增量之比称为灵敏度。2ACM的灵敏度为800mV/mA·KGS。
工作电压V\(_{0}\)和工作电流I0——表示磁敏二极管在零磁场时的电压、电流值。2ACM的V\(_{0}\)为5—7伏,I0为1.5~2.5毫安。
电源电压为12伏,功耗≤50毫瓦,频率响应≤10KHz。
2ACM的敏感特性曲线见图4,当磁场强度在+0.5~2.5千高斯范围内,器件有很好的线性度,当大于+3KGS时,器件输出电压趋于饱和。2ACM伏安特性曲线见图5;温度特性曲线见图6,在约+10℃以后,随温度升高,工作电压降低,灵敏度下降。



应用
由于磁敏二极管比其它几种磁敏元件灵敏度高、成本低,见表所示,所以在电磁测量技术、自动化技术和信息处理技术中有着广泛地应用。
种类 灵敏度 频率响应 主要特点
磁敏二 800 ≤10kHz 可判断磁场方向、性能
极管 mV/mA·KG 稳定。应用成本低。
霍尔 ≥5 ≤10kHz 可判断磁场方向,但灵
元件 mV/mA·KG 敏度低,受温度影响大。
磁敏 ≥100 ≤10kHz 不能判断磁场方向,灵
电阻 mV/mA·KG 敏度高,受温度影响大。
灵敏度高,测量范围大,
感应 ≥10\(^{4}\) ≤I00Hz 可判别方向,但制造工
线圈 mV/mA·KG 艺复杂,成本高。
在使用磁敏二极管时,为了补偿温度漂移,提高磁灵敏度,较多采用双管互补接法和桥式接法。互补接法见图7(a),实际上是将两只参数尽量一致的磁敏二极管背靠背或者面对面地重叠起来。图7(b)是将4只参数相近的磁敏二极管组成桥式接法。

在实际生产和生活中,可以应用磁敏二极管将各种变量如力、流量、速度和位移等模拟量转换成数字量,进行测量及信息处理。下面我们仅举磁电码盘式角度——数字传感器说明磁敏二极管的应用。
磁电码角度——数字传感器是由磁性码盘、检测元件、放大整形、数字换算及输出五部分组成,见图8。

磁码盘可以采用n位循环码盘,图9给出的是四位循环码盘,涂黑部分是磁体的N极,空白处没有磁体,但从磁力线角度分析,其效果与存在的S极相同。检测元件(即转换部分)是由几个磁敏二极管组成,电路见图10。经过放大整形后输出循环码。利用与非门构成的换算电路见图11,将循环码换成二进位制的数字。码盘位数越多,分辨用就越小。扩展码盘位数,可以提高精度,以适合高转数的角位移测量,这在工业中得到了广泛的应用。


