为了便于进行调频—调幅收音机、收录机的设计、生产和维修,并且让无线电爱好者学会使用音响集成电路,特此收集了国内外单声道和立体声收音机、收录机常用的优选集成电路资料,将它们的名称,型号、外形、管脚排列方法和应用电路等列成一表,供大家参考。

调频—调幅中频放大器LA1201、调频立体声解调器LA3300和LA3301、调频中频放大器LA1111P和IA1222、前置放大器LA3201,以及音频功率放大器LA4100、LA4101、LA4110和LA4112的资料已于81年第11、12期上作过介绍,这里就不再重复了。
从本期起,准备分调频头电路、调频—调幅中频放大器、调频立体声解调器、前置放大器、音频放大器、单片收音机电路,以及显示驱动电路等几个部分予以介绍。本资料并不局限于产品目录中所列的一些应用线路,还适当地增添了一些整机上较好的实用电路,以便扩展并弥补集成电路本身的不足,因此有很强的适用性。
本期介绍的八种集成电路的应用电路,除封三刊登一部分外,其余见正文内。
一、调频头电路
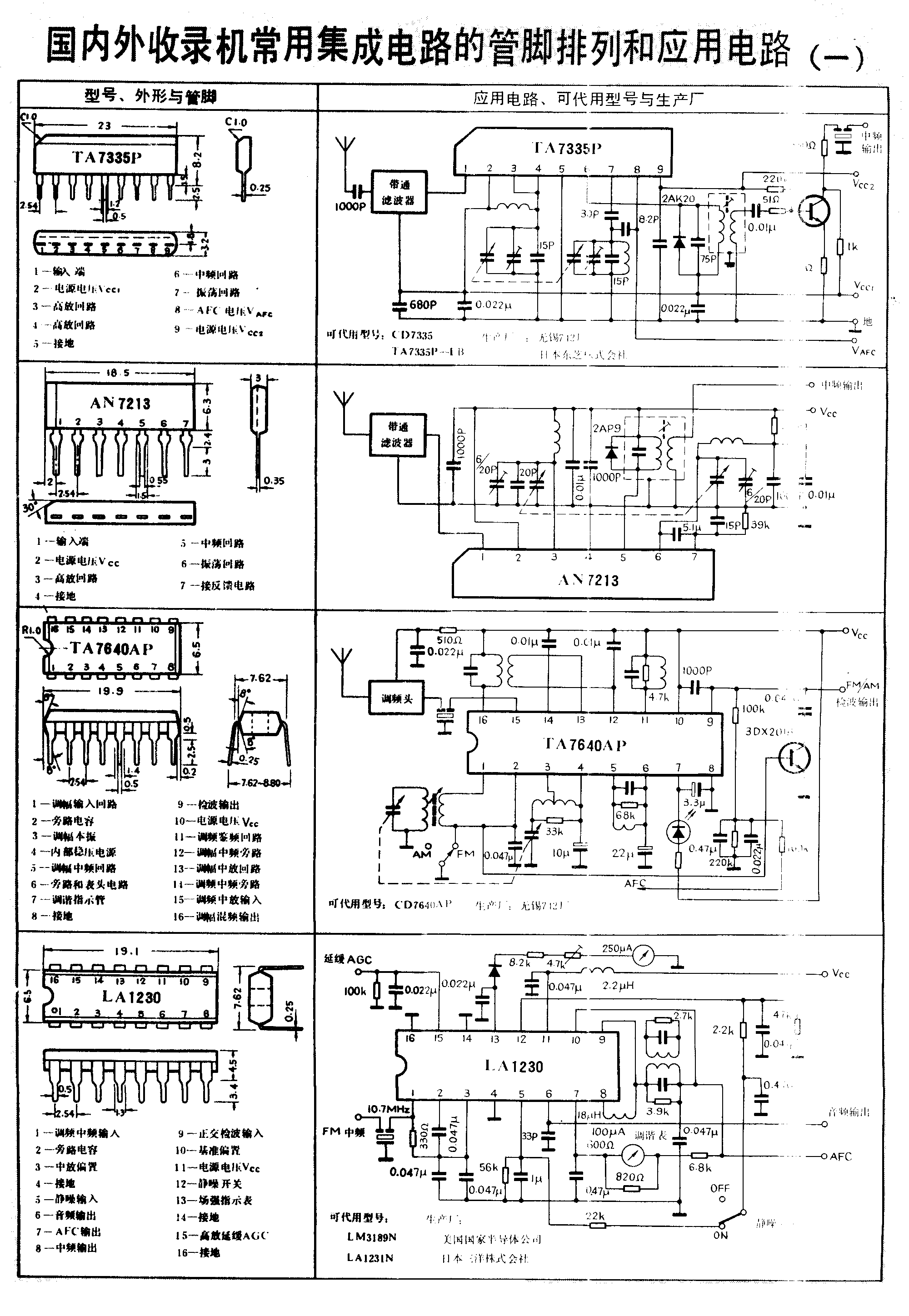
TA7335P是日本东芝株式会社生产的调频头集成电路,采用9脚单列直插式塑料封装结构。适用于一般调频收音机、调频立体声收音机和收录机使用。其内部电路包含有调频高频放大器、混频器、本机振荡器和作自动频率控制用的变容二极管,使用极为方便。其电路特点是工作电源电压范围宽(V\(_{CC}\)为2~6伏),本振的停振电压低(VCC为1.5伏),因内部具有变容二极管,可直接加入AFC控制电压,故外围元件少、易于组装、便于维修。该电路现已由我国无锡742厂大量生产,可直接代用。只要机内有空余地方也可用弯脚的TA7335P-LB(日本东芝的)代用。
AN7213则是日本松下公司生产的调频头单片集成电路,采用7脚单列直插式塑料封装结构,可用于袖珍式、便携式、台式调频收音机和收录机中。其内部电路由高频放大器、混频器和本机振荡器三部分组成。电路特点是工作电源电压范围宽(V\(_{CC}\)为2~7伏),耗电省(仅2mA左右)。与上述TA7335P不同的是其内部不含有变容二极管,因此如需加AFC时,则要另加变容二极管。
二、调频—调幅中频放大器等电路
μPC1018C是日本电气公司的产品,它采用16脚双列直插式塑料封装结构,广泛地用手便携式、台式收音机和收录机中。其内部电路包括调幅混频、本振、中放及AGC(自动增益控制)电路,以及调频中放、限幅放大部分。由于调频、调幅两大部分完全独立,相互间互不影响,因此便于分开独立设计,电路性能指标可做得较高,调频调幅相互间的干扰小。此外,其工作电源电压范围宽(V\(_{CC}\)为2.5~6伏),尤其低压性能好,调频中放增益较高(约42dB),静态功耗较低(7~8mA)。由于性能较好,自81年以来,已由北京、天津、上海和苏州等地陆续仿制生产,广泛用于国产收录机中。μPC1018C可代用型号有下列几种:①FY1018C(上海8331厂);②SF1018C(上海无线电七厂);③TB1018C(天津半导体部件一厂);④SL1018C(上海半导体器件十六厂);⑤FD303(苏州半导体器件总厂);⑥BH1018C(北京半导体器件三厂)。

为了满足国内调幅收音机生产的需要,从μPC1018C还派生出调幅中放集成电路(仅AM部分)D1018AM,专供普及型调幅收音机使用,上述大多数厂家均有生产。为了改善整机性能(如调幅抑制、俘获比等),往往另外加一级调频鉴频器更好。
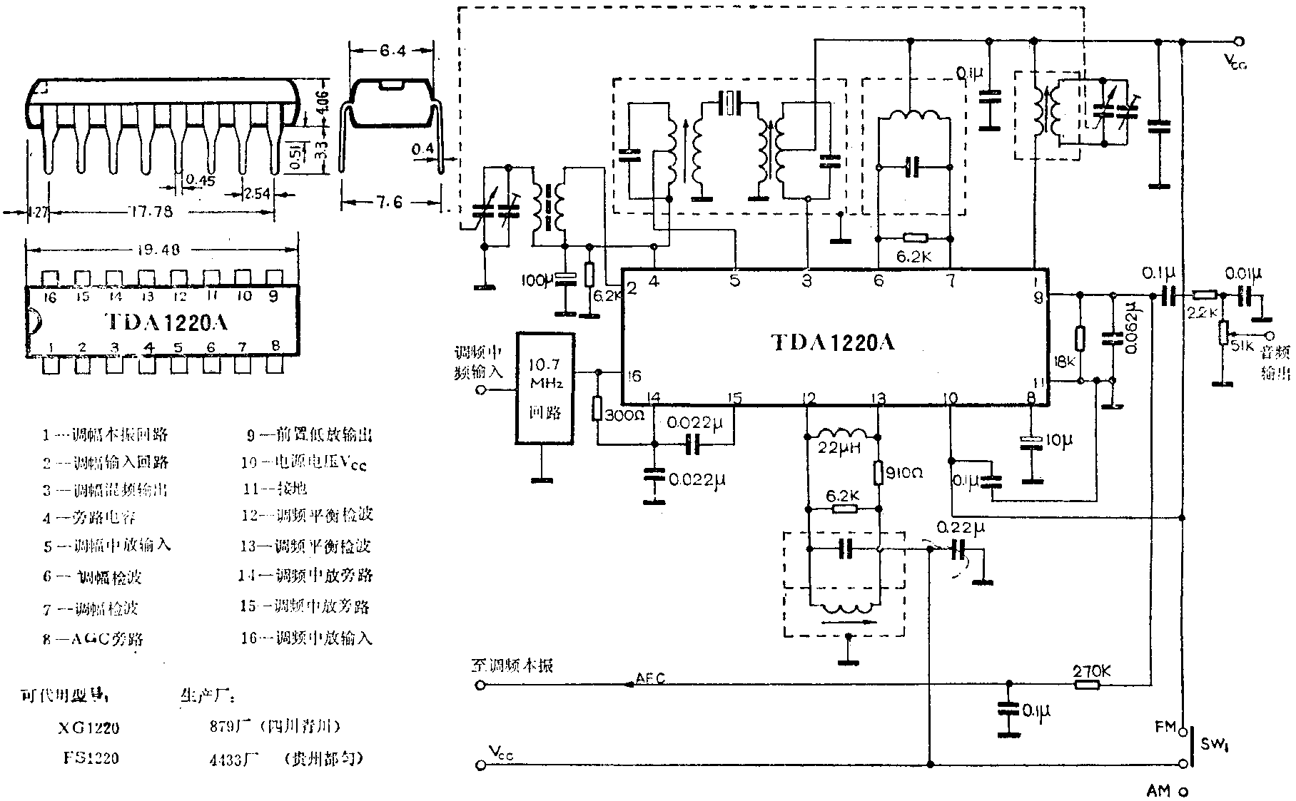
TDA1220A是西德德律风根公司的产品。采用16脚双列直播式塑料封装,广泛地用于便携式或台式收录机、调谐器或对讲机中。其内部电路包括调幅高频放大、双平衡混频器、本机振荡、带AGC的中放、平衡检波器、音频前置放大器,以及调频中放、乘法检波器和音频前置放大器。电路特点是功能多。外围元件少,电源电压适用范围宽(V\(_{CC}\)为2.8~16伏),静态电流小(仅9mA),装制成整机后灵敏度高、噪声低等。该集成电路除西德的德律风根生产外,意大利的SGAI公司也生产,我国的879厂和4433厂亦有生产,可直接代换。

TA7640AP是日本东芝株式会社的产品。它采用16脚双列直播式塑料封装,适用于便携式、台式收音机和收录机上使用。其内部电路包括调幅混频、本振、中放、检波、以及调频中放、鉴频,此外还有直流放大器,可直接驱动调谐指示二极管。电路特点是适于低压工作(3~8伏),耗电省(AM时7mA,FM时10mA),强信号输入特性好,单信号哨叫抑制能力强,由于内部具有调频—调幅转换开关,因此只需一个音频输出端,此外,外围元件少,驱动发光二极管的电流不超过10mA。该电路已由无锡742厂大量生产。

LM3189N是美国国家半导体公司生产的单片调频中放集成电路,采用16脚双列直插式塑料封装,其内电路由三级中频放大器和限幅器(每级都带有电平检波器),双平衡正交调频极波器和音频放大器组成,此外还能为高放提供延缓AGC、AFC电压、静噪及调谐表头电路,内部的稳压电路能在外电源电压在8.5~16伏变动的情况下提供较恒定的直流偏压。正因为如此,该电路极适合于在高质量的调频调谐器及专用调频接收机上使用,只需调1个线圈,便能给出较好的灵敏度、信噪比、和低的失真。根据要求还可在前两外接1~2级晶体管放大器和陶瓷滤波器,可获得更好的性能。
LA1230是日本三洋株式会社生产的单片调频中放集成电路,采用16脚双列直插式塑料封装结构,其内电路包括有6级双差分中频放大和限幅级、双平衡正交移相检波器、音频前置放大器;此外还具有对小信号和偏调时的静噪电路、由三级电平检波构成的场强表驱动电路,可使场强表的指示与信号电子(dB数)成比例,对称性好的调谐表头电路、延缓AGC电路等。它适合于高档调频立体声调谐器和收录机上使用。由于出脚与美国国家半导体公司的LM3189N和三洋的LA1231N完全一样,故可以直接代换,但外围元件要适当更动。
LA1231N与LA1230完全相同,不同的是它在集成电路内的16脚与12脚之间增加了一个电压反馈电路,其输出加到静噪电路的输入端,由外部将一控制电压加到反馈电路的输入端来控制静噪电路的开或关,因而该电路能在任意输入电平下进行静噪。而13脚上的控制电压也可作为场强表的驱动电压。此外,该电路的失真比前者小(仅0.05%),信噪比比前者高(达78dB),更适合于用在高档立体声调谐器和收录机中使用。(李泰桢)