在电子电路中,经常用到稳压管,它本身是一个晶体二极管。稳压管的外形有多种,如图1所示。在电路中常用字母DW代表稳压管,D表示二极管,W表示稳压。此管在电路中的符号如图2所示。


稳压管的基本作用
稳压管一般用硅半导体材料制成,具有一般二极管单向导电的特性,即二极管加正向电压(正极加正电压或高电压,负极加负电压或低电压)则二极管导通,有较大的正向电流;加反向电压则截止,只有很小的反向电流。当反向电压大到一定程度,反向电流突然增大,这时二极管就进入了击穿区。进入此区后,反向电流在很大范围内变化时,二极管两端的反向电压能保持基本不变,当反向电流大到一定数值后,二极管就因彻底击穿而损坏了。一般二极管是不允许使用在击穿区的,而稳压管正是利用反向击穿后,在一定反向电流范围内反向电压不随反向电流变化这一特点进行稳压的。适当控制反向电流的数值,稳压管是不会损坏的。图3是稳压管的特性曲线,图中的横坐标表示电压数值,纵坐标是电流数值,从曲线上可以看出此管的稳压值是6伏。

稳压管的种类
稳压管的种类很多,从外形上区分有金属外壳、塑料封装外壳及玻璃外壳等三种。金属外壳稳压管较为常见,如图1(a)和图1(b)所示。还有一种金属外壳稳压管与三极管外形相同,如图1(c)所示。外壳上喷有黑漆,并印有型号及极性标志。
塑料封装稳压管外形如图1(d)所示,表面颜色多为绿色或粉红色,并印有黑字的型号及极性标志。塑封稳压管的成本较低。
玻璃外壳稳压管如图1(e)所示,它的体积只有1/8W碳膜电阻的一半左右,表面不印型号,具有黑色环的一端是负极。这种稳压管是新产品,目前市场上还较少。
稳压管在工作时,反向电压(即稳定电压)与反向电流(即稳定电流或称工作电流)的乘积就是消耗在稳压管上的功率,简称功耗。功耗在1瓦以下的称为小功率稳压管,也就是通常使用的稳压管。图1(a)(c)(d)(e)都是小功率稳压管。图1(b)是大功率稳压管。
按稳压管的稳定电压来区分,从1伏到200伏的稳压管都有,常用的稳压管稳定电压在4伏到30伏左右。
稳压管的使用常识
使用稳压管时要注意稳压管上标注的正、负极、正极应接电源负极;稳压管的负极应接电源的正极,因为稳压管就是在加反向电压的状态下工作的。如果使用时,发现稳压管两端电压只有0.7伏左右,那就是极性接反了。
允许流过稳压管的最大反向电流称为稳压管的最大工作电流,用字母I\(_{ZM}\)表示。在使用时不允许超过IZM值。在稳压电源中,一般使流过稳压管的电流在12I\(_{ZM}\)左右。
三条管腿的2DW7A~C(新型号2DW230~236)稳压管,它的外形见图1(c),内部有两个二极管,工作时一个反向击穿,另一个正向导通,内部结构如图4所示。由于二极管正向导通和反向击穿的管压降随温度变化的特性正好相反,所以二者能起到温度补偿的作用。因此这种稳压管的温度稳定性能比一般稳压管好。使用时管脚1接电源正极,管脚2接电源负极。管脚3为备用脚,通常不用。当管脚1或管脚2损坏后,可以把管脚3与1或2作单个普通稳压管使用。这种稳压管的稳定电压都在6伏左右,使用有一定的局限性。

使用塑料封装的稳压管时,注意不要把管腿绕轴向转动。焊接时不要时间过长,以免损坏。
稳压管的选用
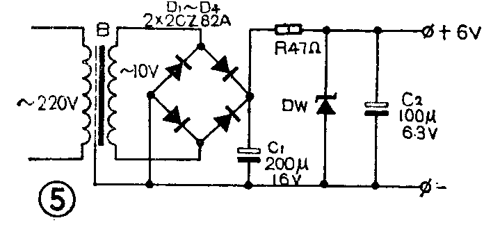
选用稳压管要根据具体电路考虑。在图5所示的简单并联稳压电源中,输出电压就是稳压管的稳定电压。当负载开路时,流过稳压管的电流达到最大,这个电流应小于稳压管的最大稳定电流I\(_{ZM}\)。例如制作一个晶体管收音机用的6伏稳压电源,最大负载电流为100毫安。这时可选用稳定电压为5.5~6.5伏,最大稳定电流为150毫安的2CW104(旧型号2CW21B)稳压管。限流电阻R可选用39Ω~51Ω的1瓦电阻。变压器次级电压为9~12伏。

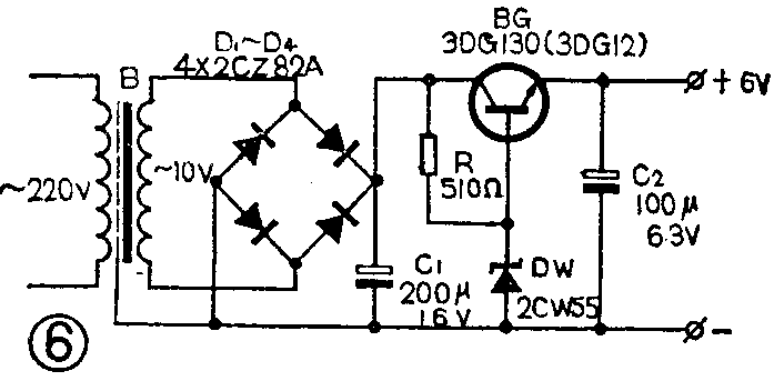
在图6所示的简单串联式稳压电源中,输出电压为稳压管的稳定电压减去0.7伏,流过稳压管的电流由电阻R控制,与电源输出电流大小基本无关。这种电源在选用稳压管时,要求管子的稳定电压大于输出电压0.7伏,对最大稳定电流没有特殊要求。例如要制作一个输出电压等于6伏、输出电流100毫安的稳压电源,稳压管可以选用稳定电压在6.2~7.5伏的稳压管2CW55(旧型号2CW14或2CW7D)。晶体管BG可选用3DG130、3DG27、3DK4等。电阻R在470Ω~1kΩ均可。变压器次级电压为9~12伏都可以。

图7所示是具有调整管和放大管的典型串联式稳压电源。稳压管起提供基准电压的作用。输出电压大小通过调节电位器W来改变。但输出电压最低不会低于稳压管的稳定电压加上0.7伏。在选用稳压管时,应注意稳定电压要低于最低输出电压0.7伏,对稳压管其它参数无特殊要求。例如制作一个输出电压为6到9伏可调的、输出电流为100毫安的稳压电源,可选用稳定电压在3.2~4.5伏的稳压管2CW52或稳定电压在4~5.8伏的稳压管2CW53。晶体管BG\(_{1}\)可选用3DK4、3DA87、3DD51等,BG2可选用3DG6、3DG201~202等。变压器次级电压在11伏~14伏都可以。

有时买不到稳定电压较低的稳压管,这时可以用普通硅二极管正向导通代替稳压管使用,效果与低电压的稳压管相差不大。例如用两支2CZ82A硅二极管串联起来,可以当作一个1.4伏的稳压管使用。将图7的电路改成图8的电路,输出电压可以从3~9伏可调。由于调整管BG\(_{1}\)的管压降加大,所以BG1最好选用3DD型大功率管。

此外,如果某稳压管的稳定电压比我们要求的稳定电压略低时,可以串联硅二极管提高其稳定电压。例如一个5.3伏的稳压管与一个硅二极管串联,如图9所示,就可以得到一个6伏的稳压管了。

小功率硅三极管如3DG6、3DG201等的b~e结、反向击穿电压都在7伏左右,利用这个结可以当7伏左右的稳压管使用。只要控制反向电流不超过5毫安,管子是不会损坏的。此管的基极作为稳压管的正极,使用时接电源负极;此管的发射极作为稳压管负极,使用时接电源正极。(吴志功)