OTL电路在音频功率放大及场输出级中用得较多,由于电路中的各管采用直接耦合,因而相互之间的牵制作用较大,这就给电路的检查及调试带来困难。用断环法检查、调试OTL电路,不仅方法简单而且效果良好。下面就有关断环的方法及调试作一介绍。
怎样断环
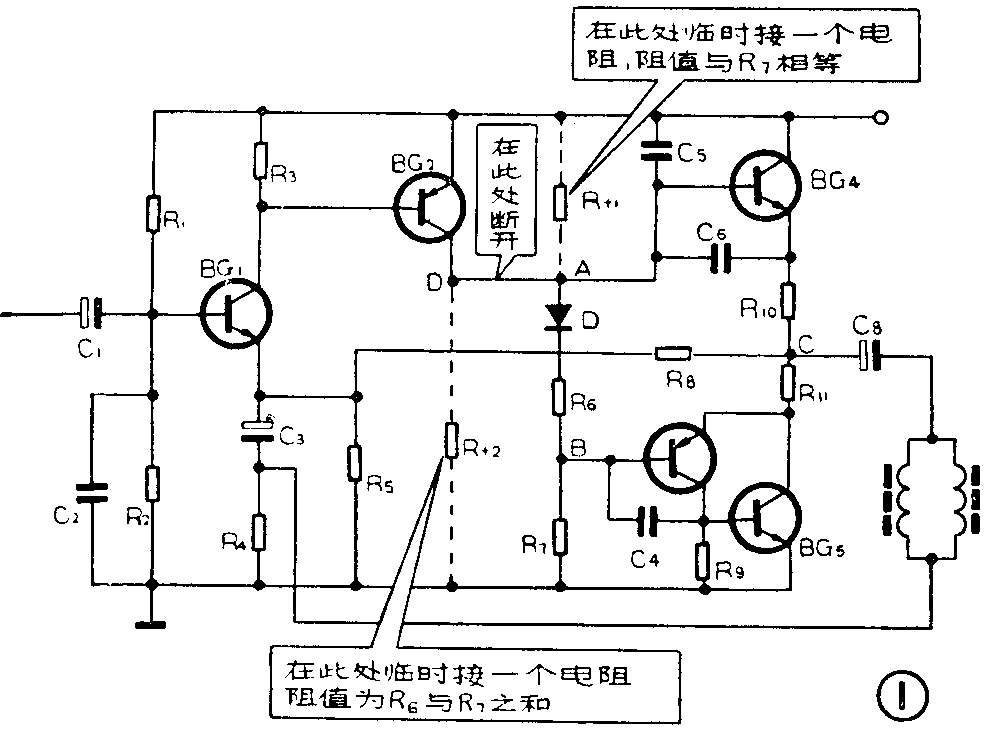
图1所示是一个准互补电路,其中BG\(_{1}\)、BG2分别为前级放大和激励级,BG\(_{4}\)为推挽输出级的上管,BG3和BG\(_{5}\)复合后等效为一只PNP管,可视为推挽输出级的下管。合理的断环部位应选择在激励级和推挽输出级之间(即图中的A、D两点之间)。具体方法是将BG2的集电极脱开,在管子的集电极引线上对地临时连接一只电阻R\(_{+2}\),其阻值应为R6与R\(_{7}\)之和;再在印制板原集电极焊点上临时连接另一只电阻R+1,其阻值应等于R\(_{7}\),其余均不必更动。这样一来,可使前后级之间的主要直流通路中断,电路的检查和调试也就十分方便了。

推挽输出级的检查
电路断开以后,输出级可以等效为图2所示电路,基极偏置完全由R\(_{+1}\)、二极管D、R6和R\(_{7}\)分压来决定。另外,由于前、后级电路中断,直流反馈通路(图1中的R8)不会再影响A、B点的电压。一旦末级存在故障,中点(C点)电压的变化就会十分明显。检查末级电路是否正常主要根据两点:一是中点电压是否等于E\(_{c}\)/2;二是末级静态电流是否在正常范围(末级静态电流是指输出管在无信号时的集电极电流。该电流由电路设计所决定,其值的选定与电路的输出功率和电源电压有关。如通常末级最大输出功率为0.5~2W,电源为12V的电路,静态电流的正常值一般在5~10毫安之间)。对于末级电路,静态电流的检查仍是十分必要的,这是因为某些故障仅凭检查中点电压正常还不能判断出来。例如,当下管的基极或集电极开路时,下管可视为开路,因上管为一射随输出级,故中点电压仍可接近A点电压,仍在正常范围,但因下管开路,末级静态电流则接近为零。

图3是末级元件异常时,所引起的中点电压U\(_{c}\)和静态电流Ic变化的例图。需要说明,有时中点电压正常而静态电流不正常,这除了元件故障外,还与A、B两点间偏置压降有关。在检查时若静态电流过大,可以将A、B两点短接,此时,如果电流下降为零,则可能为偏置压降过大而造成静态电流过大,否则说明是元件故障;如静态电流过小或为零,可适当增大与二极管串联的电阻的值,这时若静态电流上升至正常,则说明偏置电阻应调整,若静态电流仍不变,则说明元件有故障。

图3电路是将下面两复合管看作一个管子而构成一个最基本的互补电路的。实际上,由于两管复合连接后,管脚很多,则故障的种类也必然增多。在检查中,用测量管脚电压来判断管子好坏,仍感到很不方便,尤其是对于上下均用复合管时,则更不方便。为此对于上下均用复合管构成的输出电路,可以参照图4进行检查。首先断开上面两管(或下面两管),临时用一只电阻R\(_{rc}\)来代替断开的管子,作为未断开管的直流负载,此电阻的阻值为Ec/2除以静态电流。例如当中点电压为6V,静态电流为10毫安,则阻值为600欧。连接完毕再观察中点电压和静态电流,如均正常,说明被代替的复合管损坏;如仍不正常,则说明工作的复合管损坏。进一步将有疑问的复合管焊下,用万用表检查其好坏。采用此种方法,可以准确方便地判断故障出现在哪两个管中,同时也能检查出管子存在的某些软故障,如穿透电流过大等等。

末级静态电流的调整
断环以后,末级的调整主要是调整静态电流,而无须调整中点电压。这是因为断环以后,中点电压仅取决于基极偏置电路的分压比,而不像前后级正常连通时那样,在调整中既要满足静态电流,又要使中点电压符合要求。从这一点来讲,断环调整就不存在这两者之间的牵制影响了,使调整大为方便。
静态电流是通过A、B两点的偏置电阻来进行调整的。当该电阻为可调电阻时,可直接进行调整,使静态电流达到正常值。若为固定电阻时,则可用外接电位器来代替该电阻进行调整,外接电位器的阻值不应过大,一般应为固定电阻的2~3倍,以防止因调整不当而使末级电流过大烧坏管子。在调整时必须注意,不要在A、B两点间的元件处在开路的情况下通电调整,以防末级管子烧坏。
在调整中,如遇到调整偏置电阻为零时静态电流仍超过正常值,或者在阻值最大时,静态电流仍低于正常值甚至为零,则应检查与其串联的二极管是否良好及使用的管型材料是否符合电路的要求。对于OTL电路来说,要求A、B间的电压降与末级的发射结电压相吻合,因而对末级采用不同的管型材料和连接方式时,A、B两点间的压降也会有所不同。一般来说,硅材料管(不论是硅NPN,还是硅PNP管)结压降均按0.65伏计算,锗材料管均按0.15伏计算。在图1电路中,BG\(_{3}\)、BG4两管的发射结串联后与AB两点连接,而BG\(_{5}\)的发射结则不在AB两点的回路中,因而实际上是两个发射结串联。当BG3采用3AX类管,BG\(_{4}\)采用3DD类管时,则AB间的电压为0.8伏左右。对于图4电路来说,AB间接有BG1、BG\(_{3}\)和BG2三个管的发射结,因此基极压降应等于三管的发射结压降之和。通常在设计电路时,为了使A、B间的压降与其所并接的发射结电压相吻合,适当地选取串联二极管的数量及管型材料,使其压降接近或稍低于发射结的串联压降,不足的压降由串联电阻调整。在调整时,如管型材料符合上述要求,而静态电流不能调整到正常范围,则原因多为二极管的压降有偏差,可用相同材料的二极管更换。
前级电路的检查与调整
在图1中,当电路的前后级断开后,前级电路即成为两级无反馈直接耦合的放大电路。在检查和调整时,可测量BG\(_{2}\)集电极(即D点)的电压,正常时应等于所需的中点电压。通常在未调整时,该点电压会偏离得较大,这是因为电路没有直流反馈,容易使电路截止或饱和,这时可调整BG1的偏置电阻,使D点的电压符合要求。如D点电压不能调整到正常范围,或者虽调整到中点电压,而偏置电阻与电路的标称值相差过多,则说明电路存在故障,可能是晶体管的β值过高、过低,也可能是元件的质量,参数不符合要求,应该逐一检查更换。
在分级调试时,基极偏置电阻的微小变化都可使D点电压产生较大的变化。这是由于电路失去直流负反馈后所具有的特点,从而可使电路的工作点调整在最佳状态。
电路的恢复
当D点的电压符合要求后,便可拆去两个临时外接的电阻,焊好BG\(_{2}\)的集电极,电路恢复原来的状态即可正常工作。(郑诗卫)