(编者按)这组电路是从1982年全国第一届收录机,第八届收音机评比中,以及从1981年全国晶体管台式收音机音质改进样机的数百种机器中选出的比较优秀的电路,可供整机厂及业余爱好者在设计和制作中参考。
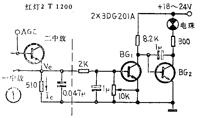
调谐指示电路
1.这是红灯2T1200收音机中的调谐指示电路。调谐越准确,变频级输入信号越大,AGC电压也越大,二中放集电极电流越小,发射极电流也越小,发射极电压也越小,使BG\(_{1}\)由导通变为截止,BG1的集电极电位升高,BG\(_{2}\)由截止变为导通,电珠亮,调谐越准电珠越亮。


2.图2原理与图1相似,但电路结构有所不同,也是一种较好电路。

3.图3是红灯2T123-B的调谐指示电路。输入电路信号越强,AGC电压↑(↑表示增加、上升),一中放集电极电流↓(↓表示下降、减少),一中放集电极电压↑,使BG\(_{1}\),BG2组成的达林顿电路由截止变为导通,电珠亮。调谐越准确电珠越亮。该电路电源由6.3伏指示灯绕组整流而得。

4.图4是红灯2T123的调谐指示电路。其特点是输入信号增大时,AGC控制电压↑,二中放集电极电流↓,发射极电压↓,使BG\(_{1}\)由导通变为截止,导致BG2由截止转为导通,指示灯亮,调谐越准确指示灯越亮。

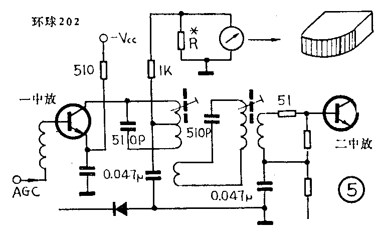
5.图5是环球202机的调谐指示电路。特点是当收音机调谐到某一电台时,AGC电压最大,一中放集电极电流最小,串接在集电极电路里的电流表指示也最小,当无信号时电流表指示最大为了看起来方便可将表头的接线对换一下,表盘刻度也改变一下,使表针指到右边时为调谐最准确。调整分流电阻可以改变指示灵敏度,也可防止过载。

6.图6是号角DL-5机的调谐指示电路。随着中频信号的增大,检波输出也增大(下正上负),使BG\(_{1}\)由导通变为截止,集电极电位升高,D2导通,BG\(_{2}\)导通,发光二极管点亮,调谐越准确越亮。

7.图7为丹桂B923收音机的调谐指示电路。其特点是控制信号取自一中放基极,输入信号↑。AGC电压↑,一中放基极电位↓,BG\(_{1}\)导通变为截止,BG1集电极电位↑,促使BG\(_{2}\)导通,发光二极管点亮,调谐越准确越亮。由于电池电压降低到一定程度时,BG2基极电位也下降,发光二极管亮度随之降低,故该电路同时也可做为电源电压的指示器。
输出电平指示电路



1.图8、图9、图10三种电路均是简单的发光二极管指示电路,其特点是电路简捷,成本低。








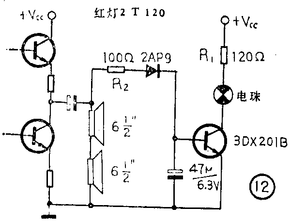
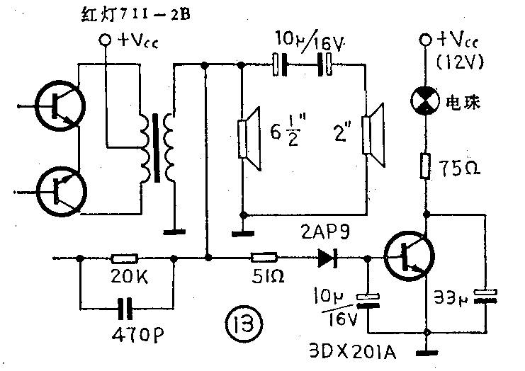
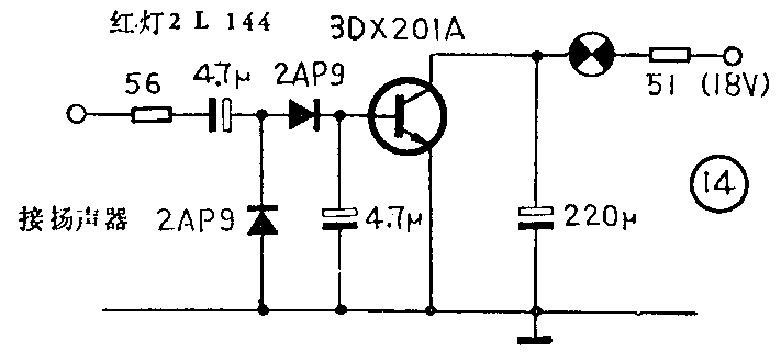
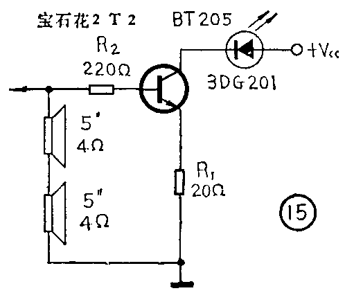
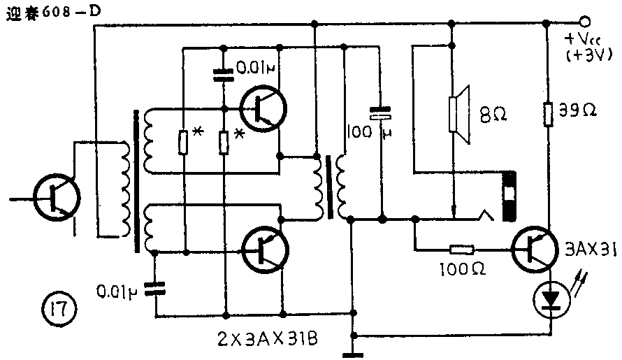
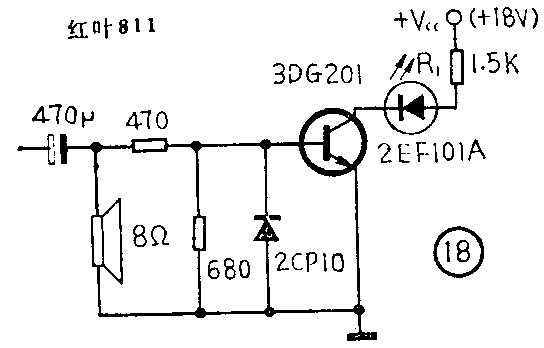
2.图11~图18均加入了放大器,从而起到与负载的隔离作用也提高了指示灵敏度。图11的激励信号取自扬声器,0.7伏时晶体管导通,电珠微亮,0.9伏时电珠已很亮。R\(_{1}\)用来调整亮度,R2用来调整启动电平。图13适用于有输出变压器的功效电路。图14的特点是增加了倍压整流,因此效率较高,动作灵敏。图15是用发光二极管取代了电珠,R\(_{1}\)起限流作用,R2用来调整后动电平。图16的激励信号取自末级发射电阻,与负载有隔离作用。图17适于低电源电压的收音机。图18适于高电源电压电路,故R\(_{1}\)也取得较大。



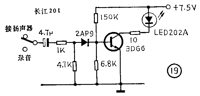
3.图19~21是几种收录机的输出指示电路,它们既能指示输出电平,也能指示录音电平。话筒录音时,发光二极管应微微发光;线路录音时应调节外部信号强度,使发光二极管将亮未亮,此时失真最小。



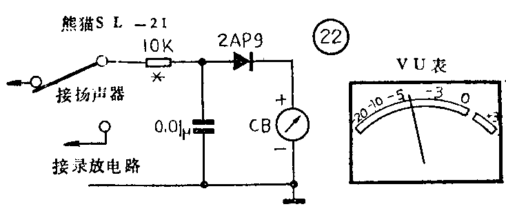
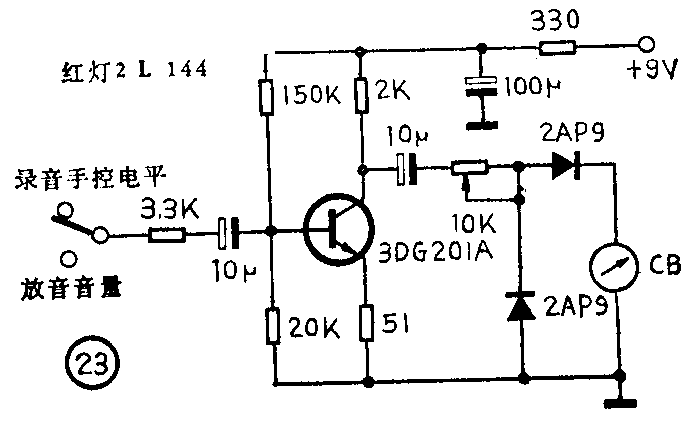
4.图22~24是用VU表的电平指示电路。放音时可指示输出功率大小;录音时需调节录音输入电平,使在最大输入电平时指针指在-5~-3dB之间,以保证录音质量。图24还可用来作调谐指示。





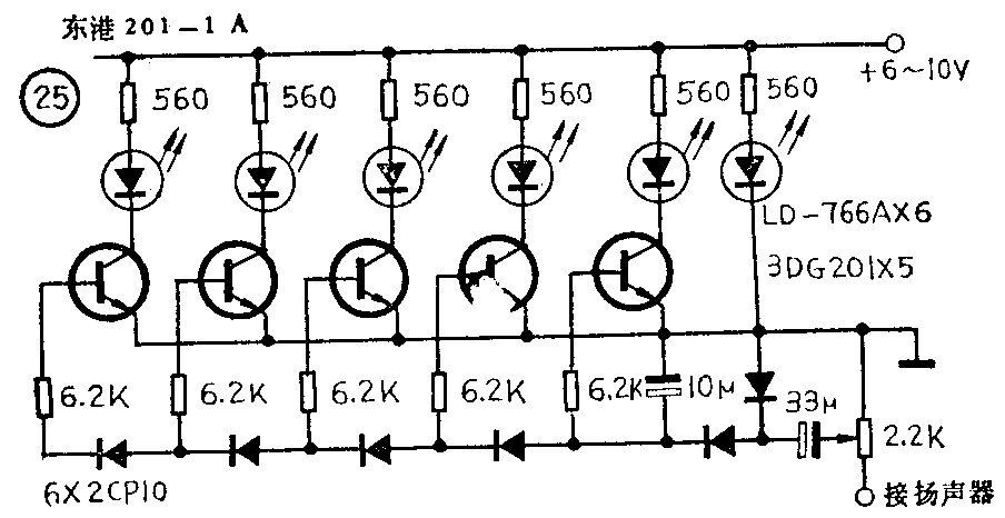
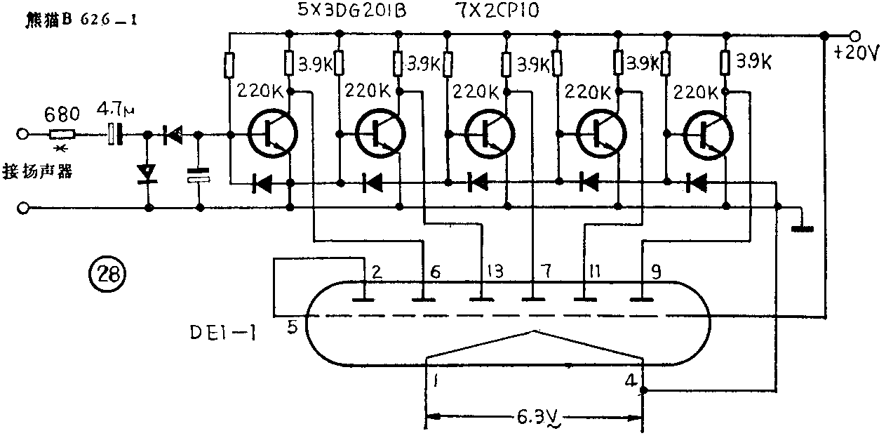
5.图25~图29是一组多发光点电平指示电路。图25是采用分立元件的多发光二极管电平指示电路。音频电压经倍压整流,当直流电压达到0.5伏时,最右边的一只三极管由截止变为导通,其集电极上的发光二极管被点亮。随着信号的增大,发光二极管一个个被点亮。图26是采用集成电路LB1405驱动的指示电路,既可做输出电平指示,也可做为录音电平指示。调节W可改变起辉灵敏度。调节C\(_{2}\)的大小可改变闪灯响应时间。图27是采用集成电路SL322A驱动的指示电路SL322A的特点是功耗低,输出电流大,工作电压范围宽。除可驱动3~7脚所接发地二极管外,还可在12~16脚再接5只发光二极管,如功放电路输出功率较大,十只二极管均可点亮。图28是用分立元件组成的驱动器驱动荧光管。当音频电压为0.3伏时。最左边的三极管截止,集电极电压由0.4伏变为15伏,使荧光管第6脚呈高电位,而被点亮。此时下一个三极管的基极电位仍为0.7伏,于是左边第一只二极管导通,信号被送到第二管。依次类推,随着信号的增大,各三极管依次由导通变为截止,荧光屏也一个个被点亮。荧光管第二脚接电源,故该屏一直点亮,可指示电源电压。本电路的特点是启动电平低。图29是用集成电路SL323驱动的荧光管指示器。SL323的特点是功耗低,输入阻抗高,整流效率高。当扬声器两端电压为1伏时,第一条线点亮;5.5伏时十条线全亮。(伟明)