目前集成运放在各种仪表、控制设备中的使用已非常普遍。有些简单电路只需使用一块集成运放即可满足要求,而一些复杂电路则可能需要两、三块甚至更多的运放级联工作。针对不同的应用场合和不同的电路形式如何合理地解决集成运放及整个电路系统的调零,将是本文重点讨论的问题。
集成运放象一般的信号放大器一样,要求在输入信号为零时,输出也为零。而运放电路也正是按这个要求设计的。但由于运放内部输入晶体管对和差分电路不可能制作得完全对称等原因,我们实际使用的运算放大器在输入为零时,其输出并不等于零。这种输出电压的偏移称之为运放的输出失调电压,把它折合到运放的输入端就是输入失调电压。这是我们所熟悉的运放的一个技术指标。为了使集成运放在输入为零时输出也为零,可以通过器件的调零端用外接电位器对运放进行调零。然而并非所有的运放电路都需要调零,要根据不同情况作具体分析。
远放电路是否都需要调零
集成运放的出现为控制电路的小型化和低成本创造了非常有利的条件,但是运放的调零电位器在体积、重量、甚至成本上都和运放本身不相上下。而且由于存在着动触点,使用电位器对可靠性也是不利的。因此只在必要时才为运放设置调零电路,那种认为每级运放都需要调零的观点是错误的。那么,哪些场合可以不必设置调零电路呢?
(1)某些非线性电路,例如图1、图2所示的方波发生器和比较器电路,由于运放工作在正、负向饱和输出状态,U\(_{0}\)=U0M或U\(_{O}\)=-UOM与器件的失调,即输入为零时其输出是否为零无关。因此这类电路均可不必设置调零电路。


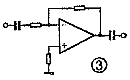
(2)前置级交流放大电路见图3。这类电路大多工作在小信号放大,即运放的交流输出幅度不是很大的情况。这时由于器件本身的失调虽使运放的输出零位偏离了与正、负电源对称的零电位,但在器件的失调和本级的增益都不是非常大的情况下,尚不致影响运放的小信号交流输出。因此也可不必对运放调零。但在交流大信号放大的场合,由于输出零位的偏移必将影响其正、负半周某半边的输出幅度,故在希望得到尽可能大的不失真交流输出幅度的场合,还是应该设置调零电路的。

(3)在某些要求不高的低增益直流放大场合,由于放大器的输出失调与放大器的闭环增益A\(_{vf}\)成比例,故在闭环增益较小,例如只有几倍或是在电压跟随器、反相器等应用场合,运放的输出失调一般均在10mV以下,这在某些要求不高的应用场合是无关紧要的。故为简化电路及降低成本可根据实际应用的精度要求不必对运放进行调零。
级联电路应如何考虑
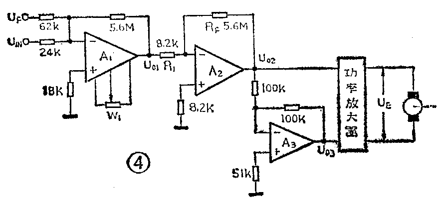
大多数控制电路往往需要两、三级甚至更多的运放电路级联组成。这类电路的精度要求很高而且要求非常小的零位输出和非常小的温度漂移。即使如此,也并不需要每级运放都设置调零电路。因为在负反馈控制系统中为保证静态精度所谓静态,是指经过“暂态”或称之为“过度过程”之后系统表现出来的精确度。要求放大器具有极高的增益,例如图4所示TZS-74低速转台控制系统三级放大器串在一起总增益高达10\(^{7}\),其中除功率放大级电压增益为70倍外,两级前置放大增益均在几百倍以上,增益高自然其零位输出电压也比较大,即使每级放大器都用电位器调零,三级串起来以后放大器总输出端的零位电压仍然很大,并不因各级放大器都调好零而呈零输出。其原因是所谓“调好零”并不意味着放大器的输出就是零,只不过是其输出已小到数字电压表有限的显示位数之外反应不出来罢了。实际上由于第一级的输出端仍然有残余的零位电压,再经过后两级上万倍的放大,输出端仍然可能出现较大的零位输出电压。由此可以看出:(1)即使每级放大器分别调好零,若干级高增益放大器串接起来后输出端仍不为零,还需要重新调零。(2)多级放大器中各级运放的零位电压对放大器的总零位输出影响不同。前级放大器的零位要经过后面几级放大才送到输出端,因此它是否真正调到零对系统的零位影响最大。而后续级相对前级来讲影响就小。因此在设计这类电路时,可以只在第一级设置调零电路。如图4转台控制电路,仅在第一级运放A\(_{1}\)设置了调零电位器W1,而后面几级运放和功率放大器均未再设置调零电路。通过调节W\(_{1}\)即可使整个控制电路的输出,即伺服电机两端电压为零。这是因为:作为控制电路整体,我们追求的是在放大器输入信号为零时,其总的输出电压UE应为零。而这时各级运放的输出电压U\(_{0}\)1、U02、U\(_{0}\)3是否精确为零无关紧要。例如第二级运放闭环增益很高,有A2=-\(\frac{R}{_{F}}\)R1=-5.6MΩ/8.2KΩ=-683。在A\(_{2}\)不调零时,即使它仅有-5mV的失调电压,在第一级运放调好零(即U01=0时),其输出失调U\(_{0}\)2也将高达3.4V左右,其影响相当可观。但如果在A2的输入端人为地加一个U\(_{0}\)1=+5mV的“信号”,即调节A1的W\(_{1}\)不是使U01=0,而是使U\(_{0}\)1=+5mV,就能补偿运放A2的失调使U\(_{0}\)2=0。同样,通过调节W1使U\(_{0}\)1达到某适当值也可以补偿后面几级的失调,从而使电路的总输出UE=0。这样设计电路不仅节省两个调零电位器,而且简化了调试过程。由于这类放大器总增益极高,因而零位的调节也将是很灵敏的,往往调零电位器阻值的微小变化会引起输出值的较大变化,通常要采用多圈电位器才能顺利地调零。

应该加以说明的是:对这类高增益的多级运放电路,即使采用多圈电位器也无法在系统开环(这类自动控制系统都是负反馈闭环系统,当系统的负反馈信号未引入输入端时放大器为开环工作状态)时调零,只有当控制系统闭环工作时,才能方便地通过调节多圈电位器使控制系统在输入为零时调零。
由于集成运放不仅有零位输出,且温度变化时其零位输出也将随之变化,这就是通常所说的温度漂移。高质量放大器均要求温漂尽可能小,以提高系统的控制精度。在多级放大器中,与零位输出的情况相似,放大器的总输出漂移也主要由第一级的漂移决定。第一级漂移越大,通过后续级对输出的影响就越大,而后几级的漂移相对来说影响就小得多。根据有关资料介绍,利用运放的调零电位器不仅可以使其零位输出调到最小,若着眼于解决温漂指标要求,也可以通过高低温实验调节调零电位器使运放的温漂减到最小,但这时运放的输出就不为零了。因此要靠在第二级同时设置适当的调零电路来调节系统的零位。这里用了两级调零电路,第一级着眼于减小温漂,第二级才是为了调零。
对没有调零端的运放电路如何调零
正因为并非所有的运放电路都需设置调零电路,为了减少集成运放的管脚数目及便于用标准管壳封装更多的运放来提高器件的集成度,目前不设置专用调零端子的内补偿多元运放已大量涌现。如与通用运放CF741对应的就有通用双运放CF747、CF1458;通用四运放CF4741、CF148、CF149。与单电源运放8FC7对应的双运放有CF158、四运放CF124等。利用多元运放可以简化印制板的设计,减小其体积、重量并降低成本。这类器件没有专门的调零端,需要对其调零时,可采用图5、图6所示的电路进行调零。


通常在精度要求较高的场合,运放电路的调零多采用数字电压表或数字繁用表,在精度要求不很高的场合,用一般的万用表调零也可以。(张国华)