本文所介绍的电路,可用来测试或指示被测电路是否处于短路状态(一般说来,如果被测的两点之间的电阻小于10Ω或20Ω,就说明已处于短路状态。电阻值越小,短路越严重)。电路图见附图,它采用一只发光二极管作为显示器,通过观察发光二极管是否发亮及其亮的程度来判断被测电路的短路情况,并可粗略估计短路电阻的大小。由于电路非常简单,所以很适合业余爱好者自行组装。

电路原理
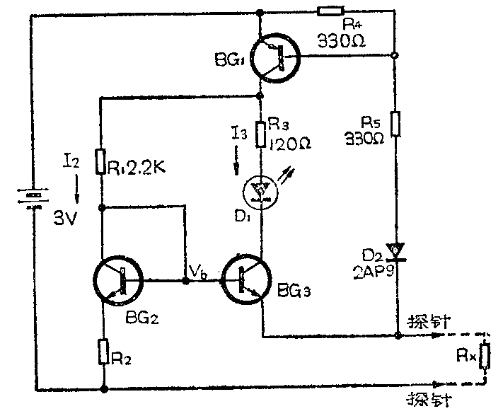
附图中,晶体管BG\(_{1}\)起一个电源开关作用。只要探针所测试的两点之间的电阻Rx在数百欧范围以内,晶体管BG\(_{1}\)就会处于深度饱和状态,相当于开关接通;反之则相当于开关断开。BG2在电路中起一个参考电压源的作用,它钳制了BG\(_{3}\)的基极电位Vb。从图中可以看到,待测电阻R\(_{x}\)也是BG3的发射极电阻,当V\(_{b}\)为一个常数时,Rx两端的电压U\(_{x}\)就直接关系到BG3能否导通和导通程度问题。而发光二极管能否发光及其发光的程度是和BG\(_{3}\)的导通与否及导通程度有密切关系的。Rx很大时(即没有短路时),U\(_{x}\)较大,Ube3=V\(_{b}\)一Ux,U\(_{be3}\)很小,BG3不导通,D\(_{1}\)不发光;Rx≈0时,U\(_{x}\)≈0,Ube3较大,BG\(_{3}\)导通并且深度饱和,D1发光且很亮;如果R\(_{x}\)慢慢增大,则D慢慢由亮转得较暗,直至熄灭。该电路正是依据上述原理来测量被测电路的短路程度的。测量起来很直观,也很方便。
电路调整
从电路原理分析中可以看到,前面所讲到的发光二极管的发亮程度与被测电阻R\(_{x}\)的阻值之间的关系,是以BG3基极电位V\(_{b}\)值为一定值为前提的。有一个Vb值就对应着一个能点亮发光二极管的R\(_{xo}\)值,所以调节Vb值就可以改变R\(_{xo}\)值(Rxo为能点亮发光二极管的R\(_{x}\)值)。另一方面,从图中可以看到,在R2阻值不是很大时,改变R\(_{2}\)阻值不会对I2有多大影响。在如图所标的各元件的数据时,I\(_{2}\)≈1mA, Vbe2≈0.65V,V\(_{b}\)=Vbe2+I\(_{2}\)R2=0.65+0.001R\(_{2}\)。可以看出,改变上式中的R2阻值,就可以得到不同值的V\(_{b}\),从而可得到不同的Rxo值。笔者从试验中得到:当R\(_{2}\)=37.5Ω时,Rxo=11Ω;R\(_{2}\)=75Ω时,Rxo=20Ω;R\(_{2}\)=150Ω时,Rxo=30Ω。R\(_{2}\)=75Ω、Rx≈0Ω时,线路的总电流约为20mA。
在选择几只晶体管时,BG\(_{1}\)可用3AX22、3AX31等,管子的漏电流应较小;BG2可选用3DG201一类的管子;BG\(_{3}\)可选用3DX201一类的管子。(吴伟光)