许多无线电爱好者和电子乐器爱好者都非常想自行业余制作一台功能较齐全、音色较优美、装调较简单、价钱又较便宜的电子琴,本文介绍的这种复音电子琴就能满足爱好者们的要求。
这种复音电子琴的特点是:它采用键盘控制式,有49个键。音色丰富、音域广,能和声伴奏,音准调整方便,能模拟出六种音色(电钢琴、风琴、羽管琴、管琴、弦乐、长笛等多种合成音色)。该琴并设有模拟三种打击乐(大鼓、中鼓、沙锤)的电路,能自动打击四种舞曲的节拍。这种琴的输出功率也较大,有足够的响度动态范围。琴体为便携式,演奏指法与常规键盘乐器相一致,因此很适合中小学、业余文艺团体及广大音乐爱好者作文艺演出、舞会伴奏等用。这种琴价格也较便宜,为了给广大读者提供方便,本文末尾附有邮购消息。
电路结构及原理

复音电子琴的原理方框图如图1。图中的基准音阶发生器采用了12个RC振荡器,能独立产生12个基准音阶。这12个基准音阶经分濒器后分成49个音阶送到键盘电路。从颤音发生器输出的颤音信号直接加到音阶发生器的调制电路上,它能使所有的音阶都出现颤音效果。音阶信号送入键盘电路后,可供演奏者按乐谱的规定奏出音阶,然后送到音色滤波器和音型变换器,以得到各种乐器的音色和所选择的音型。在音频放大器的入口处,上述信号和自动打击乐电路输出的信号混合,一起送入功率放大器进行放大,最后推动扬声器发出电子乐器的音响。该琴还附设有键盘余音控制电路。

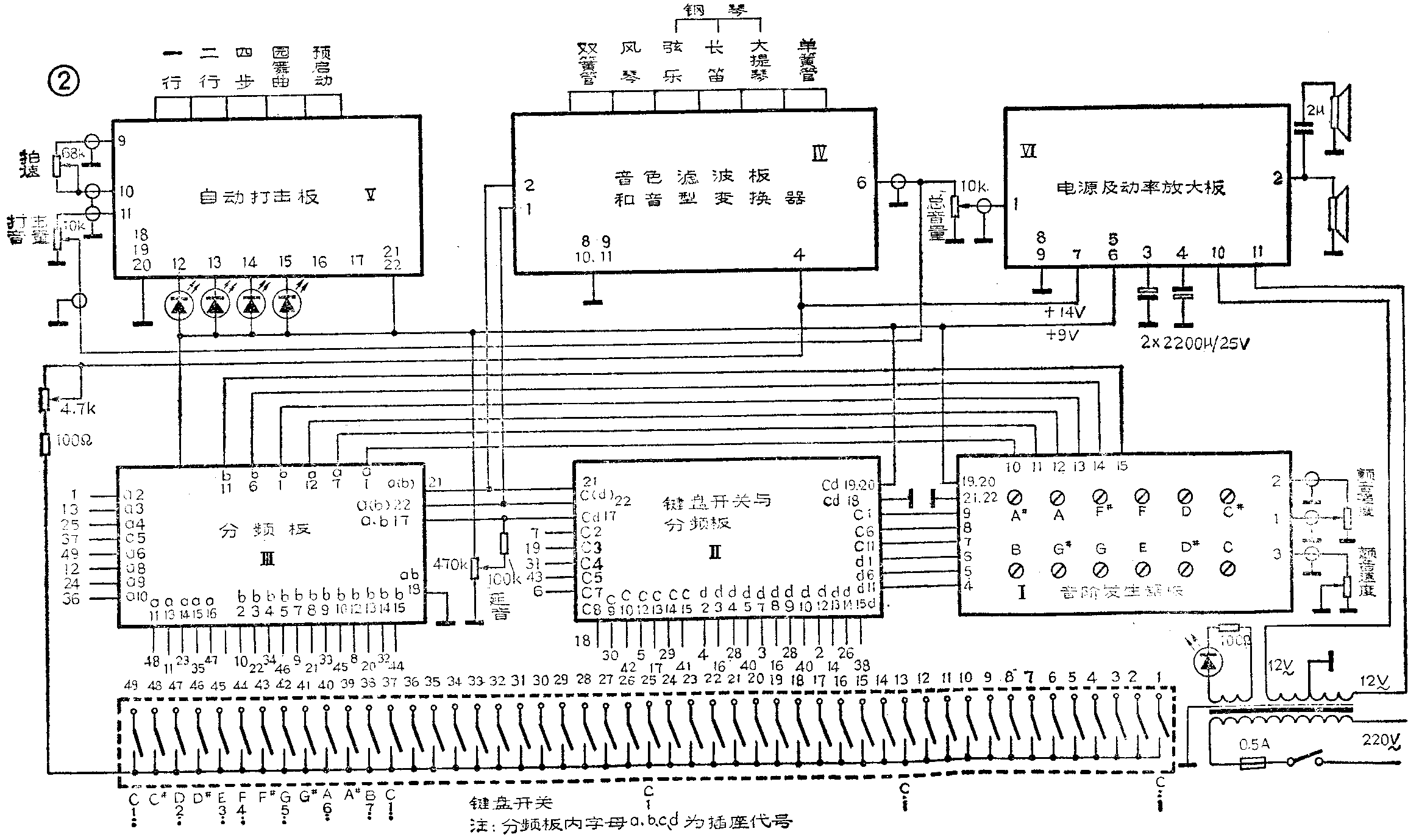
为了便于读者了解和自行制作这种电子琴,我们将这种电子琴在结构上分成了六个大部分,然后一部分一部分进行介绍,并给出它们之间的联系。图2为整机几块电路板之间的连线图,图中,第“Ⅰ”部分为音阶发生器电路板;第“Ⅱ”、“Ⅲ”部分为分频器和键盘开关电路板,第“Ⅳ”部分为音色滤波器和音型变换器电路板;第“Ⅴ”部分为自动打击乐电路板;第“Ⅵ”部分为电源及功率放大电路板。整机的外形结构示意图见本文题头。该琴采用220V交流电源供电,机壳上配有耳机插孔和外接音箱插孔,琴体配有电镀支架,使用起来非常方便。

一、音阶发生器和颤音发生器电路:
电路见图3。每个音阶发生器是由两个二输入端四与非门CO66集成电路组成的 RC振荡器,它按十二平均律最高一组音来设计振荡频率。基准音阶的频率准确度和稳定度决定了整个音阶系列的音准,所以要求基准音振荡频率的误差不要太大。图3中的音阶发生器电路只具体画出了两个,其它十个只给出方框图,其具体电路是一样的。电路中的W\(_{1}\)~W12为校音用的频率微调电位器,而每个电位器管4个八度音,0.033μF的电容C\(_{1}\)为振荡电容,应选用涤纶电容器,电阻R1应选用RJ型的。电阻R\(_{2}\)的作用是避免C1放电时损坏F\(_{1}\)输入端,R2一般取值100千欧左右。 R\(_{1}\)\(^{*}\)的阻值在4.7~11千欧范围内选择。C2为消振电容。电路中A点输出的是一个方波信号。有关集成门电路的工作原理,不少书刊中均有介绍,这里就不再讲了。

图3右部分的颤音振荡器实际上是一个超抵频信号发生器,频率可调范围约为2.5~12Hz。用它对图3左部分的音阶信号去进行频率调制,就会获得颤音效果。颤音电路采用RC移相式振荡电路,晶体管BG\(_{2}\)为振荡管。我们知道,普通共射极放大器输入电压与输出电压之间的相位差为180°,如果要满足振荡的相位条件,还必须再加反馈电路,使信号再移相180°,这样共移相360°,就满足振荡的相位条件了。因每一节RC电路的最大相移不超过90°,为了满足另移相180°,图3中又采用了四节RC电路。振荡管BG2的β值应大于100,β如果太小,在调整频率时容易停振。颤音电路是靠调整其中的一个RC网络的R值来改变颤音频率的,图中W\(_{14}\)为颤音频率微调电位器,颤音频率应选在6.4Hz左右,这时让人听起来比较舒服。W13为颤音幅度电位器,演奏时,颤音幅度不宜太大。颤音器的输出电压波形接近正弦波形,采用这种波形对主振级进行颤音调制时,颤音效果非常柔和。如果颤音信号为脉冲波形,颤音效果会显得很生硬。BG\(_{1}\)接成射极跟随器形式,起阻抗匹配作用,以避免音阶发生器工作时影响颤音器的工作状态。从颤音器输出的信号,经C3后去分别调制12个RC主振器的频率,会使所有的音阶,包括分频后的每个音阶都有颤音效果。图4为音阶发生器和颤音发生器的印刷电路板。

二、音阶分频器和键盘开关余音电路:有关电路见图5(因许多分频电路都类同,所以图5仅画出了其中部分电路)。从乐理知识上,我们知道,相邻组的同名音阶,其频率要相差一倍。如果从基准音阶发生器中得到键盘上小字二组的12个音阶,那么经一个二分频后就会得到小字一组的12个音阶,再经二分频后就得到小字组音阶。依次类推,可得到大字组的全部音阶信号。图5中,采用CMOS集成电路CO13双D触发器来实现分频功能,激励信号(方脉冲),来自于基准音阶发生器,每个基准音阶后面带着几个二分频器。“C”音阶后面带着5个二分频器,其它标准音阶后面都是带着4个二分频器,这样,12个标准音阶通过一系列二分频器后,就能得到全部49个音阶信号,再送往键盘控制电路。图中仅画出了“C”、“C\(^{#}\)”两个标准音阶及其所带的分频器,其余的10个标准音价及其所带的分频器,电路完全相同,所以图中省略了。关于用CO13接成的二分频器的工作原理,一些书刊中多有介绍,本文从略。

图5中的D\(_{1}\)、D2、D\(_{3}\)、D4组成了K\(_{1}\)的一个开关型琴键电路,它的工作原理是:K1为键盘开关触点,当未按下琴键时,图中a点电位比b点电位低,D\(_{1}\)~D4四个二极管均不导通,音阶信号不能通过;当按下琴键使K\(_{1}\)接通时,正14V直流电压通过K1加到a点,D\(_{1}\)~D4正偏全部导通,于是C点信号经D\(_{1}\)、D2从8'处输出,C音阶经IC\(_{1}\)二分频器后的信号经D3、D\(_{4}\)从16'处输出,这样就得到两个八度音阶信号8'、16'。这两个八度音阶信号都是方波,只是频率不同,将这两个信号合成后会成为一个阶梯波,之后将这个阶梯波信号送到下一级的音色滤波器去进行进一步加工,使其达到常规乐器的效果。
W\(_{1}\)、电解电容器C1(或C\(_{2}\)、C2……C\(_{49}\)等)用来控制音阶余音的长短,通常用改变W1的阻值来达到目的。例如,当K\(_{1}\)断开后,因C1上充有一定的电压,所以仍有一段余音。但由于BG\(_{1}\)是导通的,C1上的电荷通过BG\(_{1}\)对地放电,放电的时间长短就是余音的长短,放电完毕,余音则结束。调整W1阻值时,可改变BG\(_{1}\)的导通状态,从而可控制余音的长短。W1设置在琴箱面板上,可很方便地进行调整。调整电位器W\(_{2}\)的阻值,可改变音头的软硬程度,在进行这一项调整时,应在尽量不影响音量的情况下,把音头调软一些,这样让人听起来有舒服感。W2的位置可设置在琴箱里面,作半可调用。采用上述电子开关式余音控制电路后,可使乐器的音头和音尾衔接得很好,可从根本上克服掉音头和音尾产生的“咔啦”声。电路中所用的二极管,应有较好的开关特性,否则会出现串音干拢现象。电路中所用的三极管(共49只)的β值应大于50,反压应大于 20V。

在本电路中,只要所用元、器件是好的,并且数值准确、焊接无误,则基本不需调试就能工作。如果出现故障,在有条件时,可借助示波器观察各点的波形来查找故障。图5电路共使用CMOS双D触发器25只,2CK二极管196只,3DG201三极管49只。图6为音阶分频器和键盘开关电路的部分印刷电路板图(其它部分形式均相同,为了节约篇幅,在此省略)。复音电子琴其它部分的电路及制作与调试经验下两期再继续介绍。(本文所介绍的复音电子琴的套件及散件的邮购消息见本期第48页)(宁金铭)