1.电视机的室外无线尺寸越大、振子单元越多、架得越高,则收看效果也越好,这种说法对吗?为什么?
2.有人在测试图1所示的整流电路时,不慎将C\(_{1}\)、C2正端相连数分钟,断开连线后测量各元件都安然无恙,并没有因“短路”造成损失,想想看这是什么原因?

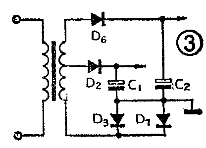
3.图1电路为常用半波整流电路。采用有抽头的变压器能输出两组直流电压。有人为提高整流效率,企图改用桥式电路,见图2。但从C\(_{1}\)、C2两端测得的电压都相同,只有一种高电压。想想看,对于有抽头的变压器,能使用桥式整流电路吗?

答 案
1.电视机在使用室内拉杆天线能够正常收看时,就不必使用室外天线。只有在离电视发射台较远的地方,接收点电视信号微弱,用室内天线收看效果不好时,才需要使用室外天线。室外天线通常采用单元振子天线(又称引向天线)。而用得最多的是五单元振子无线。这种天线有较好的方向性和较高的增益,它的方向系数和增益系数与振子的数目和振子的尺寸有关。
先看振子的数目。一般来说,五单元的比三单元的好,七单元的比五单元的稍好些。但不能由此得出振子越多越好的结论。这是因为,当振子数增加得很多时,效果的改善并不明显。相反却使天线的结构过分复杂,重量加大,成本增加,难于架设。因此不能说振子越多越好。再说振子的尺寸。电视天线各部分的尺寸是根据所要接收的电波频率(或波长)来设计决定的。其规律是电波频率越高(波长越短),所需天线的尺寸就越小。以北京为例,接收第2频道信号的天线应比接收第6、第8频道信号的天线尺寸要大些。从原则上讲,各个频道应分别使用不同尺寸的天线。市场上出售的所谓“全频道”天线,实际上采取的是“统筹兼顾”的办法,使它的结构和尺寸能适当照顾到各个频道。但对某一频道来说,它并不是最理想的结构尺寸。由此可见,电视天线的尺寸绝非越大越好。最后再谈谈天线的架设高度问题。人们通常把室外天线架得较高,那是为了让天线能接收到由电视发射台传来的电磁波。由于电视台发射的电磁波频率很高,它只能像光线一样沿直线传播。如果中间被高大建筑物等挡住,就传不到接收天线上了。人们根据“高灯远照”的道理,把电视发射无线安装在几百米高的铁塔上,这样就能让电视信号传得更远,让更多的人收看电视节目。适当地把室外电视接收天线架得高一些就可避免高大建筑物阻挡电磁波,从而使收看效果更好些。但是,如果到达接收天线上的电磁波没有被阻挡,实际收看效果也不错,就不必再把天线升高了。因此,在保证收看效果的前提下,无线越低越易于架设,并有利于防风防雷,安全可靠。 (杨怀恩)
2.在图1所示电路中,C\(_{1}\)、C2正端存在着电位差,当两点相连时,C\(_{2}\)即对C1充电,直至两者电压相等。由于C\(_{2}\)上的电压大于加在D1上交流电压的峰值,因此D\(_{1}\)反偏不通。既然C1与C\(_{2}\)上的电压相等,所以也不存在很大的“短路电流”。故各元件完好无损。将电流表正端接C2的正端,负端接C\(_{1}\)的正端,实测得电流为0.lmA,这是D1的反向漏电流。
3.利用二极管的单向导电性以及桥式电路邻臂轮流工作的特性,可将图2电路简化后再作分析。
当D\(_{2}\)、D3、D\(_{6}\)、D7正偏导通,D\(_{l}\)、D4、D\(_{5}\)、D8反偏不通时,其简化电路见图3。该电路似乎能够正常工作,C\(_{1}\)、C2上能分别输出两组不同的直流电压。


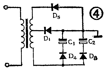
当D\(_{2}\)、D3、D\(_{6}\)、D7反偏不通,D\(_{1}\)、D4、D\(_{5}\)、D8正向导通时,其简化电路见图4。由图可见高电压交流绕组可以通过D\(_{5}\)、C1、D\(_{4}\)及D5、C\(_{2}\)、D8构成通路,C\(_{1}\)与C2将分别充得相同的电压,因而此时D\(_{1}\)反偏不通,电路只能输出一组高压。由于C1与C\(_{2}\)充得相同电压,故图3中D2也不能导通,电路不能正常工作。所以图2所示电路只能输出一组高压,不能高效地输出两组不同数值的直流电压。带有抽头的变压器不适宜使用桥式整流电路。(余子正)