随着电子技术的发展,逻辑电路的应用也越来越广泛。由于不同的逻辑电路具有不同的逻辑功能,因而在电子电路中发挥着不同的作用。下面就介绍几种适用于自动控制装置中的简单逻辑电路,供大家选用。在分析电路之前,首先规定低电位代表逻辑0,高电位代表逻辑1。只有作了这种规定,才能把电位的变化变成数字的变化。
1.固定有序分路优先通过逻辑:电路如图1所示。它是由两个非门(门l、门3)和两个与门(门2、门4)组成的具有三输入端、三输出端的逻辑电路。其输出状态逻辑表达式分别为:P\(_{1}\)=A-:P2=A-B;P\(_{3}\)-B-C。三个输入的优先通过顺序是A→B→C,即首先保证A输入通过,只有当输入A=0时,才让B输入通过,最后当A=0、B=0时,才允许C输入通过。电路的工作原理如下:

当A=1、B=1、C=1时,非门1输出为A-=0,非门3输出为B-=0,因而P\(_{1}\)=A=1,P2=A-B=0·1=0,P\(_{3}\)=A-B-C=0·0·1=0。当A=0,B=1,C=l时,非门1输出为A-=1,非门3输出为B-=0。因而P1=A=0,P\(_{2}\)-B=1·1=1,P3-B-C=1·0·1=0。当A=0、B=0、C=1时,非门1输出为A-=1,非门3输出为B-=1。因而P\(_{1}\)=A=0,P2=A-B=1·0=0,P\(_{3}\)-B-C=1·1·1=1。该电路的输出与输入状态关系式——真值表见表1。其他情况不再叙述。

2.只准一路输入通过逻辑:电路如图2所示。它是由三个非门、三个与门和一个或门组成的具有三个输入端和一个输出端的逻辑电路。它的特点是任何时刻只准一个输入端加信号(允许此路信号通过),否则电路处于关闭状态。其输出状态逻辑表达式为P=A-B-C+A-BC-+AB-C-。电路的工作原理如下所述。

当只有一路(如A路)加信号,即A=1、B=0、C=0时,则1直接加至与门4的输入端,同时使非门1输出为A-=0,并加到与门5和与门6的输入端,于是这两个门被关闭。因为此时非门2的输出B-=1,非门3的输出C-=1也加到了与门4的输入端,故与门4的输出为AB-C-=1·1·1=1。与门5和与门6的输出分别为:A-BC--=0·0·1=O;A-B-C=0·1·0=0。又因门7为或门,只要有一个输入端为1态,其输出端就为1,在上述条件下P=AB-C-+A-BC-+A-B-C=1+0+0=1,可知当A端输入信号时,可以通过此电路。当B端或C端单独输入信号时,同理可推知其输出端P=1,可以通过电路。
但当有两个输入端(例如A端、B端)同时加信号时,即有A=1、B=1、C=0,则A-=-=0,C-=1。因而与门4输出为AB-C-=1·0·1=0,与门5输出为A-BC-=0·1·1=0,与门6输出为A-B-C=0·0·0=0,因而P-C--BC--B-C=0+0+0=0,信号即不能通过电路。同理可知其他两个输入端为1(即A=0,B=1,C=1和A=1,C=1,B=0)或三个输人端为1时,其电路输出P=0,信号均不能通过电路。从而实现只准一路输入通过的逻辑功能。该电路输出输入状态关系式——真值表见表2。

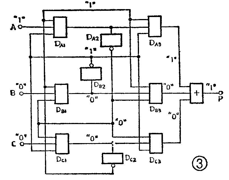
3.抡先占有逻辑:电路如图3所示。其逻辑功能是:哪一路信号最先到达,电路就只允许哪一路信号通过,其余各路信号的通路均被切断。因采用闭环连接,故不能用解析式写出输出与输入的逻辑关系式。下面就以A路信号先占有状态为例,说明其工作原理。

为直观起见,所有高位线(即1态线)用粗线表示,O态线均用细线表示。由于D\(_{A1}\)、DA3、D\(_{B1}\)、DB3、D\(_{C1}\)DC3均为与门,故只有全部输入为1时,其输出才为1,否则输出就为0。而D\(_{A2}\)、DB2、D\(_{C2}\)为非门,故其输出总是与输入反向的。这样,当B=0、C=0时,DB1、D\(_{C1}\)的输出就为0,这一方面使DB3、D\(_{C3}\)的输出为0,同时又可使BB2、D\(_{C2}\)的输出为1,且1信号分别送到DA1、D\(_{A3}\)的输入端。这样,只要A=1,DA1的输出就为1,D\(_{A3}\)的输出也为1。于是或门D有一个输入端为1,故其输出P=1。与此同时,DA2的输出为0并加到D\(_{B1}\)、DB3、D\(_{C1}\)、DC3的输入端将其关闭,保证了只准先到达的A路信号通过。

图4是图1固定有序分路优先通过逻辑电路的一个应用实例,即有两路备用电源的开关控制电路(只适用于断电控制)。其工作原理如下:
当三电源E\(_{A}\)、EB、E\(_{C}\)均存在(即无一路断电)时,则A=B=C=1,从而使P2=A-B=0·1=0,P\(_{3}\)-B-C=0·0·1=0,这时,只有P1=A=1,T\(_{A}\)处于导通状态,由EA对用电设备供电。
当E\(_{A}\)=0(断电),EB、E\(_{C}\)存在时,由于A=0、B=1、C=1,从而使P2-B=1·1=1,P\(_{3}\)=A-B-C=1·0·1=0,P1=A=0。这时,T\(_{B}\)处于导通状态,由EB对用电设备供电。
当E\(_{A}\)=0、EB=0(均断电),E\(_{C}\)存在时,A=B=0,C=1,从而使P1=A=0,P\(_{2}\)=A-B=1·0=0,P3=A-B-C=1·1·1=1。这时,只有T\(_{C}\)处于导通状态,由EC对用电设备供电。
一旦E\(_{A}\)恢复供电,则A=1,此时无论EB是否恢复均有P\(_{1}\)=1,P2=A-B=0,P\(_{3}\)=A-B-C=-C=0,只能由EA供电。总之,应用图1电路就保证了优先供电顺序必须是E\(_{A}\)→EB→E\(_{C}\)。(周天龙)