在仪表中使用的光源,总希望亮度尽可能稳定一些,因此一般都采用直流稳压电源供电。这种办法当电网电压在一定范围内波动时,对光源亮度能起到一定的稳定作用。但如果灯泡老化或更换新灯泡时,则不能再得到稳定的光源了。这就会给仪表测量带来较大误差。本文向读者介绍一种较新颖的稳光电路,实践证明效果很好。
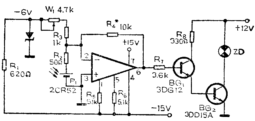
附图中ZD作为光源用灯泡,它的部分光线照射在硅光电池P\(_{1}\)上,产生一个光电流后,送到集成运算放大器F007的反相输入端、而且硅光电池P1的接法保证它能供给运算放大器正方向电流。同时,—6伏电源经W\(_{1}\)、R3后输入一个负方向电流到运算放大器的反相输入端。在正常情况下,应通过调整W\(_{1}\)阻值,使这两个电流值大小接近,但让F007的输出端电压要稍偏正一些(例如+2V左右)。

当因为某种原因使灯泡的亮度变强时,P\(_{1}\)产生的光电流加大,但由于是加在运算放大器的反相输入端,则其输出端的电位将变低,因此引起晶体管BG1、BG\(_{2}\)的电流都变小,灯泡的亮度则变弱。只要F007的放大倍数合适(可通过改变R4的阻值来达到),则最后的结果使灯泡的亮度保持不变。同理,如果灯泡亮度要变弱,经一系列反馈过程后,也会使灯泡亮度维持不变。这样就自动起到了稳光作用。
在这里使用的光源是12V30W溴钨灯,但为了保证BG\(_{2}\)能很好地起到调节作用,BG2的管压降必须在5V左右,此时灯泡上得到的电压有7V左右。这7V电压是否适合呢?适合。在光强足够的情况下,降压使用有利于延长灯泡使用寿命。
此外,通过实验还证明,当电源电压在+11V到+15V范围内变化时,电路都能很好地起到稳光作用。对12V电源的要求不高,可在桥式整流后再加一只1000μF/25V电解电容进行滤波就可以了。同时,即使由于某种原因灯泡发生短路,电路中的元件也不会损坏。当电源电压为+15V,灯泡发生短路现象时,BG\(_{1}\)的电流仅为12mA,BG2的电流仅有3.5A左右。图中电阻R\(_{2}\)的阻值取50~60Ω,这是因为通过实验表明,在这种阻值下,光电流受温度变化的影响最小。(任亢建)