问:有一台罗马尼亚产的E31—110°—720S型电视机的行输出变压器损坏,由于缺少备件,不知能否可用国产高压包代换,如能代换的话用什么型号的高压包?
答:可用国产飞跃牌12D1型电视机(上海无线电十八厂生产)中的行输出变压器3B4代换。但要注意的是在更换行输出变压器(高压包)的同时,最好也要更换高压整流二极管D\(_{5}\)02(TV13)因为国产电视机中高压阳极供电电压大都为12千伏~15千伏而该机的高压阳极供电电压是10千伏。所以用国产高压包直接代换,必须使整流后的直流高压接近10千伏,否则高压过高会使光栅不正常,加快显象管的老化速度。(屈 梅)
问,怎样使用盒式磁带录象机录制电视台某个频道的节目时,同时观看另一个频道的电视节目?
答:首先把盒式磁带录象机的射频输出(RF OUT)连接到普通彩色电视机的天线输入插孔,再把录机输入选择开关(INPUT SELECT)置于调谐(TUNER)位置,还要将录象机/电视机选择开关置于录象机(VTR)位置。然后开启录象机、电视机电源开关,这时将录象机彩色状态/测试图开关(COLOUR/TEST SIGNAL)置于测试信号(TEST)位置,使电视机调谐器调谐于录象机射频输出的相应频道,当电视机映出正确的测试图时,说明电视机与录象机已正确跟踪,再将彩色状态/测试图开关置于(AUTO)位置,若彩色不稳定,则把此开关置于(COLOUR)位置,上述操作完成后就可以调整录象机的高频调谐器于你要录制的电视频道节目,在电视机屏幕上图象理想、伴音悦耳时,就可以把磁带放入录象机带仓里开始录制了。如果还想同时观看另一个颜道的电视节目,则要把录象机上录象机/电视选择开关(VTR/TV)置于TV位置,这时再把电视机高频调谐器节目选择按钮置于另外数字,调到你要收看的频道电视节目。观看另一个频道电视节目时,如果还想再监视一下录制电视频道的情况,则把VTR/TV选择开关重新置回VTR位置,电视机高频调谐器复回原选择按钮数字,电视机屏幕就显示出录制频道的节目了。(靳连生)
问:有一台日本三洋牌电视机,高频头中的三极管2SC1393损坏。请问该管的电参数如何?有无国产管可代换它?
答:2SC1393是一种硅NPN型高频小功率三极管,它的主要电参数如下表所示。2SC1393在电视机中主要用作高放或混频管。与它特性相似的国产管有3DG56B、3DG79B、3DG80B、BS23等。其中BS23型管采用改性环氧模压封装形式,是上无十七厂生产的仿2SC1393管,直接代换的效果很好。(王德沅)

问:有一台12英寸电视机的显象管为310GNB4A(Q),查资料灯丝电压为12V,但实测电视机提供的灯丝电压为11V,请问是否会影响显象管的寿命?
答:如果显象管的真空度高,当灯丝电压降低时,不但不会缩短显象管的寿命,而且还能显著地延长其寿命,灯丝电压甚至可以降到10V使用。但是,如果显象管的真空度低,降低灯丝电压会引起显象管阴极中毒,从而会降低其寿命。不过这后一种情况对于310GNB4A(Q)管来说是不常见的,因此,用11V灯丝电压是不会影响显象管寿命的。(朱家林)
问:在联邦德国买回一台日本NEC公司生产的12TP14、2E1全频道12英寸黑白电视机,在北京能收到二、八频道的节目,收不到六频道节目,请问是什么原因?是否需要改频道?怎么改?
答:日本为联邦德国生产的电视机,采用联邦德国的制式,我们把联邦德国与我国各频道的频率范围列于下表作一比较。从表中看出,我国的二、八频道的频率范围分别与他们的三、六频道的频率范围很接近,可以直接收看。而其它频道则相差很多,不能直接收看。如果我们还想收看其它频道,就必须对电视机进行改频。例如想接收六频道,从表中看,他们的五频道与我国的第六频道的频率比较接近,用五频道改频比较容易。

在高频头中,高放带宽是比较宽的,对16MHz以上的频率衰减不会太大,因此,高放带宽可不必改动,需要改动的是本振频率。这台电视机的本振频率是每个频率自己独立的,所以可以通过改变第五频道上的电感线圈来改变第五频道的本振频率,一般情况,可把电感线圈的纵向距离压到最小,即可收到六频道的节目,如果仍不够理想,可将电感线圈接长\(\frac{1}{4}\)~1;2圈。 (汪锡明)
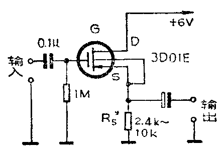
问:我有一只3D01E型场效应管,能否在高保真扩音机中用作高阻抗输入级?应怎样连接?
答:3D01E管是一种MOS型场效应管,可以用于高保真扩音机的输入级,提高扩音机的输入阻抗,以便和一些高阻抗信号源(如压电晶体唱头输出信号)相配接。附图便是该管的典型接线图,其中输入端接高阻抗信号源;输出端接扩音机输入端或晶体管收音机低放输入端。图中可通过适当调整R\(_{S}\)阻值,使S点对地电位为3伏左右。MOS场效应管在使用时容易被击穿损坏,因此使用时要小心一点,扩音机应有良好的接地线。 (张国华)

问:一台三洋M2405型收录机,使用一二年后,录音、放音均声音很小,该如何解决?
答;磁带录音机使用一段时间后,录放音声音变小,首先应检查磁头表面是否清洁。因为磁带运行过程中,由于摩擦作用会产生一些磁粉粘附在磁头表面、主导轴及压带轮上。磁头沾污之后影响磁头工作面与磁带的紧密接触,造成录、放音量变小,高音严重损失及信噪比下降。这种情况可用清洁的棉花蘸上磁头清洗剂(交电商店有卖)或无水酒精擦拭磁头表面,同时将抹音头、压带轮、主导轴也擦干净。否则这几个部位的磁粉又会带到录放磁头上。这种清洗工作应定期进行,最好每工作20小时清洗一次。
对于使用两年以上的录音机,声音变小往往是由于磁头磨损严重造成的。观察磁头表面可以发现磁头工作面有明显的磨损凹痕,有的甚至可以看到磁头的缝隙。这种情况应更换磁头来解决问题。更换磁头一般应注意下面几点:①尽量换用与原型号相同的磁头。这样在电路上不需作任何大的调整,只要调整一下录放磁头的方位角就行了。如果一时找不到相同型号的磁头也应选用与原规格相同的其他型号磁头,至少选用阻抗相同或接近的磁头。对于三洋M2405型收录机,如果买不到相同型号的磁头,可用成都无线电七厂生产的RM—7544或RM-7031型录放磁头代换。②新磁头的安装尺寸必须与原磁头尺寸相同,否则会造成磁带运行不正常或磁头表面与磁带接触不紧密。③重新调整方位角时最好使用方位角测试磁带校准。如果没有标准测试带,也可以用一盘音质好高音丰富的原版音乐带,边放音边调整套有弹簧的那个螺钉,用毫伏表监视或用耳朵监听,使高音输出最大,然后用漆封住螺钉以防松动。④放音正常后还要进行录音调整。用一盘质量较好的空白磁带反复录音、放音。边录边调整偏磁电流,使放音输出最大,失真最小,频响最宽。但是为了考虑综合指标,偏磁电流往往取得比输出最大时那一点再大些。一般比最大输出下降0.5~ldB时的偏磁电流为最佳偏磁电流,这时失真、噪声均最小。
问。一台收录机放音对音量一开大就产生严重失真,提升低音时失真更为严重,与此同时马达转速变慢,走带速度不稳,请问是何原因?怎样检修?
答:录音机如果在小音量时声音不失真,带速正常,可以说电机是没有问题的,应该怀疑电源电路或放大电路是否正常,因为电路有问题同样也会出现声大时马达转速变慢和失真现象。例如功放部分的晶体管或集成电路部分损坏或某些电解电容器严重漏电,元件短路等均会出现音量开大时整机电流剧增,引起电源电压下跌,造成放音严重失真和马达转速变慢。又如电源电路的整流管损坏,滤波电容失效会使电源的负载能力变差,当负载变重时也会使电源电压大幅度下跌,造成音量大时失真及带速变慢。怎样判断是放大电路还是电源电路有问题呢?可以用新的干电池或外接的直流电源供电。用直流电流表测量整机工作电流,如果音量开大时放音正常了,则说明故障出现在电源电路。如果经过上述用新干电池供电,音量开大时仍旧出现失真,马达转速变慢,供电电流仍大大超过额定电流,则说明故障出现在放大电路部分。(以上徐雅国)
问:一台新买的三洋9930收录机放音正常。但调谐电台时夹有严重的杂音,调谐旋钮转动越快杂音起大,这种现象只有中波段存在,短波、调频段没有。经检查双连电容没有碰片,怎样解决?
答;这种现象一般在寒冷而干燥的气候中容易产生。这种杂音是由于密封四连电容内的塑料薄膜相互磨擦而产生的静电放电所造成的。解决的方法是:找一根直径1mm的塑料套管,从四连的微调电容孔插进去,再从套管的另一端用嘴向里面吹气,使四连内部的空气湿润一下,塑料薄膜上的静电即可消失。这是一种行之有效的方法。
问:三洋M—1700型收录机的电原理图中抹音磁头只画了一个抹音头的符号,抹音头与电路之间无任何连线,这是什么意思?
答:三洋M—1700型收录机采用单极磁钢抹音方式,实际上抹音头就是一块永久磁钢,所以电路图中无须与电路其他元件有任何连接。 (以上李传钟)