国产LX-401型盒式录音机芯是一种高档机芯,具有国外八十年代水平。该机芯与LX-401-3型轻触机械逻辑控制开关或LX-401-4型轻触电子逻辑控制开关结合使用,并配合适当的录放音电路(本文未介绍),能够实现录音、放音、速进、速退、暂停、选听、复听、全自停及自动选曲、循环走带等多种功能。
机械逻辑控制
图1是机械传动部分的示意图、由于使用了两只马达,一只作录、放音用,另一只作速进速退用,使得机械传动机构大大简化。机芯上面除了有一个舱门键之外,其余功能键均不在机芯上,舱门与控制电路的电源总开关K\(_{1}\)联动,舱门打开时K1断开,电源切断;舱门关闭时K\(_{1}\)合上,接通电源。

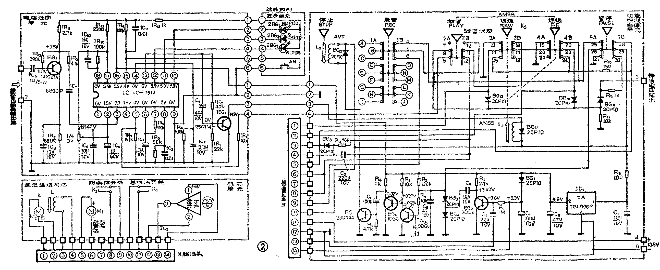
图2是LX-401-3型轻触机械逻辑控制电路。机械逻辑控制开关K\(_{3}\)由5个两刀两位开关及两个插棒式电磁线圈开关L2、L\(_{3}\)组成,参看图2、3。通过各开关的互锁。联锁、自锁、无锁等逻辑来控制图1机芯的录放马达M1、速进速退马达M\(_{2}\)电磁线圈L,以实现前述的各种功能。图2中机芯单元的电源总开关K1、防误抹开关K\(_{2}\)、电磁线圈L、马达M1、M\(_{2}\)及全自停传感器是通过14脚插头座与控制电路连接在一起的。由于机芯与控制电路及开关分离,方便了整机面板设计、下面结合图1、图2简要介绍逻辑控制过程。


1.速进(F·F):图2中当F·F键设有按下时,K\(_{3}\)的开关接点19、20通,22、23通,马达M2的A极经过14脚插头座,再经过K\(_{3}\)的13、14接点通地。马达M2的B极经14脚插头座2脚,再经K\(_{3}\)的23、22、4、5、10、11、16、17点和19、20点通地,因而马达M2不工作。按下F·F键之后K\(_{3}\)的23、24点接通,M2的B极经过23、24及电阻R\(_{1}\)0,K3的28、29点及14脚插头座的10、 11点和开关K\(_{1}\)接到+13.5伏电源上。M2的A极通过K\(_{3}\)的13、14点接地,因而马达反时针旋转。马达M2上的齿轮带动速进、速退齿轮T\(_{3}\)与收带托盘齿轮C2啮合,使C\(_{2}\)快速旋转实现了速进功能。
2.速退(REW):当按下REW键时F·F健弹起复位,触点14、15接通,马达M\(_{2}\)的A极通过K3的14、15点、R\(_{1}\)0和K3的28、29点、14脚插座的10、11及K\(_{1}\)与+13.5伏电源接通。M2的B极通过K\(_{3}\)的22、23、4、5、10、11、16、17和18、19各点通地,因而马达M2顺时针旋转,M\(_{2}\)上的齿轮带动速进、速退齿轮T3与供带盘齿轮C\(_{1}\)啮合使C1快速旋转,实现了速退功能。如果F·F键与REW键同时按下,M\(_{2}\)的A极、B极同时接到电源正极上从而不能转动。
3.(放音PLAY):当按下PLAY键时F·F(或REW)键复位,K\(_{3}\)的触点11、12接通(如图2中所示),录放电机M1的正极经过14脚插座5、K\(_{3}\)的28、29,14脚插座的10、11及K1接到电源正极。M\(_{1}\)的负极通过K3的触点11、12、16,17、19、20接地而工作.与此同时电磁线圈L(在机芯上)的一端通过14脚插座的3脚和K\(_{3}\)的28、29脚等处接电源正极,另一端通过14脚插座的4脚R15及K\(_{3}\)的11、12、16、17、19、20接地。由于L通电它的铁芯被吸动,铁芯又带动偏心齿轮上的杠杆;偏心轮与飞轮上的齿轮啮合。随着飞轮的转动。偏心齿轮也转动,偏心齿轮带动磁头滑板向上移,使压带轮与主导轴紧密接触,磁头与磁带也紧密接触,收带轮被橡胶带带动开始收带,机芯进入放音状态。由于录音镀键的①—⑨各点已接到整机的放音电路中的相关部位,所以整机线路也处于放音状态。
4.选听(即手动选曲);需要选听第几个曲子时可以同时按下放音键和速进键,由于触点19、20断开,M\(_{1}\)不能工作,而23、24接通,M2工作磁带速进。此时由于磁带接触磁头,而且整机中的放音电路也在工作,故可以听到“1…?声,两个节目之间空隙处“1…”声停止,这样就可以根据1停止过几次判断过去了几支曲子,等到达所要的那个曲子时松开速进键,机芯就自动进入放音状态,放出你要听的曲子。这叫向前选曲。如果要求磁带向后快转到需要收听的曲子(即所谓复听选曲)可以同时按下放音键和速退键,磁带速退,其选曲原理与上述相同不再重复。
5.录音(REC):只要磁带盒上的防误抹片不被挖掉,在舱门关闭时带盒上的防误抹片就会自动将防误抹开关合上。按下录音键,录放马达M\(_{1}\)的负极经过14脚插座的6、8、9脚及防误抹开关K2和K\(_{3}\)的5、6、10、11、16、17、19、20各点接地,M1的正极经过有关各点接电源正极,M\(_{1}\)工作。与此同时机芯上的电磁线圈L一端接电源正极,另一端经过14脚插头座的4脚及R15和K\(_{3}\)的11、12、16、17、19、20接地而工作。此时由于按下录音键,其上的另外五个刀与整机的录音电路相关部位相接,故整机进入录音状态。
6.手动停止(STOP):不管机芯处在上述哪一种状态,只要按不停止键,通过L\(_{2}\)的作用可以使其他各键复位,机芯停止工作。
7.全自停:在机芯单元中记数器的过渡驱动轴上贴着多极性圆形磁环(图4)。收带轮在录音、放音、快进、快退状态下均通过橡胶带B带动记数器转动。传感器(霍尔元件)距离多极性磁环1~1.5mm,它被转动的磁极感应出200mV正弦电压。参看图2这个电压通过14脚插头座的13脚送到控制单元,经BG\(_{2}\)放大再由BG3、BG\(_{4}\)倍压检波得到负电压VD,V\(_{D}\)使BG5截止,BG\(_{6}\)导通、BG7截止。自停线圈L\(_{2}\)不能流过电流,因此STOP键不动作。一旦机芯的收带轮因故停止转动(例如磁带走到头或发生了绞带),则磁环也停转,霍尔元件没有正弦电压输出。则负电压VD消失,BG\(_{5}\)基极电压开始上升,当达到阀值时BG5导通,BG\(_{6}\)截止,BG7导通,自停线圈L\(_{2}\)流过电流,线圈中的磁铁拉动STOP键,使其他各键复位,机芯停止工作。

8.暂停(PAUSE):按下暂停键由于触点28、29断开切断M\(_{1}\)和电磁线圈L的电源,使录、放音暂时停止工作,由于暂停键为自锁式所以其他各键均不能复位。由图2见按下暂停键时触点26、27接通,BG5基极被钳位到零伏。这样BG\(_{5}\)保持截止,BG6导通、BG\(_{7}\)截止,所以不会因为暂停时收带轮停转而造成录、放键复位。当再次按动暂停键时,M1及L又恢复供电、录、放音又能正常工作。
9.电脑选曲(AMSS):前述选、复听(即手动选曲)功能只有机芯单元和控制单元两部分电路就可以实现。如果按照图2再加入电脑选曲及显示两个单元可以实现电脑选曲(即自动选曲)。
电脑选曲单元的核心是大规模集成电路LC-7512。在速进速退状态下它能将磁头从磁带上取出的曲间脉冲进行分析、根据预置好的曲间脉冲个数,经过处理之后驱动电磁线圈L\(_{3}\),使快进(或快退)键复位。1BG2的作用是将整机的录、放均衡放大器输出的曲间脉冲放大到250mV以便适应LC-7512第3脚的需要。1BG\(_{1}\)用来将IC第13脚输出的脉冲进行放大,驱动电磁线圈L3使F·F键(或REW)复位。显示单元的AN键是非锁式微动开关用来预置曲数。由于IC内部电路已安排好,当IC接通电源的一瞬间,12脚为低电平,也就是已经预置好了一个曲子,所以一通电2BG\(_{3}\)就亮。若想跨越两个曲于可按一下AN键,这时11脚为低电平,2BG3灭2BG\(_{2}\)亮。若想跨越三个曲子,可再按一下AN键,此时10脚为低电平,2BG2灭2BG\(_{1}\)亮。
在放音状态下按速进键,触点23、24接通,19、20断开,M\(_{1}\)停止工作,LC-7512的5脚通过1R1、BG\(_{1}\)0及K3的23、24,R\(_{1}\)0得到6V电压进行选曲。当到达所需节目时13脚输出高电平1BG1饱和,L\(_{3}\)流过电流吸动磁铁使快进(或快退)键复位,自动恢复放音状态。
图5、图6、图7分别是控制单元、选曲单元、显示单元的印板图。图中虚线为跨接线。制作时应注意C\(_{1}\)0、C4、C\(_{2}\)均应选用数值稳定的钽电解电容器。因为这几个电容决定IC内部积分电路的时间常数,所以要求较高。1W1用来调整LC-7512内部施密特电路的启动门限电压,一般要调整到使2为1.5伏。1BG\(_{1}\)应选用中功率管3DG12。IC各脚的正常工作电压见图2的标注值。微触开关组K3直接焊在图5印板上。



电于逻辑控制
使用电子逻辑电路和一系列无触点开关实现机芯的各种功能,是近年国外发展起来的盒式录音新技术。LX-401-4型电子逻辑控制开关电路就是其中的一种形式。这种电路与LX-401机芯结合使用可以方便地实现前述各种功能。
图8是这种逻辑控制开关电路,它由机芯单元、控制单元、控制显示单元、选曲单元和选曲显示单元五个部分组成。(待续)(赵吉生 谢伟光)