对于一般家庭(居室面积15~20平方米),音响设备的功率放大器输出2~5W音频功率响度就足够了。但目前常见的家用高保真扩音机输出功率大多设计在每路20W。国外的一些家用立体声音响设备输出功率甚至高达2×400W。这并非一味追求音量,而是为了满足节目动态范围的要求。在我国,功率放大器的最大有用功率指标是在连续的等幅正弦波情况下测得的不失真功率(尚未削顶)。音乐信号与连续等幅正弦波不同,其幅度变化很大。例如交响音乐的响度,动态范围约70dB,如果换算成电压的幅度,最强信号与最弱信号相差为3000倍!随着现代音响技术的发展,信号的动态范围还在扩展。例如数字编码的激光唱机,重放时的动态范围高达90dB。为使最强信号不出现削顶失真,功率放大器的最大有用功率都设计得很大,与满足通常所需功率相比,功率富裕量应为10~20倍。
根据对各种乐曲、歌曲的电平实际测试结果,得到图1所示的电平分布曲线,横座标为音乐信号的平均电平,纵座标为时间率(即信号达到某一电平值的时间之和在总的演奏时间中所占的比例。假设总的演奏时间为T,信号达到某一电平的时间之和为t,则时间率为t/T)。从图1可以看出,低电平信号所占的时间率很大,信号电平低于-30dB的时间率占50%。达到+10dB电平的时间率仅为0.7%。这样,最大有用功率为100W的音频功率放大器,重放音乐信号时输出的平均功率仅为8W。输出功率超过25W的时间达不到工作时间的1.4%。也就是说功率放大器绝大部分时间是在小信号状态下工作的。

随着功率放大器额定输出功率不断增大,其电源转换效率的矛盾就显得突出了,这对产品的重量、体积及成本至关重要。例如音响电路中常用的B类推挽功率放大器,满功率输出时效率可达70%以上,而在小信号工作时其效率就很低。为了消除交越失真,功放管都加有一定的偏置,实际上B类放大器是工作在AB类状态,零信号时放大器仍有电流消耗,效率指标必然进一步恶化。图2曲线,其横座标是放大器实际输出功率(P\(_{0}\))与放大器额定输出功率(Pe)之比,纵座标表示效率。从图2可见一个100W额定功率的放大器当实际输出25W功率时(横轴为25%)效率仅为37.5%。而一个25W额定功率的放大器实际输出也是25W(横轴为100%)时,效率却为78%。前已述及,放大器放送音乐信号时绝大多数时间为小信号状态,如果用一个大功率放大器放送效率就很低,而用一个小功率放大器放送效率就很高。但是小功率放大器又满足不了音乐信号的动态范围,怎么办呢?

七十年代国外出现了一种高效率音频功率放大器,平均效率可达到B类推挽放大器的2至3倍。不少国家已有产品投放市场,在日本称这种功效电路为E类放大器,美国和西欧称其为G类放大器,苏联及东欧则称其为B+C类放大器。
原理简述
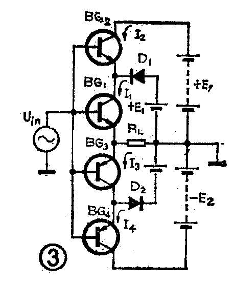
图3是这种电路的简化原理图,其特点是推挽输出级使用4只晶体管,并用两组正负电源供电(E\(_{2}\)>E1)。图中的信号源是功放电路激励级的简化形式。BG\(_{1}\)、BG3工作在B类状态,静态时两管的集电极电流均很小,由于R\(_{L}\)上电流方向相反,在RL上没有压降。电源电压+E\(_{1}\)通过二极管D1加在BG\(_{2}\)的发射极上,BG2因反向偏置而截止(BG\(_{2}\)相当于工作在C类),电源+E2中没有电流流过。下半边BG\(_{3}\)、BG4及电源-E\(_{1}\),-E2的工作状态与上述雷同。

当信号正半周来到时,电路相当于一个电源电压为+E\(_{l}\)的小功率B类放大器,BG1工作,波形参考图4。当输入信号正半周电压U\(_{in}\)大于+E1时,BG\(_{1}\)饱和,BG2基极变为正向偏置而导通,这时负载R\(_{L}\)中的电流由BG2提供,由于二极管D\(_{1}\)截止,阻止电流从+E2流入+E\(_{1}\)。同理当信号为负半周时“BG3、BG\(_{4}\)工作。这样负载电阻RL中就得到完整的正弦电流。电路在小信号时相当于一个小功率B类放大器,BG\(_{1}\),BG3工作。大信号时BG\(_{2}\)、BG4也参加工作。这种电路小信号时效率可以达到78.5%,大信号时效率可达80~90%。也就是说在小信号时电源转换效率得到大幅度提高。与B类放大器相比,同样的额定输出功率情况下.电源的容量,功放管的散热片均可减少,使得体积、重量、成本和耗电指标均得到改善。

图5是一个实用的高效率功率放大器电路,能适应±20~34V电源电压,其频响特性可达到16Hz~20KHz,当输出50W正弦功率时谐波失真仅0.5%,平均电源转换效率比B类放大器高一倍以上。图5是一个双声道放大器,由于两能道电路完全相同,图中只画出有通道完整电路。电路输入端的R\(_{1}\)、R2、R\(_{3}\)组成π型衰减器,根据不同信号源适当改变R1阻值使输入到BG\(_{1}\)基极的信号不超过200mV。BG1~BG\(_{4}\)组成恒流源基动放大级。BG5为推动级,它的集电极负载是恒流源BG\(_{7}\)和恒压源BG6,BG\(_{6}\)为BG9、BG\(_{1}\)0、BG13、BG\(_{14}\)提供稳定的偏置电压。由于使用了恒流源和恒压源,电路中各级管子工作点很稳定。

在图3简化电路中各功放管基极是直接连接在一起的,当输入信号U\(_{in}\)等于BG1集电极电压+E\(_{1}\)时BG1已经饱和,BG\(_{2}\)应该马上参加工作,然而此时BG2的基极与发射极之间电压为零,仍处于截止状态,到U\(_{in}\)=+E1+0.7V时BG\(_{2}\)才导通,造成输出波形失真。为了避免电源切换过程中产生失真,应该在BG2导通之前设法使BG\(_{1}\)不要进入饱和状态。改进的方法如图5,在BG1的基极回路串入一只稳压二极管。这样当U\(_{in}\)=+E1时BG\(_{1}\)的集电极至发射极的电压Uce1仍然高于饱和电压。对图5电路而言,从U\(_{in}\)等于+E1到BG\(_{8}\)、EG12导通大约相差2.1V,所以D\(_{2}\)(D3)的稳压值取2.5V左右就可以了,这个稳压值也不宜取得太大,否则会降低电源电压的利用率,减小了输出信号的动态范围。如没有合适的稳压管也可以使用两只硅整流二极管或发光二极管串联代替。在U\(_{in}\)低于+E1时BG\(_{8}\)的基极为反向偏置,特别在Uin的负半周时BG\(_{8}\)的b、e结要承受较高的反向电压,而大多数晶体管基极-发射极之间的反向击穿电压仅几伏,如果在BG8基极回路串入一只耐压较高的二极管(图5中D\(_{1}\)),便能阻止反向电流通过BG8的b、e结,保护BG\(_{8}\)发射结不致损坏。当D1、BG\(_{8}\)工作时,流过的电流具有陡峭加前沿,所以D1和BG\(_{8}\)(D4、BG\(_{11}\))要选用截止频率较高的管子。本电路D1、D\(_{4}\)使用2CK类开关二极管,要求耐压大于60伏,反向漏电流应尽可能小。
与电源+E\(_{1}\)和-E1串联的两只二极管(D\(_{5}\)、D6)在电源切换的瞬间,由于电荷存贮效应的原因从导通到截止的过程中由正向电流突变为较大的反向电流,经过反向恢复时间(t\(_{rr}\))之后,才真正达到截止。信号频率较低时这个反向电流造成的影响并不明显。当信号频率高到其周期与trr相接近时,反向电流对输出波形造成的失真就不能忽略了。为了消除这种由于电流存贮效应造成的失真,D\(_{5}\)、D6应选用工作频率较高的二极管2ANI(其t\(_{rr}\)小于2ns),同时又在二极管回路中串入两只小电感L1、L\(_{2}\)。这样使得频响特性高端大大改善。
图5电路对电源的适应能力较强,可以根据需要选择适当的供电电压。E\(_{2}\)的大小主要根据最大不失真输出功率Pe来确定。可用下式近似估算:
P\(_{e}\)≈(E2-4)\(^{2}\)2R\(_{L}\)
当负载阻抗R\(_{L}\)=8Ω时相应的电源电压和最大不失真输出功率如表1所示。确定了E2大小之后,根据电路的实际输出情况选择E\(_{1}\),以获得最佳的转换效率。图6是几种不同情况下功放管集电极损耗曲线。B类放大器最大管耗出现在P0=0.406P\(_{e}\)处。最大管耗Pc约为额定输出功率的40%。如果放大器经常放大音乐信号,要求动态范围很宽,平均输出功率P\(_{0}\)仅为最大不失真功率的\(\frac{1}{10}\)~1;20,则El选择13E\(_{2}\)时放大音乐信号效率最高。这种电路的效率可为B类的3倍左右。如果平均输出功率经常为最大不失真功率的1;3~\(\frac{1}{4}\),可选E1=1;2E\(_{2}\)。如果放大器经常需要满功率输出,选取E1=23E\(_{2}\)可使管子的平均损耗最小。电源利用率最高。


制作要点
本电路的各级晶体管可参考表2进行选择或代换。装置时分步安装调试。首先焊接差分输出级和恒流源部分(BG\(_{1}\)~BG4),焊好之后接通±E\(_{2}\)电源。如焊接无误各管工作状态应如图5所标注的数值,R6上压降为0.7V,BG\(_{1}\)、BG2集电极电流I\(_{c1}\)、lc2分别为lmA,R\(_{6}\)上电流为2mA。电阻R5上压降为0.82V,这个电压是BG\(_{5}\)偏置电压。差分级装好之后再焊接电压放大级(BG5~BG\(_{7}\))。通电后电阻R9上压降应为0.12V,R\(_{12}\)上压降为0.7V。BG5的集电极电流为4.5mA左右。把一只6.8KΩ的微调电阻焊接在R\(_{1}\)0的位置上,改变其阻值,恒压源BG6的集电极与发射极之间电压应有较大变化。接下来安装功率放大级BG\(_{8}\)~BG15。BG\(_{l2}\)~BG15(BG′\(_{12}\)~BG′15)不焊在图7的印板上,而是安装在散热板上,各散热板应与机壳绝缘。安装好之后同时接通电源±E\(_{1}\)和±E2,在D\(_{5}\)或D6回路中串入电流表,从小到大调整R\(_{1}\)0的阻值,使BG13、BG\(_{14}\)的静态电流为15~25mA,并且两只管子的集电极电流应大致相同。此时测出微调电阻的数值,换成同阻值固定电阻代人。恒压源的焊接点应可靠,防止由于虚焊引起功放管工作点偏移。


静态时BG\(_{12}\)、BG15的基极、发射极之间的电压U\(_{be}\)为零,集电极电流也为零,管子处于截止状态。由±E2提供给差分级和电压放大级的电流约为15mA,输入小信号时这个电流也保持不变。随着输入信号的增大当负载上输出电压的峰值电压超过E\(_{1}\)之后,BG12、BG\(_{15}\)导通,E2提供的电流陡增至数百毫安。由于该电路输出功率较大,为降低损耗提高效率。功放管发射极均未串入电阻,因此对功放管的散热问题应十分注意。散热板可用2至3层3mm厚的铝板自制,原则是宜大不宜小,并且涂黑以利散热。放大器正常工作时功放管微微发热,如有烫手现象,必须加大或加厚散热板。如果几只功放管安装在同一决做热板上,要注意防止各管短路。最好是在管与散热板之间垫上一层聚脂薄膜,发射极、基极用绝缘套管套上,集电极用绝缘垫圈固定。
图5中的L\(_{1}\)、L2可以用φ0.41~0.47mm漆包线以1W10KΩ碳膜电阻作骨架绕三层,线圈两端即焊在电阻引线上。L\(_{1}\)、L2的电感量约100~200μH,直流电阻小于0.5Ω。

电源部分如前述,根据最大输出功率及最佳效率自行设计。图8电源电路可与图5电路配合使用,最大不失真输出功率每路50W,适合家庭经常放音乐节目,效率可比B类电路高三倍。图8中括弧里的数据可与图5配合,最大不失真输出功率每路为20W。(夏映东)