前面我们介绍了单管机和两管机的制作方法,虽然这两种收音机都能取得较好的收听效果,但是它们需要用高阻耳机收听,高阻耳机体积较大,价格也较高,所以从实用角度看还有不足之处,而低阻耳机体积小,价格也低,所以实用一些。下面我们就介绍一种使用低阻耳塞机收听的三管机。
电路介绍

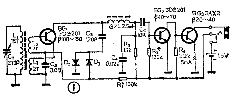
图1为低阻耳塞三管机的原理图,BG\(_{1}\)管组成来复放大电路,来复放大级输出的音频信号,经C5(10μF)交连到BG\(_{2}\),经BG2放大后输出的音频信号直接耦合到BG\(_{3}\)音频放大级。BG3管接成共集电极电路即射极输出器。
元器件选择
本机磁性天线采用直径10毫米,长70毫米的圆型磁棒,L\(_{1}\)绕75圈,L2绕7圈,L\(_{3}\)绕2圈。
可变电容器C\(_{1}\)采用2×270P密封双连中的任一连,也可以用270P的单连可变电容器。
晶体管BG\(_{1}\)、BG2采用NPN型硅小功率高频管,型号为3DG201,管脚排列见图2A所示。对管子β值的要求BG\(_{1}\)应在100~150;BG2应在40~70之间。BG\(_{1}\)、BG2管也可用其它型号,如3DG202、3DG57等塑封管也可用,管脚排列见图2B所示。另外如3DG4、3DG6等金属封装的管子也能用,管脚排列见图2C。BG\(_{3}\)为PNP型锗低频小功率管,β值为20~40,型号为3AX2,管脚排列见图2D。另外如3AX32、3AX31等都可代替BG3,其管脚如图2E。D\(_{1}\)、D2用2CK型二极管或用两只NPN型硅高频管的PN结。2CK型二极管正、负极见图2F。

本机所用耳塞为8欧姆低阻耳塞。
安装与调试
整机全部元器件安装在一块90×65毫米的印刷电路板上,印刷电路板用刀刻法制成,其元器件安装图见图3所示。实体连接图见图4所示。耳塞插孔采用3.5毫米的,按照第5期中介绍的方法改成兼开关式的。


本机调试时,先调BG\(_{1}\),把L3用一根导线短路,在R\(_{1}\)处接入一个串有10千欧电阻的500千欧电位器,先把电位器阻值调在阻值最大位置,在R2和电源正极间串入一个电流表(可用万用表5毫安左右的电流档),连接方法如图5所示。插上耳机(即接通电源),转动电位器减小阻值,使电流表指在0.5毫安,然后焊下电位器和串联电阻,测一下它们此时的串联总阻值,换一个等于总阻值的固定电阻焊在R\(_{1}\)的位置,再复测一下,如电流表仍指在0.5毫安则表示安装的电阻值合适,拆下电流表焊好R2,BG\(_{1}\)就调试好了。

第二步,调BG\(_{2}\)BG3的电流,焊下R\(_{3}\),在R3处焊上一个10千欧电阻和500千欧电位器。在BG\(_{3}\)集电极和地线之间串联上一个5毫安或10毫安的电流表,如图6所示。插上耳塞,把可变电容器调到没有电台的位置(可逆时针转到头),调整电位器使电流表指在5毫安左右,在R3处换上一个与电位器及串联电阻阻值相同的固定电阻,并焊好BG\(_{3}\)集电极。

第三步:调再生,断开L\(_{3}\)上的短路线,转动可变电容器收听一个频率高端的电台(可变电容器逆时针旋转到头频率最高端),把L3往磁棒中心移动,若收听的电台声音变大,说明再生线圈L\(_{3}\)接对了,直到调L3使收听电台声音最大而又不啸叫为止。若向磁棒中心移动L\(_{3}\),收听电台声音反而变小,说明L3两线头接反,只要把L\(_{3}\)两头对调一下,再按上述方法调好。


本机装在一个塑料肥皂盒内。收音机旋钮可用市售的,如找不到可自制,制作方法如图7所示,先把一个长6毫米左右的螺丝钉(螺钉的螺扣与可变电容器旋轴中心的螺扣一样),焊在一块薄铁片上,然后再用502胶粘在一个塑料钮扣上。旋钮就做好了。使用时把旋钮螺钉顺时针拧紧在可变电容器旋轴头上即可。整机外形见图8。(沈征)