对于工作在放大状态和开关状态的晶体管电路,电子爱好者们都比较熟悉。而对雪崩击穿状态,通常都认为是引起管子损坏的不利因素之一,在设计和制作电路时总尽量予以避免。实际上,晶体管的雪崩特性也有很多实用价值,目前已越来越引起人们的重视。下面就晶体管的雪崩原理及雪崩状态的应用作一介绍。
晶体管的雪崩原理
在晶体管集电极与发射极之间加有较高电压时,集电结空间电荷区中的电场随之增强,在强电场作用下将形成电子空穴对。新产生的电子和空穴与原有的电子空穴一样向相反的方向运动,重新获得足够的能量后,又可通过碰撞再产生电子空穴对,这种现象称为载流子的“倍增效应”。当反向电压增大到某一数值后,载流子的倍增情况就象发生雪崩一样增加得又多又快,从而使反向电流急剧增大,造成集电结雪崩击穿(一次击穿)。
由于集电结被击穿,集电极与发射极之间的电阻实际上仅取决于发射结的导电率,对大部分晶体管来说,在击穿的瞬间阻值约为数十欧姆。由于此时结电阻很小,在较高电压的作用下,当电流Ic达到某一数值时,便出现二次击穿。这时,晶体管压降Uce减小,由于通过很大电流,使得PN结温度急剧升高,以致造成热击穿。
应当指出的是:雪崩击穿状态是可逆的,当所加的反向电压降低之后,晶体管仍然能恢复原有的特性。而热击穿却会造成永久性的损坏。如果能够限制雪崩击穿时的反向电流,使电压和电流的乘积不超出管子允许的耗散功率,就可以让晶体管安全地工作在雪崩状态。多次反复击穿而不会引起损坏。
电子爱好者常用的普通晶体管中有不少都能在雪崩状态下工作,自然晶体管的材料和结构不同其特性也不一样,就是对同一只晶体管的雪崩击穿曲线来说,也同基极——发射极回路的条件有很大关系。一般说,3AG1~3AG4、3DK4、3DG12、3DA1等高频管适合用在雪崩状态,一些低频大功率管3DD和3AD系列也可用作雪崩晶体管,它们的雪崩击穿电压可在数十伏到数百伏之间。此外,大多数硅材料的小功率高频管在集电极和发射极反向接入时,也可用作雪崩晶体管,不过击穿电压很低,只有7~12伏左右。
雪崩状态的应用

从晶体管的输出特性曲线(见图1)可以看到,在雪崩击穿区具有负阻特性,这就很适宜用来构成张弛振荡器,以产生各种大幅值、高速度的脉冲信号。由于雪崩效应,少数载流子通过基区的渡越时间大为缩短,响应的快速性也显著提高,这是用遂道二极管的张弛振荡器所无法达到的。

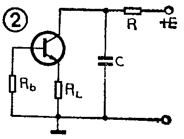
用雪崩晶体管构成的张弛振荡器基本电路如图2所示,电容器C与晶体管并联,电源电压E(30~600V)经过限流电阻R对C充电,当C上的电压上升到雪崩电压时,便经过导通的晶体管迅速放电。放电结束后,晶体管恢复截止状态,C又开始充电并重复上述过程。增大限流电阻R,降低电源电压E的数值及减小R\(_{b}\),可使电路工作在它激状态。这时晶体管可由基极加入的同步信号来触发雪崩。在电容C的两端可输出线性良好的锯齿波,其幅值接近晶体管的雪崩电压,在负载RL上可得到功率较大的窄脉冲。

图3是用小功率硅管组成的两种雪崩振荡电路。把晶体管反向接入,便可使用9~30V的低压直流供电。图3(a)是音频信号发生器,可用作电子门铃,振荡频率由电容器C确定,电位器W用作微调,R\(_{2}\)是限流电阻,防止在W调到阻值为零时,晶体管通过太大电流而烧毁。图3(b)是一个闪光节拍器电路,闪光频率可在每分钟5~300次的范围内改变。发光二极管可以多个串联接入,因每只管子上有1.5~2V的正向压降,所以电源电压要增加相应的数值。这两种电路消耗的电流与脉冲频率有关:频率越高,消耗电流越大。图3(a)电路消耗的电流为1~7mA,图3(b)电路则为0.7~2mA左右。

用雪崩晶体管产生的脉冲去触发可控硅的电路如图4所示,可用来对白炽灯、电熨斗等电路实现直流无级调压。交流220V经二极管D\(_{1}\)~D4桥式整流加在负载R\(_{L}\)和可控硅SCR上。同时雪崩晶体管的供电也是利用未经滤波的脉动直流,以便使触发脉冲能够和电源同步。从电阻R3上输出的脉冲加在可控硅的控制极上。调节W的阻值就改变了振荡频率,从而使可控硅的导通角也随之变化,因而能在较大的范围内进行调压。可控硅SCR和整流二极管D\(_{1}\)~D4的耐压应大于500V,额定电流可根据负载功率的大小选取。(夏映东)