空气负离子发生器在国外是一个热销产品,它的独特的功能在国内也正在逐步被人们认识,开始进入人们的家庭。本文向读者推荐一个价廉物美的DKF型开放式空气负离子发生器。
空气负离子发生器的作用
随着工业的发展,人们时时刻刻离不开的空气,也越来越受到较严重的污染。人们要想在污染环境中仍能呼吸新鲜的空气,就必须和污染作斗争,例如,采取一些人为的手段来改造空气。空气负离子发生器就是为了满足这项要求而诞生的。实验证明,空气中的负离子具有很好的净化空气的作用,如果在住宅内、在影剧院内或在汽车内安装上空气负离子发生器,可以使你经常呼吸到新鲜空气,对健康当然大有好处。据有关资料介绍,在欧美一些国家,空气负离子发生器已成为新的建筑中的一种必备设施。据介绍,随着带有过滤器的空调器的大量应用,过滤后的空气中负离子含量几乎为零,因此在这些地方更有安装负离子发生器的必要。
我国销费水平还不高,居住面积也比较小,根据这些现实条件,这里向读者介绍一个在欧美也极为热销的DKF型开放式空气负离子发生器,这种小仪器体积小、售价低、效果好,适合于一般家庭需要,也非常适宜于业余爱好者自行制作。开放式结构的特点是:静电场的正极是整个自然空间,这样有利于负离子向空间扩散。我们知道,空气负离子的产生除了与外界自然条件、负离子发生器电晕极的曲率半径(通常我们把在静电高压电场下产生空气负离子的方法叫电晕法,电晕极的曲率半径表示了电晕针的尖锐程度)和施加的高压有关外,还有一个更重要的条件,即电场强度。当曲率半径和高压为定值时,电场强度值主要取决于以电晕极为参考点的间距。但对于开放式结构来说,正极是整个空间,在正常工作状态下,电力线由无穷远指向电晕极尖端,产生的负离子在电场力的作用下逆电力线方向向空间扩散。这种结构同双极板结构相比,电场范围大,负离子浓度高,产生的臭氧少,而且工作时对其它的家用电器影响很小。高压电场本身是一个高效的离子收集器,负离子发生器在工作时,电离出来的正离子以极快的速度向负极移动,被电极吸收,而负离子则被排斥到相反的电极,向空间扩散,于是净化了空气。经测量,在距发生器0.3米处,负离子的浓度可达每立方厘米300万个。在距发生器2米处测量,负离子浓度为每立方厘米5~7万个,而臭氧的含量很少。臭氧含量如果不多,对人身体会有不利影响。
电路工作原理
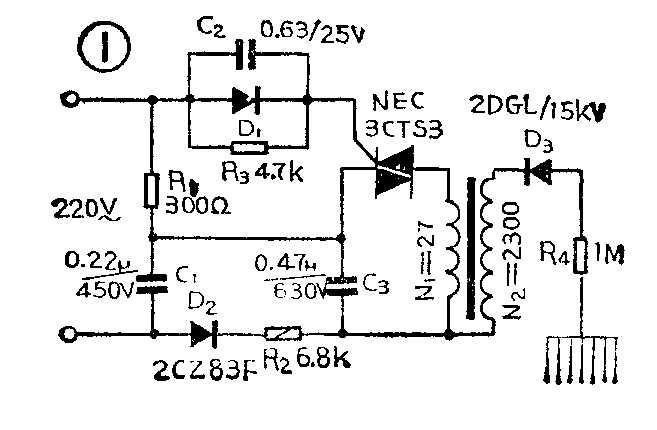
电路图见图1。电路中主要采用了一个双向可控硅器件,这种器件的特点是它的控制极上所加的脉冲不论是正还是负,阳极和阴极之间所加的电压不论是正还是负,只要满足一定条件,可控硅均能导通,导通的方向取决于阴、阳极之间所加电压的极性。本电路中采用的是一只NEC3 CTS3双向可控硅,通态有效电流为3A,通态浪涌电流为30A,峰值关态电压为700V,控制极触发电流I\(_{GT}\)<±15mA。

图1中,电阻R\(_{1}\)与电容C1组成一个分压电路,电阻R\(_{1}\)两端的电压UR1加在可控硅的控制极上,作为可控硅的触发电压。二极管D\(_{1}\)、电容C2、电阻R\(_{3}\)为触发回路,其中R3、C\(_{2}\)起移相作用。

如图2所示,当电网电压在交流负半周时,电容C\(_{1}\)两端的电压为下正上负,此时二极管D2导通,整流后的脉动直流电压经电阻R\(_{2}\)向电容C3充电。约0.0065秒之后,电压U\(_{C3}\)达到峰值,此时加在控制极上的电压UGT约为8V。双向可控硅便开始导通了。当电网交流电压过零点的时候,由于电容C\(_{2}\)的移相作用,电容C2两端的电压仍能使可控硅导通。在电网交流电压进入正半周时,经二极管D\(_{1}\)整流后的电压可直接去触发可控硅,使可控硅继续处于导通状态。
升压变压器的初级线圈与电容器C\(_{3}\)组成一个LC振荡回路,当电容器C3充电到峰值以后,二极管D\(_{2}\)不再导通,此时可控硅仍在导通,于是初级线圈电感与C3构成的回路将产生一个衰减式自由振荡,振荡频率约为电源频率的14.5倍。这一个振荡信号经升压变压器升压,再经硅堆整流,于是在负离子发生器的极板上产生一个静电高压,在高压下电离出来的空气负离子沿着电力线向四周扩散,其中对人体有用的氧负离子的含量约占80%以上。图1中,高压包次级的另一端(下面一端)接机壳,作为另一块极板。从图2波形图可以看出,在电网交流电压的一个周期内,有将近三分之二的时间会产生空气负离子。又由于图1电路振荡部分的频率较电源频率高,约为电源频率的14.5倍,放电次数就多,于是负离子的浓度则会比与电源频率同步的产品高6倍左右。本文所介绍的开放式负离子发生器耗电也极省,仅有1.5~1.8W。
有的读者问:空气负离子发生器与目前一些工厂生产的氧负离子发生器有什么不同呢?在本文所介绍的开放式空气负离子发生器问世以前,一般见到的空气负离子发生器都采用正负极板结构,其设计思想是想通过提高集中的电场强度来提高负离子的含量,实际上采用这种结构有许多缺点,它所产生的负离子浓度低,其中对人体有用的氧负离子仅占55~60%。另外在电离过程中还产生对人体不利的臭氧、不同的氧化氮化合物、带电及不带电的凝聚颗粒。卫生部门认为,当臭氧超过一定含量时,将对人体产生不利影响。为了克服上述缺点,于是出现了一种氧负离子发生器,这种发生器增设了生物过滤器、紫外线灯等,使臭氧通过生物过滤膜分解为氧。它所产生的负离子中,氧负离子占90%以上。但这种仪器的成本高、耗电量也太大,目前还难于在一般家庭中普及。本文所介绍的开放式空气负离子发生器效率较高、成本低、耗电小,合理地解决了上述两者之间的矛盾,适宜于在一般家庭中普及。
图1中电阻R\(_{4}\)的作用是当人体不小心触到高压电极时,避免发生击伤危险。设置R4后,即使用手去摸电极,也不会有强的麻电感觉。又由于负离子是靠高压电场产生的,所以在正常情况下R\(_{4}\)的存在不会使负离子浓度减小。
制作与调试经验
本文中的关键器件NEC3 CTS3采用进口双向可控硅。另一个关键元件升压变压器,可使用14英寸黑白电视接收机上的行输出变压器进行改制,低压包用线径为0.3mm的漆包线重新绕27匝,原高压包不动即可。

图3是负离子发生器的结构图,供业余爱好者自制时参考。一般情况下,只要按图1中所给出的参数进行装配,则组装好后不需调整就能正常工作。应指出的是,电阻R\(_{2}\)的阻值大小与负离子浓度近似成反比例关系。R2越小,负离子浓度越大,但噪音也增加,电阻上消耗的功率也要加大。建议读者可在6.8KΩ基础上串接一个24KΩ的电位器,以便用电位器随意调节负离子的浓度。(林国栋 孙玉华)