以前生产的16英寸细管径显象管的黑白电视机(如飞跃40D2型等),在全国各地有一定数量,由于黑白显象管标准化后,16英寸黑白显象管目前已经不生产了,因此,需要用尺寸相近的显象管来代换,笔者曾用17英寸显象管改装过数十台16英寸黑白电视机,现将方法介绍给大家。
电性能方面
17英寸与16英寸(细管径)黑白显象管的灯丝电压、聚焦电压、加速极电压、阳极高压、偏转角及显象管的管脚排列等都基本相同,因此,原来的16英寸电视机的有关电路和行、场偏转线圈、行输出变压器以及显象管的管脚插座都可以不改动。
结构方面
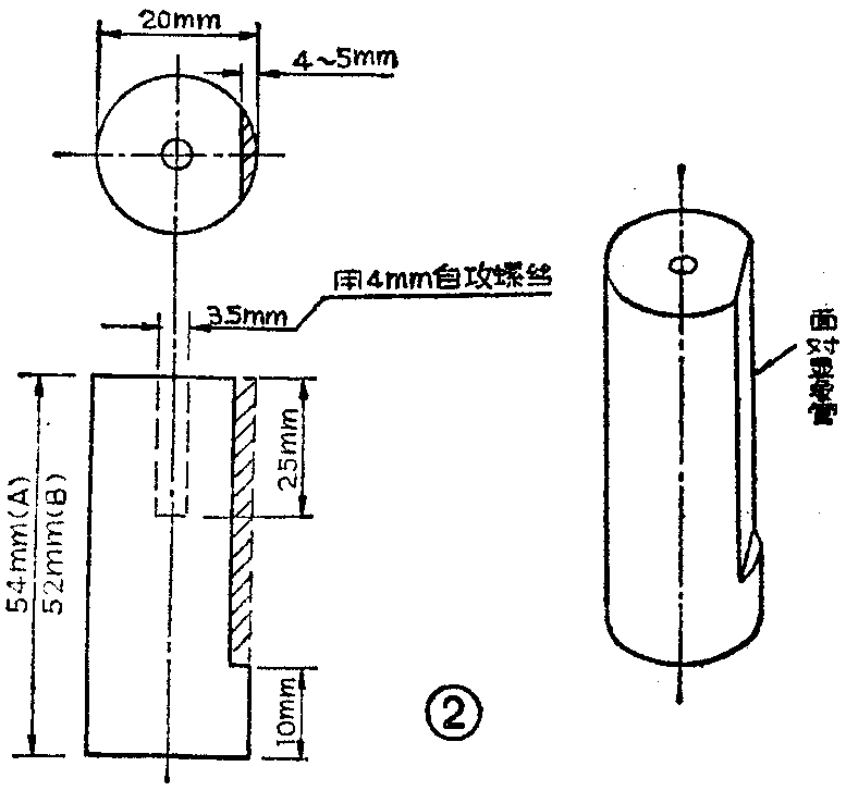
1.面框的改动:由于17英寸荧光屏大于16英寸荧光屏,因此,原来的面框必须改装,具体改装见图1:(1)将图1中原来的四个显象管固定脚(画网纹处)挖去,其深度为25mm,圆弧的半径R为31mm,操作时可用75W~100W,扁平头的烙铁,烫去不要的部分,然后再把17英寸的显象管放到面框上试试,最好能使显象管与面框靠平放正。(2)用ABS料(ABS——是一种工程塑料,是丙烯晴、丁二烯、苯乙烯的缩写)在车床上车四个固定17英寸显象管的固定脚,具体尺寸见图2,其中A脚的尺寸:直径为20mm,高为54mm,B脚尺寸:直径为20mm,高为52mm,A脚将固定在靠高频头和喇叭的一侧,中心要钻螺丝孔,如果用4mm的自攻螺丝,则孔径为3.5mm。(3)安装四个固定脚,在面框四个角上有许多加强筋,在安装固定脚时,要按固定脚的尺寸,铲去部分加强筋,最好使圆柱形的固定脚刚好紧卡在固定筋之中(见图1)。最后再用四氢呋喃将四个固定脚胶牢,操作时,可用废针筒注射四氢呋喃。


2.后盖的改动:把17英寸显象管装入16英寸的电视机中,从显象管尾部到后盖只有2~3mm的间隙,如果改装后,就地收看,是不会发生什么问题的。如果改装后的电视机还要经过长途运输颠簸,则最好在靠近显象管尾部的后盖上挖去火柴盒大小的一块,然后外部再补上一个方盒,为了美观,在方盒上还可贴上原商标。
3.安装时的注意事项:(1)安放显象管时,要使显象管的位置尽量向上,使显象管下面的大电路板取、放自如,不出现紧碰和卡死的现象。(2)按上述方法改装的电视机,虽然用的是17英寸的显象管,但是由于面框上的荧光屏方框没有改动,所看到的屏幕仍是16英寸的。如果改装后还想看17英寸大小的荧光屏,可按图1中虚线所示的尺寸,用钢丝锯把多余的部分锯掉,锯掉后的框边要磨平、修光、上漆。(3)改装后,如果发现有行幅过大或过小,可拔去或加大逆程电容来解决。如果亮度有些不足,可用改变加速极的电阻分压比,适当提高加速极电压来解决,如飞跃牌40D2型电视机,只要将7R\(_{29}\)(1MΩ)短路即可。(4)最后对照测试卡,对偏转线圈进行调整,调好后,将偏转线圈用腊封固,这样改装全部结束。(上海无线电十八厂 周康生)