在计算机、脉冲与数字电路等电子电路及自动控制各领域里,无论在教学、科研、生产实践过程中,都需要使用脉冲信号源。购置一台专用的脉冲信号发生器一般都需要数千元,这里介绍一种经济实用的小仪器——脉冲变换器。如果将该变换器与普通的正弦信号发生器插接或连接起来,即与正弦波信号发生器联合使用,就可以很方便地产生所需要的脉冲信号。该机具有如下几个特点:
一、结构紧凑、使用方便。该机装于一个香烟盒大小的特制金属盒内,利用机上插头可以直接与某些信号发生器(如XD2型)输出端插接。又由于全机工作依靠“自给电源”,无需另接电源或电池,因而使用极为方便。
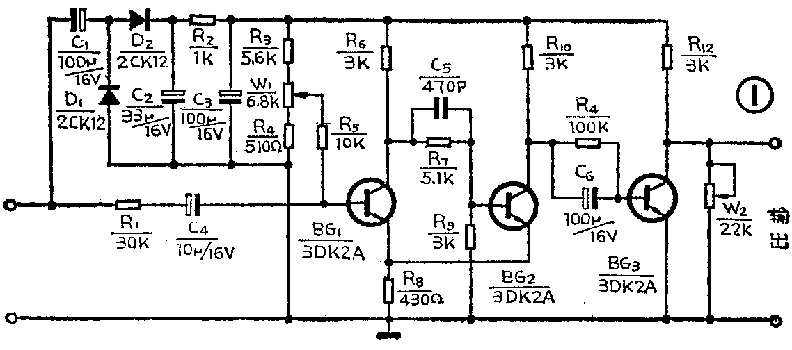
二、性能良好,稳定可靠。该机性能主要有以下几点:①变换频率范围:10Hz~500KHz;②输出脉冲幅度:≥6V,+0.3V~+6V连续可调;③脉冲宽度:T/3~2T/3,连续可调(T:脉冲周期);④脉冲上升时间:≤0.3μS;脉冲下降时间:≤0.1μS;⑤脉冲频率准确度与稳定度取决于正弦信号发生器,因而比一般脉冲信号发生器高。该机电路原理图见图1。现分三部分简述其工作原理:

1.电源:本机采用信号整流自给电源电路。即将信号发生器输出的正弦信号电压,经过整流、滤波变为直流电压,作为本机的直流电源。自给电源电路见图2。在图2中,D\(_{1}\)、D2与C\(_{1}\)、C2构成二倍压整流电路,在输入正弦信号电压的负半周时,D\(_{2}\)截止,D1导通并给C\(_{1}\)充电,见图2a;在输入正弦信号电压的正半周时,D1截止,D\(_{2}\)导通并给C2充电,见图2b。由于此时C\(_{1}\)上已充有接近正弦信号峰值的电压,且与输入信号电压正半周的极性相同,因而在C2两端就可以得到近似正弦信号峰值二倍的直流电压。C\(_{2}\)又与R2、C\(_{3}\)组成π型低通滤波电路,以进一步滤除直流电压中的交流成分。

2.脉冲变换电路:脉冲变换电路的作用是将输入的正弦波变为脉冲。具体来说,就是当输入正弦信号电压低于一定值时,变换电路输出低电位;而当输入正弦信号电压高于一定值时,变换电路输出高电位。这样,就能够将一个正弦电压按一定要求变换为脉冲电压,见图3。

脉冲变换的基本电路采用射极耦合双稳态触发器,又称为施密特电路,见图4。电路由两级反相器组成正反馈电路,从BG\(_{1}\)的集电极通过R7与R\(_{9}\)的分压耦合到BG2的基极;然后从BG\(_{2}\)的发射极通过发射极电阻R8耦合到BG\(_{1}\)的发射极。故称为发射极耦合触发器。

下面结合图5简单说明该电路的工作原理。当触发器的输入端不加触发信号,或者触发信号u\(_{i}\)的电位较低时,即输入电压ui<V\(_{be1}\)+Ve(式中V\(_{be1}\)为BG1由截止进入导通时基射之间的电压;V\(_{e}\)为发射极对地的电压),则BG1处于截止状态,集电极输出u\(_{c1}\)为高电位。通过R7与R\(_{9}\)的分压使BG2处于饱和状态,所以BG\(_{2}\)集电极输出uc2为低电位,这是电路的一种稳定状态,见图5中t\(_{0}\)~t1一段及t\(_{2}\)~t3一段。

当输入信号u\(_{i}\)高于某一电位时,即满足ui>V\(_{be1}\)+Ve,则BG\(_{1}\)将由截止状态变为饱和状态,uc1变为低电位。通过R\(_{7}\)与R9的分压,使BG\(_{2}\)由饱和状态变为截止状态,所以BG2集电极输出u\(_{c2}\)为高电位,这是电路的另一种稳定状态,见图5中t1~t\(_{2}\)一段及t3~t\(_{4}\)一段。
由图5可以看出,如果变化BG\(_{1}\)基极的直流电位,则可以改变BG1工作状态变换的时间,起到调节输出脉冲宽度的作用,具体电路见图1W\(_{1}\)、R3、R\(_{4}\)、R5部分。
3.脉冲输出电路:脉冲输出电路由开关管BG\(_{3}\)与R11、R\(_{12}\)、C6、W\(_{2}\)组成。C6与R\(_{11}\)在这里有两个作用:当BG2由饱和变为截止时,C\(_{6}\)中将流过一个较大的充电电流,使BG3由截止迅速变为饱和,有利于改善脉冲下降沿失真;而当BG\(_{2}\)由截止变为饱和时,由于C6上已充有一定的直流电压,其极性有助于BG\(_{3}\)由饱和迅速变为截止,因而改善了脉冲上升沿的失真及脉冲信号高电位的波形。
脉冲幅度可由W\(_{2}\)调节,W2与R\(_{12}\)组成分压电路以决定BG3集电极电位。变化W\(_{2}\)则可调节BG3集电极截止时电位的高低,从而起到调节脉冲幅度的作用。
该机装好后一般不需调整即可正常工作。在使用中应注意以下几点:①使用时应将信号发生器“输出衰减”置“0”位置,调节“输出细调”使输出电压为5伏以上。并将信号发生器的频率调节到所需要的刻度上。②本机与外电路为直接耦合,必要时需外接隔直流电容。(文矢)