罗马尼亚244型电视机调谐器组件是单独装在一块高放AGC板上,用导线和插头与大机板相连接,配有6个预选器。UHF和VHF是分别装在两块线路板上。印刷线路板上的元器件都有标号,但是印刷线路板上的元件标号与原理电路图上对应元件的标号略有一些出入:(1)在UHF部分,原理图上的元件标号是从51开始,而印刷线路板上的元件标号是从1开始,这样原理图上的R\(_{58}\)就是线路上的R8,L\(_{62}\)就是L12。(2)UHF部分原理图上的D\(_{3}\)就是线路板上的D4,D\(_{4}\)就是D3。(3)线路板上预选器的七线输出插头,C8/3与C8/5应互换。由于有元件标号,元件坏了容易寻找,有利于维修。该调谐器由于元件安排很密,工艺差,因此元件相碰及虚焊故障率很高,它和波兰625型电视机的调谐器很相近,只是变换频段的方式有所不同,244型机是通过开关二极管转换线圈来变换频段的,而625型机则是通过开关二极管改变电容量来变换频段的。
工作原理
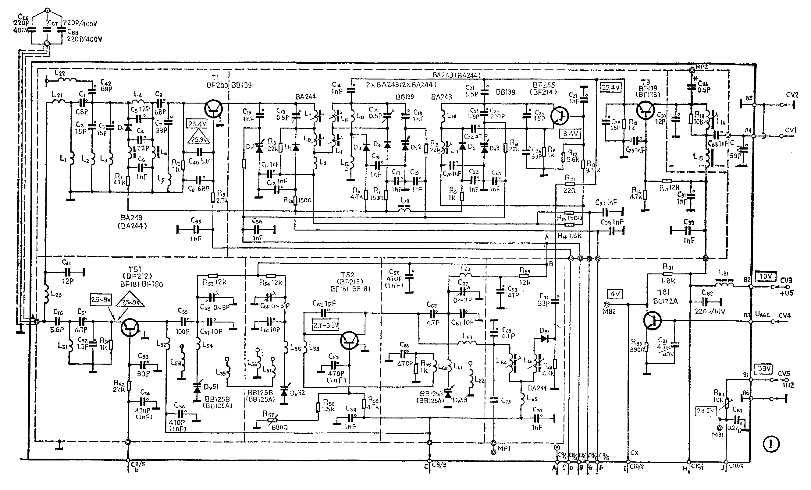
该调谐器是全频道调谐器,电路见图1。分VHF和UHF两部分,由于机板带电,在天线输入端用了三只耐压400V以上的电容作隔离,以保安全。

VHF部分由输入回路、高放、本振和混频电路组成。输入回路是一个宽带回路,能抑制象频和中频干扰信号,使输入阻抗匹配。高放管T\(_{1}\)是共基极连接,AGC加在基极,集电极电流在3~4mA时增益最大,它的负载是一个参差双调谐电路,当D2、D\(_{4}\)截止时,L7和L\(_{8}\)、L10和L\(_{11}\)工作于谐振回路,使调谐器电路工作在Ⅰ、Ⅱ频段,当D2、D\(_{4}\)导通时,L8和L\(_{11}\)被短路,则调谐器工作在Ⅲ频段。通过调节变容管DV1、D\(_{V2}\)来选择电台。混频管T3是共基极连接,由L\(_{12}\)、L13、C\(_{28}\)、C14组成输入调谐回路。当D\(_{3}\)截止时,L12和L\(_{13}\)工作于谐振回路,使调谐回路工作于Ⅰ、Ⅱ频段。当D3导通时,L\(_{12}\)被短路。使调谐回路工作于Ⅲ频段。高放调谐回路中的线圈和混频输入回路的线圈是绕在同一个骨架上,高放信号通过电感紧耦合到T3发射极,本振信号经C\(_{21}\)也加到发射极,在T3管中混频成38MHz的中频。混频管集电极负载是一个单调谐回路,L\(_{14}\)和分布电容谐振于38MHz,经C33输出到中放通道。T\(_{2}\)是本振管,在Ⅰ、Ⅱ频段时,D5截止,L\(_{17}\)和L16相连接。在Ⅲ频段时,D\(_{5}\)导通,L17被短路,通过调节D\(_{V3}\)的容量,改变振荡频率,达到连续选台的目的。
UHF部分由输入回路、高放、振荡和混频电路组成,输入回路是一个宽频带回路,它的作用是使阻抗匹配,同时有一定的选择性。高放管T\(_{51}\)是共基极连接,AGC加在基极,集电极负载是双调谐回路,振荡和混频都由T52担任,高频信号经过T\(_{51}\)负载调谐回路耦合到T52的输入回路,在T\(_{52}\)中混频,它的集电极负载是一个双调谐回路,谐振于38MHz。中频信号经D51、C\(_{71}\)、R21加到T\(_{3}\)发射极,此时T3只起中频放大作用。
T\(_{81}\)是AGC电压倒相放大管,测试点M82电压为2.8~3.5V,如果高放AGC没起控,有无信号此点电压都不变。
常见故障的判断
当无图象、无伴音时,应首先确定是中放通道还是调谐器的问题,这两部分电路出了故障,荧光屏上都有噪声点,扬声器内也有噪声,而国产电视机这两部分电路有故障,荧光屏上无噪声点,或者噪声点很弱。这时应首先检查预选器,测三线输入插头C10/1、C10/2、C10/3的电压和电流,测七线输出插头C8/1、C8/2、C8/3、C8/4、C8/5、C8/6、C8/7的电压、电流和阻值,测阻值时预选器置于空位,万用表放1KΩ档,但测C8/3、C8/4的正向阻值时,万用表放10KΩ档。正常的电压、电流和阻值如表1所示,如果所测的电压、电流和阻值不正常,则可能是预选器或调谐器的故障。如果电压、电流和阻值都正常,可把调谐器中频输出的五线插头拔下,接上一个国产KP12-3型或中频在37MHz的高频头,由于本机供调谐器的电源为13V,所以在代换国产高频头时,应再串一个1/4W、100Ω的金属膜的电阻,使电源电压降到12伏。如果收到清晰的图象和伴音,则是调谐器的问题,如果收不到图象和伴音,则是中放通道的问题。如果调谐器无法修复,也可按上述方法用国产高频头代换。

常见故障检修
(一)UHF和VHF都收不到节目
1.检查调谐器天线输入接线柱上连接的电容、电感线圈是否有相碰和虚焊的现象。
2.测量T\(_{3}\)管的发射极有无电压,正常的电压值见表2,如果T3发射极无电压,则可能是B、E极内部开路。

3.测量变容管的电压是否正常,如果变容管无电压或电压很低,应检查VAR输入接线柱上的导线与电路板之间有没有漏电或短路现象。
(二)UHF正常,VHF收不到节目或图象弱
1.把预选器置空位,把万用表放10KΩ档,红表笔接七线输出插头的第四脚C8/4,黑表笔接地,测量C8/4对地的正向阻值,正常时,阻值应在100KΩ左右,如果阻值远大于100KΩ,应进一步检查T\(_{1}\)的B、E极内部是否开路和引线有无虚焊情况。如果测量到的阻值小于正常值,则可能是T1管的基极电压不正常,应进一步检查第四脚C8/4接线柱与T\(_{1}\)基极连接的导线有无漏电及与地短路现象。如果所测量的阻值正常,可打开铁盖子直观检查各元件有无相碰和虚焊现象,如果没有,可进一步检查T2管各极电压是否正常,正常时各极电压值如表2所示,在检查和更换T\(_{2}\)管时,要注意与振荡器相关的元件和导线不要轻易拨动,否则振荡频率就会偏移。
2.检查变容管DV\(_{1}\)、DV2、DV\(_{3}\)的工作电压是否正常,如果不正常,则可能这三个变容管中有损坏的情况,通常DV1损坏,使电视机VHF频段图象淡。如果DV\(_{1}\)损坏了,可用耐压大于40V的3DG84和3DG12的C、B结来代用。代换时,要根据本地区电台逐个试用管子、选择图象最佳为好,由于国产管容量不匹配,所以效果要比使用原装变容二极管时差些。如果DV2或DV\(_{3}\)损坏了,而DV1没有坏,可把DV\(_{1}\)换到DV2或DV\(_{3}\)上去,然后DV1用国产管代用。
(三)VHF频段中有一个频段收不到节目
1.Ⅰ、Ⅱ频段收不到节目:首先检查T\(_{1}\)、T2集电极有无电压,如果没有电压,应分别检查L\(_{8}\)、L17有无虚焊或开路现象。如果电压正常,应检查D\(_{2}\)、D3、D\(_{4}\)是否击穿。
2.Ⅲ频段收不到节目:测量T\(_{1}\)、T2的集电极电压,如果集电极无电压,应检查D\(_{2}\)、D3、D\(_{5}\)是否开路,如果二极管损坏了,在换不到原装管时,可用国产开关管代用,具体型号见表3。若D5管损坏,而D\(_{2}\)、D3、D\(_{4}\)没有损坏,可把D2、D\(_{3}\)或D4换上,D\(_{2}\)、D3、D\(_{4}\)可用国产管代换。

VHF部分的测试




当用万用表测量调谐器各点的直流参数均没有发现异常,而仍然收不到电视节目时,可用扫频仪来测试。先把预选器调到所要测试的频道,下面以1频道为例,在T\(_{3}\)的发射极上接一个1000pF的电容,把扫频仪的输出和检波电缆接在电容上,通过调节预选器,使本机振荡频率谐振在87.75MHz,所测波形见图2,如果无振荡波形,可重点检查振荡电路的电容C28有无虚焊和漏电。如果有振荡波形,不要再调节预选器,检波电缆也不要动,把扫频仪的输出电缆改接在调谐器的天线输入接线柱上,此点增益为8~14db,波形见图3。如果没有增益曲线,应检查高放级各谐振回路的电容是否开路。如果有增益曲线,再把扫频仪的输出电缆接天线输入端接线柱,检波电缆接T\(_{1}\)的集电极,此点增益为12~22db,波形见图4。如果频率偏高,增益很低,应重点检查C11、C\(_{12}\)是否开路。如果无增益曲线,应检查C10是否开路、DV\(_{1}\)参数是否变化。如果曲线正常,输出电缆不动,检波电缆接在L10上端,此点增益为10~20db,波形见图5,如果谐振曲线频率偏高,增益低,应重点检查C\(_{17}\)。如果无增益曲线,应检查DV2是否开路或参数变坏。(王森林)