单管收音机就是只用一只晶体三极管的收音机。由于这种收音机所用元器件少,所以装置起来比较简单,容易收到明显的效果,特别适合初学无线电的爱好者学习,实验。
电路介绍
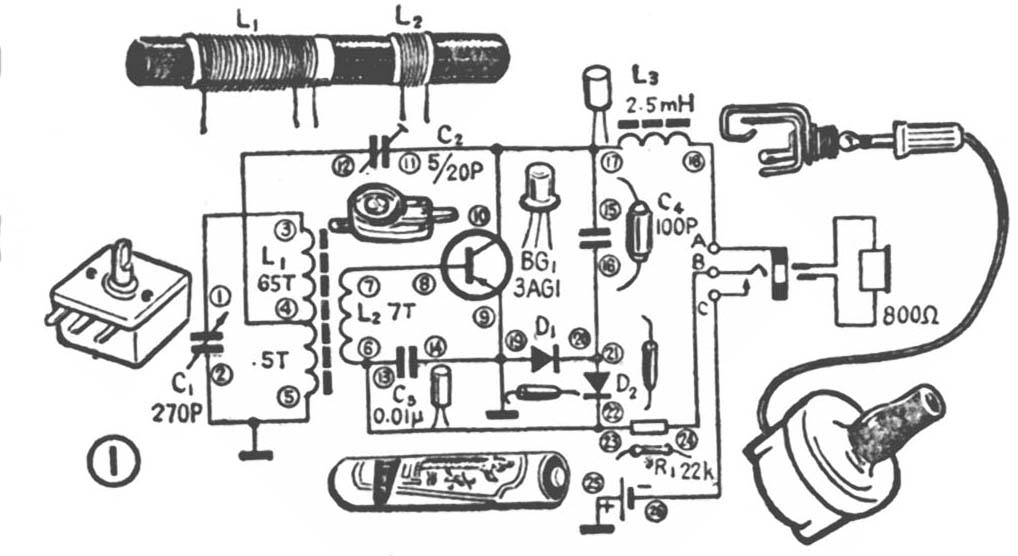
单管收音机的原理图,见图1所示。磁性天线感应到的无线电波信号经L\(_{1}\)、C1组成的调谐回路选出我们要收听的广播电台信号(高频调幅波),经L\(_{2}\)交连,高频信号一端直接加到晶体三极管BG1的基极,另一端通过C\(_{3}\)耦合到BG1发射极,由BG\(_{1}\)对高频信号进行放大,放大后的高频信号从BG1集电极输出。由于高频阻流圈L\(_{3}\)对高频信号阻抗大,所以高频信号电流绝大部分经过交连电容C4加到由两只二极管D\(_{1}\)、D2组成的检波电路。检波后的音频信号,经过L\(_{2}\)又被送入三极管BG1的基极和发射极进行音频放大。

另一路,有一小部分高频信号则经过C\(_{2}\)(因C2的容量很小),正反馈到C\(_{1}\)、L1组成的调谐回路,用来加强输入信号的强度,这种作用叫“再生”作用。由于加了再生电路,收音机的灵敏度和选择性都有很大的提高。经BG\(_{1}\)放大后的音频信号从集电极输出。这时,对音频信号来说,C4比高频阻流圈L\(_{3}\)的阻抗大得多,所以音频电流绝大部分通过高频阻流圈L3,送到耳机变成我们要听的声音。电容器C\(_{3}\)除用来将L3上的高频信号加到BG\(_{1}\)发射极上,还用来将检波后的剩余高频成分旁路掉,不再反馈到晶体管BG1。
元器件选择
可变电容器C\(_{1}\)为2×270PF的密封双连可变电容器,用其中的任意一连。其它类型的可变电容,如260pF的空气可变电容或270pF的单连密封可变电容可直接代用。360pF的密封可变电容或365pF的空气可变电容也可代替C1,但线圈L\(_{1}\)应减少5~6圈。另外,小型差容双连(一连最大容量为141pF;另一连最大容量为5.9pF)或超小型差容双连(一连最大容量为127pF,另一连最大容量为60pF),可将两连的定片连在一起代替C1,但线圈L\(_{1}\)应增加5~6圈。
磁性天线:在φ10×140毫米的中波磁棒上L\(_{1}\)绕70圈(在65圈处抽一个头),L2绕7圈。
另外扁形磁棒和不同长度的磁棒也可来绕制磁性天线。但选用长度短的磁棒,线圈应多绕几圈,反之选用较长的磁棒,线圈应少绕几圈。
半可变电容C\(_{2}\)选用最大容量20pF、最小容量为5pF的瓷介电容器。其它容量相近的半可变电容器(不论是什么介质的)都可代用。
高频阻流圈GZL为塑料封装的小型电感线圈,其它类型的电感线圈,只要电感量在1至5毫亨左右都可直接代用。
晶体管BG\(_{1}\)为PNP型锗高频管,型号为3AG1,β值在50~15O之间均可。其它3AG型或3AK型的晶体管,如3AG11~14,3AG21~24,3AG29、3AK9、3AK13、3AK20等都可代替BG1。
晶体二极管D\(_{1}\)、D2为锗高频二极管2AP9型,其它2AP或2AK型均可代用。
固定电容器C\(_{3}\)、C4无特殊要求,只要容量与C\(_{3}\)、C4数值相近都可代用。
固定电阻R\(_{1}\)为1/8W碳膜电阻,其它类型的电阻只要体积不太大都可代用。
耳机采用直流电阻为800欧姆的高阻耳塞机,其它直流电阻在200Ω~1000Ω的高阻耳机均可代用。电池使用5号电池一节,电压1.5伏。
整机安装
1.绕制磁性天线:在磁棒上平行放置一根长100毫米、直径1毫米左右的漆包线或单股塑料线,然后在磁棒和漆包线上用牛皮纸卷绕2~3圈,并粘牢,如图2所示。

纸筒卷好待稍干后即可用7股直径0.07毫米的纱、漆包线绕制L\(_{1}\)和L2。绕制方法是:用一根长150毫米的棉线,对折起来,在离多股线线头60~70毫米的地方系一个扣,然后把棉线平行放在纸筒上(离纸筒边缘3~4毫米),如图3所示。然后用多股线在棉线和纸筒上逆时针密绕。绕法是用左手拇指和食指捏住磁棒并顺的针转动磁棒,右手拇指压住多股线,并随时把绕好的线圈一圈挨一圈地贴紧排齐,如图4所示。绕到65圈时,把多股线对折50~60毫米,并拧在一起,然后按照前面线圈的绕线方向再绕5圈,如图5所示。当线圈绕完后把线头夹在两根棉线中,用棉线将多股线紧紧扣牢。
然后再按上述方法离L\(_{1}\)3~4毫米的地方绕7圈为L2。绕好L\(_{1}\)和L2后,抽出纸筒下边的漆包线,并在线圈上烫上一层石蜡。然后用刀子在L\(_{1}\)和L2中间把纸筒切开。这样,两只能在磁棒上移动的线圈L\(_{1}\)和L2就绕好了。
2.制作实验板:用一块70×150毫米的单面敷铜板,如图6画成90个方格,用折断的锯条或锋利的小刀按图7那样割成90块互相绝缘的小块铜箔,实验板就做好了。


3.元器件安装焊接:参看图9先把磁棒支架用螺丝钉固定在实验板第2、14两块小铜箔上,然后装上磁性天线,再把可变电容用自制的支架焊在电路板上,并把电池卡也焊在实验板第79、84两块小钢箔上。另外,再用一个自制支架把耳机插座焊在实验板上(44、59两块小铜箔上)。我们按照电原理图,从左边往右边依次把元件安装在实验板上。为使叙述方便,我们把元件编上号,请按以下顺序连接好。①和③;和④;②和⑤;⑦和⑧;⑥和;和;⑩和;和;和;耳机插座C;耳机插座B;耳机插座A。并把⑤、、⑨、条引线焊在一起。每焊完一个连接点最好用红铅笔在原理图的连线上描一下,这样可避免元器件漏焊或错焊。

本机所用耳机插座又兼做电源开关,所以要把市售现成的耳机插座改装一下,如图8所示。整机焊好后的实体连接图如图9所示。

四、调试方法:收音机安装好后,反复核对电路确认无错时就可进行通电调试了。先把电阻R\(_{1}\)焊下来,然后用一只50千欧电位器,串联上一个5.1千欧的保护电阻,代替R1,如图10所示。先把电位器拧至阻值最大处(当使用B、C两头的,顺时针拧到头),然后安上电池,插好耳机(同时接通了电源),把半可变电容调到容量最小的位置,然后缓缓转动电位器,使其阻值减小,当转到某一位置时,可听到耳机中开始有了广播声,或较大的电流声(哗哗响声),说明电路基本正常,这时可转动可变电容,使耳机中听到较清楚的广播声,如转动可变电容听不到声音,可再继续减小电位器和可变电容,直到听到一点播音声,然后再调电位器使广播声最大,最好听为止。注意在调电位器时,在一定范围内都能使耳机中声音最大,我们取声音差不多大,而电位器阻值为较大时的位置停下来。断开电源(即拔下耳机),焊下电位器和串联电阻。用万用表测一下其阻值,在R\(_{1}\)处焊上一个同测得阻值相同的固定电阻即可。换好电阻后再插上耳机(接通电源)调可变电容收听一频率较高的电台,再调整半可变电容C2(增大其容量)使耳机中声音最大而又不啸叫。若调大C\(_{2}\)耳机声音反而变小,只要将线圈L2的两线头对调一下即可。

如在调电位器时电位器转到了阻值最小的时候耳机中也听不到广播声或较大的电流声,则说明电路安装有错误。经常出现故障的地方有以下三种原因:①磁性天线的线头没刮干净,没镀好锡,造成电路不通。②晶体二极管或三极管管脚装错。③焊接不牢固,出现虚焊,造成接触不良。
通过单管机的实验,初学者应该掌握以下几点:①会绕制磁性天线;②会看着电路原理图正确地焊接电路;③会用电位器调试晶体管的工作状态,使它正常工作。(沈征)