CMOS集成电路具有电源电压范围大(3~18V)静态功耗低(门功耗在毫微瓦级)、输入阻抗高(达10\(^{12}\)欧)和抗干扰性强等优点,用途很广,目前我国已经能大批生产的品种达数百种。为了帮助广大无线电爱好者熟悉和学会使用这种集成电路,本文向读者推荐一组实验电路,这组电路均以CMOS与非门为基础,包括16个在日常生活中有实用价值的小制作项目,制作起来很有兴趣,所需元、器件的费用也不多。
实验器材包括CC4011集成电路一片,3DG12晶体管一只,2AP9一只,2CK11二只,发光二极管一只,HTD27A—1压电陶瓷发声元件一个,φ10×100中波磁棒一个,JRX—13F型继电器一个,高阻耳机一副,3伏玩具电动机一个,实验板一块,阻容元件若干。对一些元器件的主要要求是:3DG12的β值应大于100,100μF和22μF的电解电容应采用钽电解电容。
使用CMOS电路时的注意事项
1.CMOS集成电路输出负载能力有限。CMOS门电路的输出端为低电平时要吸收电流,输出为高电平时要输出电流。这两个电流值均不大,不能用来去直接驱动继电器等负载,一般要通过三极管放大后再去带动大电流负载。附表给出了在业余条件下的负载电流能力,供读者参考。
电源电压 典型应用 业余应用
5V 1 2
吸收电流
(mA) 10V 2.6 4
15V 6.8 8
5V 1 2
输出电流
(mA) 10V 2.6 5
15V 6.8 9
CMOS门的容性负载能力规定在5000PF之内,否则会增加门电路的功耗,使门电路损坏。必要时,可在门的输出端串一个限流电阻,阻值为1KΩ~5KΩ。
2.CMOS电路的噪声容限虽然比较高,但如果使用不当也很容易受到外界干扰。这是由于CMOS电路的输入阻抗非常高,很容易受到外界电磁场的干扰。特别是当输入端带长线时,更容易受到干扰,解决办法是在长线的终端采取终端匹配或滤波等措施。例如:在图1电路中,当开关K的引线过长时,可在集成块输入端串接上一个电阻R\(_{2}\),以防止产生振荡。C1是滤波电容。R\(_{1}\)是上偏电阻,并有降低输入端阻抗的作用。

3.CMOS集成电路“闲”端的处理;所谓“闲”端、就是指不用的输入端。在处理时可以将它接到电源V\(_{DD}\)上(或将门的“闲”端接地),也可以将它与另一个输入端并联起来使用。
4.CMOS集成电路的保存与使用:CC4011采用双列直插式封装(见图2),保存时要用铝箔纸包好,使其各个脚相互短路。做实验时,在其它元器件全部插接完毕后,再插入CMOS集成电路。焊接对,电烙铁外壳应当接地。

几种实验电路
1.与非门的逻辑功能实验:
我们知道,与非门的逻辑符号有两种画法(见图3),图3a侧重使用与非门的“与非”功能。即A与B均输入1(高电平)时,输出为零(低电平)。图3b侧重使用与非门的“非或”功能,即A或者B之一输入为零时,输出则为1。“与非”和“非或”是用同一种与非门实现的,二者的关系必须搞清楚,否则在看逻辑图(尤其是看国外资料)时就会糊里糊涂。图4的实验电路可以帮助读者对此加深理解。图4a和图4b可以合并到一起,这里人为地分开画是为了强调与非门的双重功能。图4中已标示了CC4011的电源(14脚)、地(7脚)引脚,为了简单,在以后几个电路中就不再一一标出了。


2.验证反演规则:
反演规则是逻辑代数的一个重要规则。它的意思是:设F为逻辑表达式,如果将F中的“·”换成“+”,“+”换成“·”,原变量换为反变量,反变量换成原变量,那么所得到的就是F-。图5a中F=AB-·CD-,根据反演这算规则有F-=AB+C-D。所以可以得到F=AB+CD。图5的实验可以仿照图4方法进行,这个实验的结果可以验证AB-·CD-=AB+CD

3.RS触发器:
RS触发器是最基本而又重要的一种触发器,字母“R”表示“复位”,字母“S”表示“置位”。由实验可以得到图6中的真值表。当R-和S-端均为1时,触发器能保持(寄存)状态不变。利用RS触发器这一特点,在数字电路中,常把它作为寄存器使用。应说明的是,当R-和S-同时为零时, Q和Q-可以出现都是1的暂态,如果R-和S-端零同时撤除,则Q和Q-状态不会保持上述暂态,而是状态不定。

4.线性交流放大器:
与非门虽然是数字电路,但也可以用作为线性放大器。图7是CMOS与非门的电压传输特性曲线。从数字电路的角度上看,希望曲线的陡峭部分尽量陡一些。而作为线性放大器使用时,它正好工作在这个陡峭区域内,应合理选择工作点,以避免失真。图7中利用反馈电阻R对门进行直流电压偏置,使偏置点建立在V\(_{in}\)=Vout=V\(_{DD}\)/2处,则门电路也可以作为小信号的交流放大器。图8是用三级与非门串联的交流放大器,电压增益为100,高频响应为100KHz、与非门的闲端接VDD,这种接法与将输入端并联起来使用的方法相比,可以使电路有更好的电压稳定性。图中R\(_{2}\)(10MΩ)如果太小,会使增益降低、失真增加。


5.用CMOS门电路制成的收音机:
图9收音机电路包括磁性天线调谐线圈、检波和低频放大三部分,使用3伏电池即可工作。收音时需加一段外接天线。

6.调幅无线电发射机:
图10是一个调幅发射机的简单电路,它包括高频振荡和低频振荡两部分。音频振荡器由与非门1和2构成,当R\(_{1}\)≈2R2时,电路输出为方波。高频振荡器由与非门3、4以及L、C\(_{2}\)构成,它受音频振荡器的调制,产生调幅度为100%的调幅振荡,然后利用磁棒线圈L将调幅波发射出去,发射距离约1米左右。此信号由调幅收音机的中波段接收。利用电键K,可以做无线电报发射的实验表演。

7.电子催眠器:
图11是使用压电陶瓷发声元件制成的电子催眠器电路。它由超低频振荡器和音频振荡器两部分构成。与非门1和2组成超低频振荡器,输出的超低频信号再去控制音频振荡器,使压电陶瓷发声元件发出有规则的“嗒、嗒”声,使人入睡。调整R\(_{1}\)阻值可以改变“嗒、嗒”声间隔的快慢。电路采用3伏电池(二节1.5V)供电,耗电极省,不必另设电源开关。

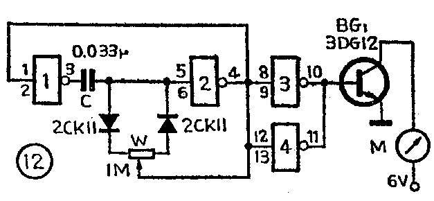
8.电动机调速装置:
图12也是一个振荡器。它的特点是,使用两只二极管将电容器C的充电路径和放电路径分开。这样以来,当调整电位器W的中心抽头时,W的总阻值(即两个固定引出端的阻值)不会变化,只是电位器中心抽头两边的两段电阻的比值发生变化。所以电路的振荡周期也不会变化,只是振荡电路振荡脉冲的占空比发生了变化。利用这种脉冲宽度可以调节的特点,可控制直流电动机的转速,使转速发生变化。当输出脉冲的宽度增加时,电机获得的脉动直流电压的平均值上升,转速就会加快;反之则速度减慢。图12是使用一个6V电源去控制一个3V玩具电动机的例子,其中与非门3和4并联起来使用是为了增加输出电流的驱动能力。

9.电子门铃:
图13是一个电子门铃电路,使用时,可用一个小木盒作为压电陶瓷发声元件的共鸣箱,以显著增强音量,一般说来可满足一个大单元住房使用。室外的按钮开关K,可用磷铜片自制。

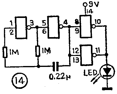
10.瓶花的闪光装饰:
闪光电路如图14。可将发光二极管安装在塑料花的花芯上,打开电源后,发光管发出间断的闪光,使塑料花会更艳丽。如果想将此电路改为用3V电源供电,可参考图12,在图14电路后面再加一个三极管3DG12,发光二极管正极接电源,负极接3DG12的集电极。

11.有定时功能的闪光计时器:
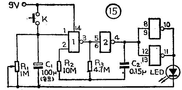
图15是闪光计时器电路,它由与非门1和2构成秒振荡器,仔细调整电容C\(_{2}\)容量,使发光二极管每一秒钟亮一次。电路还设置了定时器电路,每按一下开关K,C1就很快充电,闪光器开始闪光。当手离开K后,C\(_{1}\)经电位器R1放电,放电速度决定了闪光的持续时间。调整R\(_{1}\)阻值,可将时间控制在10秒至50秒之间。该闪光计时器适用于暗室印像、放大照片等。如果将发光二极管换成压电陶瓷发声元件,用声音报时也可以。

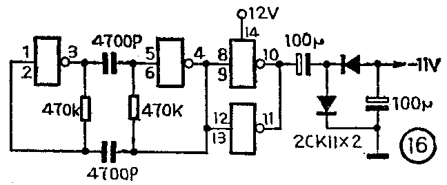
12.直流变换器:
图16是一个直流变换器电路,它由振荡器和倍压整流两部分构成,可以输出11V负电压,提供的输出电流约2mA,可供运算放大器使用。

13.触摸式报警电路
CMOS电路的输入阻抗很高,所以利用人体感应的杂散电压,可以使门电路翻转。图17是一个触摸式报警电路,10MΩ电阻一方面将与非门A的第2脚电位降低到逻辑零电平,另一方面又保持着输入端有高阻抗的特点。当人手触及T点之后,门A的第2脚电位抬高,输出低电平,于是使门A和门B构成的RS触发器翻转,经BG\(_{1}\)驱动继电器J吸合,发出警报。报警声一直要持续到有人按一下清除开关K为止。图中电容C的数值要视触摸点T到门A的引线长短来定,线长0.3米时C取47PF;线长0.5米时C取100PF。

14.触摸式延时开关:
利用CMOS高输入阻抗的特点,还可以制成如图18所示的延时触摸开关。平时C\(_{2}\)两端已充满电,为高电平。当手触及T点后,二极管D1导通,使C\(_{2}\)通过二极管放电,此时与非门B的第6脚电位变低而第4脚电位抬高,使BG1导通,继电器J吸合,常开接点接通,灯亮。而当手离开T点之后,C\(_{2}\)经R2充电,经过大约10秒钟的时间,J释放,灯灭。该电路适用于走廊灯的自动控制。

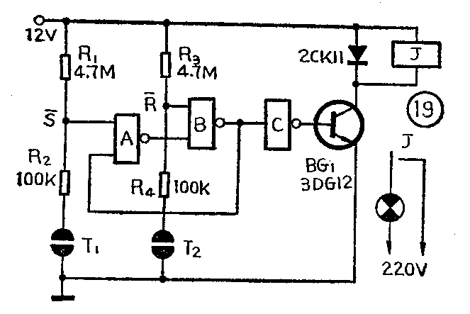
15.触摸锁定开关:
图19的触摸开关,有两对触摸点,当手触T\(_{1}\)点时可以使灯亮;触到T2点后,可以熄灯。电路中的与非门A和与非门B构成RS触发器,触点T\(_{1}\)和T2分别接在触发器的S-和R-端,静态时S-和R-为高电平,与非门A输出低电平,与非门B输出高电平,与非门C输出低电平,BG\(_{1}\)不导通,继电器J不动作,常开接点断开,电灯不亮;当用人手触及图19中的接点T1时,由人体电阻(约100K)使T\(_{1}\)触点导通,使与非门A的输入端S-由高电平变为低电平,RS触发器工作状态翻转,使得与非门B输出端变为低电平,与非门C输出高电平,BG1导通,继电器J吸合,接点接通。电灯点亮;当用手去触及触点T\(_{2}\)时,B与非门输入端的R-由高电平变为低电平,输出端变为高电平,与非门C输出低电平,BG1截止,灯泡就熄灭了。此电路可用于台灯控制。其触点T\(_{1}\)、T2可用金属装饰物进行巧妙安排。

16.肘控开关
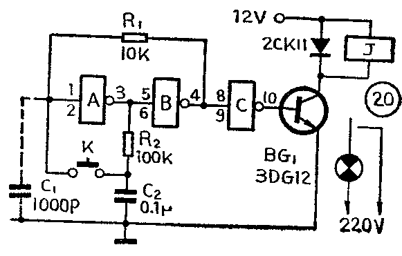
当你用两只手端着东西进、出厨房时,如果再想用手去拉电灯的拉线开关,就会感到很不方便。如果电灯不用拉线开关,而采用肘控开关就方便多了。图20是肘控开关的电路图,电路的核心是由与非门A和B构成的一个交替激发电路,电阻R\(_{1}\)是一个正反馈电阻。每按一次按钮开关K,电路的输出状态便翻转一次。开关K可用磷铜片制成,在铜片的上面装上一块用绝缘的塑料板制作的肘控压板,将开关K和压板一起安装在门框上。进出厨房时,只要用肘轻轻压一下开关压板,就可以达到开灯或关灯的目的。需要注意的是,如果开关K离电路的距离较远,引线超过1米时,可以考虑如图20所示加一个滤波电容C1,以防止由于外界干扰引起电路误动作。

使用CMOS集成电路还可以构成其它许多实验电路,限于篇幅关系,本文就不再一一列举了。介绍上面这一组实验的目的,是让读者仅用不多的几个元器件和一块实验电路板,就可做多种有趣、有启发性而且实用的小实验,可帮助读者较快地熟悉和掌握CMOS集成电路的特点和应用。(许奇雄)