这里介绍一台简单实用的稳压电源,它的输出电压可在3~6伏中任意选定,最大输出电流100毫安,能为各种晶体管收音机供电。
工作原理
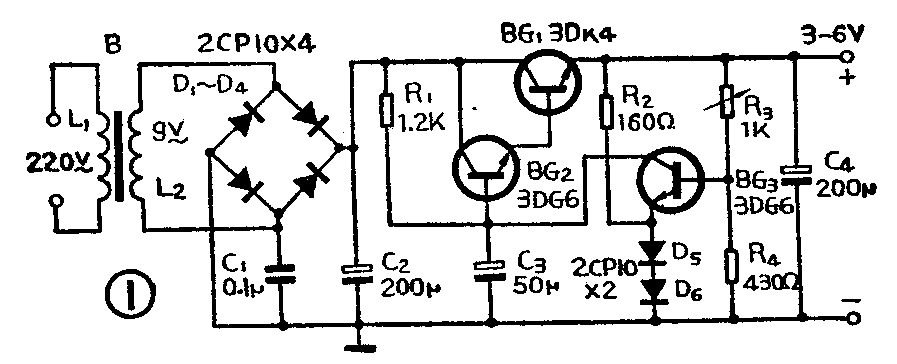
图1是稳压电源的电路图。这是典型的串联稳压电源。复合管BG\(_{1}\)、BG2担任调整管。当输出电压发生起伏变化时,BG\(_{3}\)的基极从R3、R\(_{4}\)分压电路得到输出电压,放大后控制调整管,使BG1的管压降产生相应变化,抵消输出电压的波动,电路中两只硅二极管D\(_{5}\)、D6正向串联,代替稳压管提供基准电压。

元件选择
电源变压器用GEI-12型硅钢片作铁心,叠厚21毫米(截面积2.52平方厘米)。初级用φ0.1毫米漆包线绕3870匝,次级用φ0.27毫米漆包线绕166匝,交流输出电压9伏特。三极管BG\(_{1}\)用3DK4或3DK9,3DG12等型号的管子,BG2、BG\(_{3}\)可用3DG6或3DG201等型号的管子。
图2是1:1的稳压电源线路板。

调试
全部电路焊接完毕后检查无误,即可通电调整。首先测量整流电路的直流输出电压(C\(_{2}\)两端),读数应在10伏特左右。如果太低,要检查整流电路。接下去测量BG3发射极电压,即基准电压,应稳定在1.4伏特左右。如果没有电压或电压过低,可能是调整管损坏或稳压管短路;反之,如果电压过高,则可能是稳压管烧断或D\(_{5}\)、D6的极性接反。最后,再测量输出电压(C\(_{4}\)两端)数值。改变微调电阻R3的阻值,输出电压应随之变化,当达到我们需要值时,将R\(_{3}\)固定下来,最好换一个阻值相等的固定电阻,免得因微调电阻接触不良造成输出电压波动。附表中列出与各输出电压相应的R3阻值,可作参考。如果输出电压不能由R\(_{3}\)调整,可以进一步测量BG3的基极电压。如果基极电压不能变,是R\(_{3}\)、R4有问题,否则要检查BG\(_{3}\)是否损坏,再看BG2基极电压能否变化,进而检查调整管。
输出电压 3V 4.5V 6V
R\(_{l}\)(Ω) 200 510 820
稳压电源性能的检查
反映稳压电源性能好坏的指标很多,全面测量比较复杂,业余制作时,只要简单地按照图3方法进行检查:在稳压电源的输出端接上万用表,测量它的输出电压(设为6伏特),然后再接上一只小电阻R(阻值60欧姆),使电源的输出电流达到设计最大值100毫安。注意观察R接入前后输出电压的变化。变化越小,电源的稳压性能就越好,一般应小于输出电压的5%~10%,否则使用时就会引起收音机声音失真。

怎样提高电源的稳压性能呢,一般可以从四个方面入手:①选择较高的基准电压,②提高基准电压的稳定性;③使用穿透电流小、β值高的调整管;④减少整流输出电压的变动。为此,我们制作稳压电源就应在技术上采取相应的措施。
基准电压是否稳定,对稳压电源性能影响很大。有条件的话最好使用合适的稳压管。由于基准电压过高会影响输出电压的调整范围,所以稳压管的工作电压一般为电源输出电压的50%~80%。如果低工作电压的稳压管不易找到,使用硅二极管代替,那么工作电流不能取得太小(R\(_{2}\)阻值不能过大),最好在20毫安左右,否则二极管工作在非线性区,会严重影响基准电压的稳定。
稳压电源的主调整管BG\(_{1}\)常用中,大功率管担任,选管时必须首先选穿透电流小的使用,如果这只管子的β值较低,则复合推动管BG2一定要搭配一只高β管。同时,放大管BG\(_{3}\)的β值也选大一些(>100)为好。这样才能使它们对输出电压的波动灵敏地作出反应。
稳压电源的电源变压器应当见较粗的线来绕,以尽量减小线圈的内阻。否则负载电流变化时会引起整流输出电压的明显变化。实践证明,一般收音机用的稳压电源使用1瓦变压器,虽然从功率上讲已经可以满足,但使用效果一般都不好,一定要用3瓦左右变压器。在机盒体积、成本等条件允许时,用大一点的变压器是有好处的。另外,电源变压器的次级电压过低,也会造成稳压电源性能不良。因为调整管只有工作在线性区才能有效地起作用,这就要求它的集射电压至少为2~4伏特。变压器次级电压过低,会使调整管过早地截止,造成稳压电源失控。
有的稳压电源使用时,收音机会发出很大的“哼……”声,通常称为交流声。造成交流声的原因是稳压电源输出电压中交流成分太强,即“波纹电压”高。把晶体管毫伏表接在电源的输出端,即可以量出波纹电压读数。一般不应大于10毫伏。减小波纹电压的办法是增大电容器C\(_{2}\)和C4的容量。电源输出电压越低、负载电流越大,越需要使用大容量的电容器,一般为200~500微法。BG\(_{2}\)的基极接入电容C3也是为了减小波纹电压,同时能避免出现自激现象。
如果没有收到电台广播时听不到交流声,一旦收到电台节目就伴有明显的交流哼声,这种现象称为“调制交流声”,是因电台信号从电源线窜入收音机而引起的。我们只要使用有“静电隔离”的电源变压器就可以避免这种干扰。所谓静电隔离,就是在变压器的初、次级之间包一层不短路(两端不相接)的薄铜皮,然后把它与收音机的“地”相连。当然,静电隔离要在变压器绕制时就做好。如果使用现成的没有静电隔离的变压器,可在次级线圈的里端(靠近初级一端)接一只0.01~0.1微法的电容器到收音机的“地”。
采取上面这些措施之后,稳压电源的使用效果就会大大改善,显露出经济、便利的特点。(陈鹏飞)