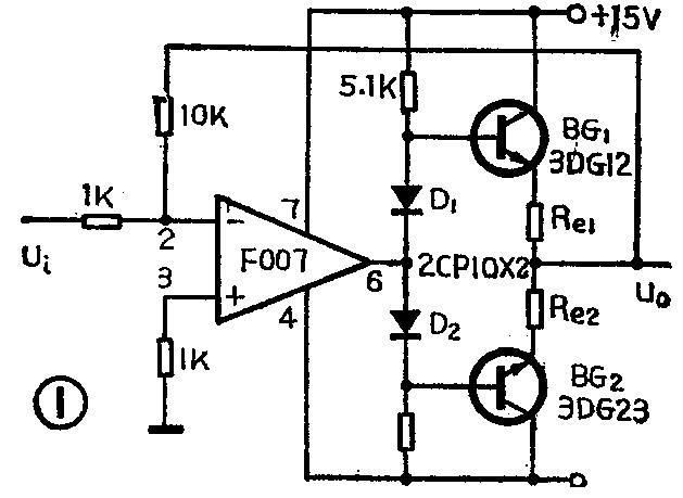
通常的集成运放最大输出电流I\(_{OM}\)一般为5~10mA。这在某些电路中(如扩音机电路中的输入级、音调控制级,集成运放万用表及电子温度计等),由于要求电路的输出电流很小,故集成运放完全能够满足使用要求。但也有些电路,要求其输出电流较大,这时集成运放本身的IOM已不能满足使用要求。如硬行使用,不仅会使其最大输出电压U\(_{OM}\)下降、输出波形畸变增大、开环放大倍数减小,甚至会损坏集成运放。解决这种矛盾的方法是在集成运放输出端加一电流扩展电路见图1。这是最常见的双向输出电路,它可使集成运放的输出电流扩展到 100mA以上。

在此电路中,二极管D\(_{1}\)、D2的作用是用以克服输出交越失真的。如果不加D\(_{1}\)、D2,那么BG\(_{1}\)、BG2的基极均接在集成运放的输出端,此时BG\(_{1}\)、BG2完全偏置在B类工作状态。当电路的输出电压U\(_{0}\)在零伏附近(约为±0.7V)时,BG1、BG\(_{2}\)均处于截止状态。因此输出波形将产生如图2所示的畸变。接上D1、D\(_{2}\)后,可使BG1、BG\(_{2}\)有一定的正向偏置,从而使其工作在AB类状态。这样当电路输出为零伏时,BG1、BG\(_{2}\)处于微微导通状态,交越失真就得到了改善。另外由于D1、D\(_{2}\)的温度系数与BG1、BG\(_{2}\)的Ube温度系数相近,因此还有补偿BG\(_{1}\)、BG2的U\(_{be}\)温度漂移的作用。

D\(_{1}\)、D2的存在虽提供了BG\(_{1}\)、BG2的正向偏置,但此偏置必须设置合理,即D\(_{1}\)、D2的正向压降不能过高也不能过低。过高将使BG\(_{1}\)、BG2的静态电流太大,以致使BG\(_{1}\)、BG2烧毁;过低则又不能很好地改善输出变越失真。增加R\(_{e1}\)、Re2后,由于它们的负反馈作用就能较好地解决这个问题。当D\(_{1}\)、D2和BG\(_{1}\)、BG2由于元件的离散性等原因使BG\(_{1}\)、BG2的电流增大时,R\(_{e}\)上的压降也会增大,从而使BG1、BG\(_{2}\)的be结压降减小,进而BG1、BG\(_{2}\)的电流减小。反之可使BG1、BG\(_{2}\)的电流增大。另外Re1、R\(_{e2}\)还在一定程度上起到保护BG1、BG\(_{2}\)因输出对地短路或负载过重而损坏的作用。Re1、R\(_{e2}\)的大小通常根据D1、D\(_{2}\)的压降和电路输出电流的大小而定,一般取10Ω~51Ω。
上述电路已广泛地用于要求集成运放输出电流在10~150mA的场合,如低频信号发生器,有源滤波器、精密双向输出可调电源及微电机中,特别是在许多控制系统中有着更广泛的应用。如要求电路有更大的电流输出,可按上述电路的设计原理再加一至二级射极跟随器即可满足要求。
只要对运算放大器的基本性质有一定的了解,再掌握扩展的基本方法,广大的无线电爱好者就可以根据自己的实际需要,灵活运用,解决问题。(郑南)