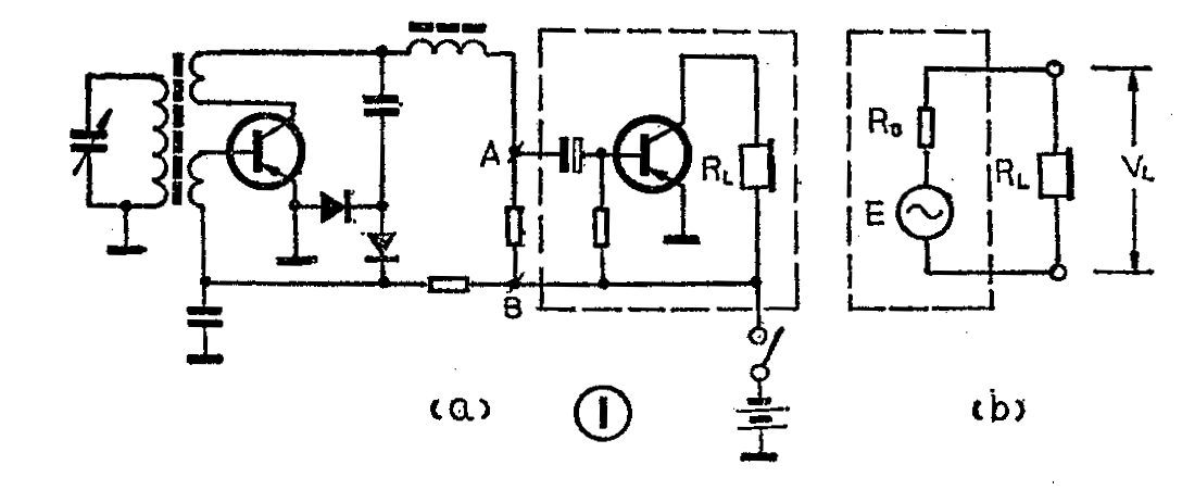
问:高阻抗输出的直放式收音机用低阻抗耳机收听时无声,但低阻抗输出用高阻抗耳机收听,为什么能听到声音?

答:典型的高阻输出直放式收音机电路如图①(a)所示,它的特点是耳机直接接在末级放大管的集电极回路中。这种集电极输出电路可以等效为一个高阻值的内阻R\(_{0}\)(约几十千欧)与一个具有一定电动势E的信号源相串联的电路,如图①(b)所示。
由等效图可知,如果耳机的阻抗R\(_{L}\)很小,那么绝大部分信号电压就会降落在内阻R0上,耳机上分到的信号就很微弱,这就是高阻输出电路用低阻耳机收听时无声的原因。

典型的低阻输出直放式收音机电路如图2所示,由于变压器的阻抗变换作用,可以把低阻值的耳机阻抗变换为高阻电阻接在集电极回路上,因此末级也能有较大的功率增益,使低阻耳机满意地收听。如果换用高阻耳机收听,那么它变换到集电极上的等效电阻R\(_{L}\)就更大了,功率增益可以更大,所以也能收听。只不过等效阻抗太大时,常易产生饱和失真,这时若把音量电位器关小一点,也可以听到不失真的声音。

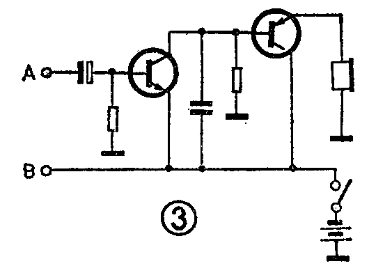
另一种低阻输出电路如图3,它的特点是耳机接在射极回路中。这种电路也可以等效为一个内阻R\(_{0}\)和电动势E串联的电路,只不过这时的内阻R0很小(约几十欧姆),所以即使耳机阻抗很小(8Ω),也能分到不小的信号电压,如果换用高阻耳机,那么分到的信号电压就更高,所以也能听到声音。 (韦宁答)