在超外差式收音机中,都有“变频”这个环节。所谓变频,就是把接收到的外来信号和本机振荡信号进行混频,从而得到频率较低的中频信号。变频的振荡信号,可以采用本机振荡器产生的基波(普通的变频方式),也可以采用其谐波(谐波变频方式)。而谐波的幅度比基波小得多,使变频增益降低。那么,为什么还要偏偏用谐波进行变频呢?通过下面的对比,便可以明白其中的道理。
在中波段,输入回路接收的频率范围是从535~1605KH\(_{Z}\),本机振荡的频率范围是从1000~2070KHZ。这里,本机振荡的最高频率是2070KH\(_{Z}\),接收的最高频率是1605KHZ,二者之比约1.3。可见,两个频率的差别较明显,或者说它们“离”得较远。这样,即便用一只晶体管同时进行本机振荡和混频,输入回路和本振回路间的牵制作用也很小(后详)。因此,在中波段采用普通的变频方式,电路也可以稳定地工作。
再看一下接收频率为6~18MH\(_{Z}\)的短波段。此时的本机振荡频率范围是从6.465~18.465MHZ,最高振荡频率与最高接收频率之比为18.465MH\(_{Z}\)/18MHZ≈1.02,即二者之比接近于1。由此可见,在短波情况下,虽然本机振荡频率与接收频率的差值也是465KH\(_{Z}\),但由于此时的频率较高,天线回路和本机振荡回路的谐振频率非常接近,若采用一只晶体管同时进行本机振荡和混频时,就会使输入回路和本机振荡回路互相牵制。即当调整输入回路参数时会影响本机振荡频率,或者手靠近天线回路时,本机振荡频率就发生变化;同样,当调整本机振荡回路参数时,也会使天线回路失谐。因此,不仅给调整带来困难,而且电路的稳定性也差。
为了克服上述的牵制现象,有的收音机在短波段采用了谐波变频电路。当接收6~18MH\(_{Z}\)的短波信号时,本机振荡的频率范围不是6.465MHZ~18.465MH\(_{Z}\),而是6.465MHZ/2~18.465MH\(_{Z}\)/2,利用该范围内各个频率的二次谐波(其频率范围恰好是6.465MHZ~18.465MH\(_{Z}\))进行变频。需要说明的是,如果回路参数定了,本机振荡频率也就确定了。基波、二次谐波和其他谐波是同时存在的,那么,为什么只有二次谐波能够进行变频呢?这是因为变频器的选频回路(图中BZ1)谐振于465KH\(_{Z}\),只有本机振荡频率的二次谐波和输入信号的差频才是这个频率,可以允许它通过,其他的差频、和频都不能通过。这样,由于减小了本振频率(基波),所以两个回路的谐振频率相差较大,相互间的牵制作用大大减小。正因为这种原因,本机振荡也可以增强一些,使二次谐波的幅度可以满足要求。

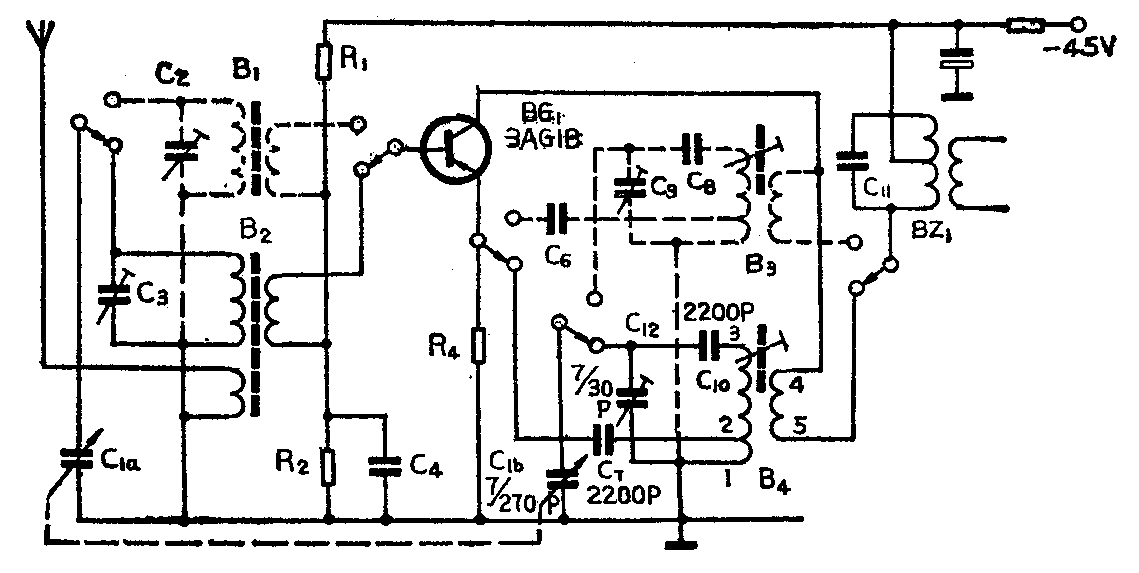
在电路形式上,谐波变频电路和普通变频电路完全一样,如图所示。二者的区别仅是短波振荡回路元件的取值不同,谐波变频电路的振荡线圈(B\(_{4}\)的1、3端间)圈数较多,电感量较大,故回路的谐振频率低。该图为春雷503型收音机的变频电路。实线画的是短波回路,振荡线圈B4的1~3端用φ0.18mm的QST型导线顺向平绕50圈,有芯电感量约22μH。它和垫整电容C\(_{1}\)0、振荡微调电容C12、振荡连可变电容C\(_{1b}\)配合,使回路谐振频率恰好为普通变频器本振频率的一半,故可实现谐波变频。
顺便指出,采用具有独立本机振荡的混频器,也能较好地克服短波的牵制现象。在要求较高的收音机中,往往采用双管变频而不用单管变频,这样可以大大减少两个回路的相互影响,提高变频电路的稳定性。(林萌森)