在屋里适当的地方摆几束塑料鲜花,能美化环境。本文介绍的彩色花灯,是在塑料花内装入一些彩色小灯泡,用一个电路去控制这些小灯泡闪闪发亮,于是塑料花显得更加鲜艳,给屋子里带来更浓郁的节日气氛。
电路简介

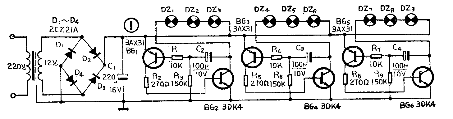
控制电路如图1,它包括电源和控制两部分。控制部分采用结构相同的互补管自激多谐振荡器组成的开关电路,分别去控制三组小灯泡。其优点是电路非常简单,容易制作。从表面上看,图中的三个电控开关是各自独立互不相干的,在导通与截止时间上;似乎是同步的,也就是说,三组彩色小灯泡似乎是同时点亮、同时截止,这样会给人一种死板的感觉;但实际上,由于电源部分仅采用了简单的整流滤波电路,没有采用稳压措施,因而输出直流电压随着负载的变化会有较大的波动。这样,通过电源电压的波动,导致了三个开关电路之间相互制约。再加上电路本身的随机因素(如相同规格的几个器件其内部特性不完全一致),就完成了三个开关电路在时间上按一定规律导通的功能,并且比采用双稳电路制作的花灯有更多的变化规律。在接通电源的瞬间,先是三组开关同时导通,而后就相互制约无规律地闪亮。
本电路需用一只输出12伏的电源变压器,采用全桥式整流。整流输出电压经C\(_{1}\)滤波后供控制电路部分。控制电路由三组相并联的互补管自激多谐振荡器构成。其特点是工作时两只管子同时导通、同时截止。因而耗电较省,带负载能力较强。

下面以第一组多谐电路为例,说明一下开关的工作过程。通电瞬间,电容器C\(_{2}\)两端的电压为零(相当于电容C2短路),电路等效为图2形式。假定BG\(_{1}\)、BG2 导通前均为理想截止,那么在BG\(_{2}\)导通前,A点对地电位为VA=R\(_{3}\)/R3+R\(_{L1}\)·EC(R\(_{L1}\)为DZ1~DZ\(_{3}\)三个灯的串联电阻。当电源EC与V\(_{A}\)之差,即RL两端电压大于0.2V时,BG\(_{1}\)导通。这时B点电位为VB=E\(_{C}\)-Vces1,很容易满足V\(_{be2}\)≥0.5V的条件。BG2很容易导通。因此,几乎在刚通电瞬间,两管就处于导通状态。随着时间的延长,C\(_{2}\)开始慢慢充电,充电路径见图3。充电结果,使BG1基极电位V\(_{b1}\)不断提高。Cbe1不断减小,当U\(_{beh}\)<0.2V时,BG1截止,这时I\(_{c1}\)很小。因Ib2=I\(_{c1}\),所以Ib2也很小,不足以推动BG\(_{2}\)使其导通,BG2也转入截止。

BG\(_{1}\)、BG2截止以后,C\(_{2}\)经R3、R\(_{L1}\)向电源放电。放电结果又导致Vb1下降,当V\(_{b1}\)下降到满足BG1导通条件时,BG\(_{1}\)又导通,接着导致BG2也导通,又重复原来的过程。
元件选择
整流二极管的整流电流应大于300mA。可选用2CZ21A,也可选用1N4001等;BG\(_{1}\)、BG3、BG\(_{5}\)的β值应大于60,穿透电流ICEO要小一些,否则如太大,会使电路工作一段时间后,停止在饱和状态而不再翻转;BG\(_{2}\)、BG4、BG\(_{6}\)要求β≥40,ICM≥300mA,P\(_{CM}\)≥500mW,可选用3DK3、3DK4、3DG12,DZ1、DZ\(_{2}\)DZ3可用三个6.3V、0.1A的微型电珠,串联在一起应用。其他DZ\(_{4}\)~DZ6以及DZ\(_{7}\)~DZ9也采用同样的电珠串联应用。所有电阻部采用1/8W碳膜电阻;变压器可选用市售初级22O伏、次级12伏成品变压器。如果自制,应采用舌宽12mm的铁心,叠后19mm,初级线圈用φ0.08mm漆包线,绕5060匝,次级用φ0.38mm漆包线,绕304匝。
安装与调试

图4为印刷板线路图。一般说来,只要元件选用得当,焊接正确,电路不需调试就能正常工作。下面仅着重说明一下改变小灯泡亮、熄时间的调整过程。
按图1电路所标R\(_{1}\)、R4、R\(_{7}\)和R3、R\(_{6}\)、R9数值装焊电阻,每一组电路的导通时间在1秒以上,截止时间约8秒。如果想缩短(或延长)熄灭时间,可减小(或加大)相应支路的R\(_{3}\)、R6、R\(_{9}\)阻值;如果想延长灯泡的点亮时间,可加大R1、R\(_{4}\)、R7的数值。具体办法是:用一只22K电位器与要改变的电阻(即R\(_{1}\)、R4或R\(_{7}\))相串联接入相应电路中,慢慢旋动电位器柄,逐渐增大电位器阻值,同时观察灯泡,调到灯泡临界不翻转(即阻值稍再增大,则所谓支路的灯泡会只有点亮一种状态)为止。焊下22K电位器并测量其阻值,然后用一只固定电阻(数值应为电位器阻值与原来的电阻阻值之和)换上,若嫌导通时间还不足,则可适当加大相应的C2、C\(_{3}\)或C4容量。注意,实际选择的电阻值比其临界值小些为宜,否则电路工作一段时间后,可能出现不翻转现象。

下面介绍一下小灯泡的安装方法:①选择三种颜色的塑料花一束(六朵,一种颜色的花选两只,中间要有花蕊),九只灯泡(要求是同规格的微型电珠)。②用φ0.18mm左右的高强度漆包线,剪成两段(长短视花朵的具体间距而定),两头各刮去4mm长的漆皮。③如图5所示,将每一根线的一端分别焊在一只小灯泡的两个锡点处。④拔下花枝上的塑料花,把灯泡上焊好的漆包线穿过花蕊孔心,待电珠底部挨着花蕊孔心的顶部时,再将花朵插回花枝上。⑤用万用表测量小灯泡两根引线的空头,它们之间的直流电阻应为10Ω左右。其它五朵花的安装方法与此办法同。⑥将剩下的三只电珠分别安在叶子的背面。⑦以两只花灯和一个安在叶背面的电珠为一组,串接起来。⑧分别测量各组灯泡的电阻值,每组的直流电阻应为30Ω左右。
组装好的印刷电路板可自行设法安装在一一个小盒子里,连接好12V电源线及与灯泡的连线,彩色花灯就制作成了。(金燕燕)