问:一台港产新华牌盒式录音机,功放集成电路TA7215P损坏,请介绍一下这种集成电路的情况,以便更换。



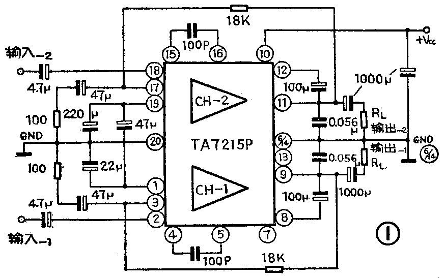
答:TA7215P是日本东芝公司生产的集成功率放大器,其特点是电源电压范围大,结构为双列直插20脚。供电电压V\(_{cc}\)为4.5~16V;最大供电电流为70mA;1KHz时输入阻抗为1.5KΩ;输出功率双声道为2.2W×2,BTL接法为5.5W;1W输出时总谐波失真为0.4%,闭环增益Gu为70dB。一般有两种使用方法,其一是双声道输出,接线见图1;其二是BTL接法见图2。TA7215的内电路见图3。 (张福英)