前两讲讲述了分立元件中频放大器和中频滤波器,本讲介绍作为中频放大器最后一个环节的限幅器和近年广泛采用的集成电路中频放大器。
一、限幅器的作用和意义
限幅器是调频接收机能对载波信号进行限幅的重要环节。在分立元件电路中,限幅作用一般是由末级中频放大器和比例鉴频器分别体现的,当输入载波信号强到相当程度时,末级中放之前的放大器也会进入限幅工作状态,但通常仅将末级中频放大器作为限幅器看待。

理想的限幅器应具有图1所示的传输特性。也就是要求输入电压U\(_{i}\)超过某个门限值时,限幅器输出电压U0保持不变,这个门限值习称为限幅器的限幅电平。然而,实际限幅器的传输特性多与理想情况有一定差异,一般当输入电压高过限幅电平后,限幅器的输出电压还会有一段缓慢上升,如图1中粗实线所示,这就使得限幅器的限幅电平不是在一个十分明确的拐点上。因此,将小于限幅器最大输出3dB(0.707倍)时对应的输入电压强度U\(_{L}\)定义为限幅电平(见图中标注的UL),这个值很容易测量。对采用分立元件的调频机,末级中放和比例鉴频器连用后,限幅电平约为100~300mV,该值以低为佳;对采用差分放大器作为基本电路的集成电路中频放大器来说,该值多可低至100mV。将该值除以末级中放之前各级电路的总电压增益之后,即是整机的限幅电平,或称限幅灵敏度;而将该值除以末级中放之前各级中放电压总增益即是中放的限幅电平。对业余制作来说,应该注意测量此值,以估计整机的性能,而对集成电路成品,该值多已在资料中提供。
限幅器本身的电路很简单,原理也不难理解,但从上面的介绍可知整机的限幅特性是由限幅器的限幅特性和前级总增益综合体现的。作为高保真广播接收工具的调频机,在抗干扰和音质等不少方面性能的优劣是和其自身的限幅特性有关的。例如,两部不同型号的调频收音机在同一地方收听同一电台广播,两者放音信噪比有差异,或音质有差异,细听时有一部谐波失真更小些,这些差异都可能和它们限幅特性的差异有关。因此,在未介绍限幅器电路之前,我们有必要从物理概念角度再谈谈调频机性能与其自身限幅特性的关系。
首先,限幅作用是决定调频机抗干扰能力优劣的重要因素之一。大家知道,对无线电接收的干扰可分为两类:一类是起伏干扰,主要成分包括机内噪声、外来有调制或无调制的射频干扰电磁波等;另一类是脉冲干扰,多属外来猝发性干扰,如汽车发动机点火放电、质量不佳的电动机电刷火花放电等所形成的电磁波干扰。两类干扰中起伏干扰是大量的、必有的,是影响各种无线电接收机灵敏度和输出信噪比的自然因素。这两类干扰都会经过外差机的变频作用,进入中频放大器。其中,机内噪声干扰,是由晶体管和电阻中的电子不规则热运动引起,频谱极宽,是一种振幅和相位都在不断变化着的随机干扰,既出现在高频系统,又出现在中频以后各级,高频系统的机内噪声也会经混频器的变频作用变为中频噪声(因为它们会被后级放大器逐级放大,是接收机内危害最大的噪声源),和中放产生的噪声叠加后一起被检波解调变成可闻音频噪声。而外来电磁波干扰,则根据其频率关系,经接收机高频和中频系统的选频作用后决定,它们能否到达检波解调级,例如空中各种无线电发射信号,只要它们的频率和接收机本振的谐波频率能差出接收机的中频频率,就会进入接收机中放。这两类干扰无论是调频还是调幅的,只要能进入中频系统就会成为干扰。在没有有用信号输入时,干扰的各个频率分量相互产生差拍作用,既相互调幅又相互调频,被检波后成为连续的咝咝声;当有用信号输入时,干扰的各个频率分量和有用信号差拍,形成对有用信号的寄生调幅和寄生调频。调频机和调幅机对这两种寄生成分的反应各不相同。
设进入中频的有用载波信号振幅为U\(_{c}\)、干扰振幅为Un,两者的频率差为f\(_{c}\)-fn。当U\(_{c}\)》Un时,两者相互作用对有用信号产生的寄生调幅电压调幅度为M=\(\frac{U}{_{n}}\)Uc,寄生调频的频偏为Δf=U\(_{n}\);Uc·(f\(_{c}\)-fn)。波形示意图如图2所示,为便于分析,图中仅用一正弦波代表干扰。

在调幅机中,检波器对寄生调频成分不起作用,无干扰输出,寄生调幅成分则被检波输出为音频干扰。由于机内噪声的厂谱性质形成了对有用载波信号的宽频带调制,即各个频率成分的干扰都对载波起调制作用,检波后,输出噪声电压(与有用信号输出电压的相对值)相对中频噪声与有用载波的频率差关系呈现为图3所示的矩形特性,这种特性称为矩形干扰频谱。

在调频机中,由于限幅作用,削弱或切除了寄生调幅干扰,送至鉴频解调级的合成波波形如图2所示,仅存寄生调频干扰。前面已经指出,寄生调频的频偏Δf=\(\frac{U}{_{n}}\)Uc(f\(_{c}\)-fn),因此,干扰频率与有用载波频率相同时,Δf=0,则寄生干扰不会被解调输出;两者频率相近时,Δf小;相差大时,Δf大,随之有相应大小的干扰输出。干扰频谱呈图3所示三角形形状。显然,噪声功率比调幅机小得多。这种特点使调频广播接收机的信噪比要比调幅机好17dB。注意,在此应强调的是,调频机的这种三角形干扰频谱特性,是在完全抑制了寄生调幅干扰(包括调幅噪声)的条件下得到的。对两部限幅灵敏度不同的调频机,当它们都工作在离电台较近的中强信号地区时,放音信噪比都很好,听不出差异。但将它们一起用于离电台较远的弱信号区时,放音信噪比就会出现明显差异,限幅灵敏度高的那部机子将表现出较高的信噪比,而另一部因还没有进入完全限幅状态,调幅噪声没有抑制干净,听起来背景噪声就会大一些。即使这两部整机测量30dB信噪比时的灵敏度相同,仅存在限幅灵敏度的不同,也会出现上述实际使用中的现象。由此可见限幅灵敏度的不可忽视。同时,上述分析也说明,进入中放的干扰,当频率与有用信号相问,而幅度比有用信号小,由干扰产生的寄生频偏为零,即干扰将被完全抑制,不产生干扰输出。这是调频机区别于调幅机的另一特点,称为抗同频干扰能力,这种能力的大小也与限幅性能有关。
其次,限幅作用会使中频通带展宽、限幅越深,通带展得越宽,这有利于整机谐波失真的降低和立体声分离度的提高,同时可显著降低整机调谐系统偏调对放音性能的影响。
综上分析,在广播信号较弱的地区,应注意选用限幅灵敏度较高的整机电路及限幅特性好的限幅器电路。对于采用比例鉴频器的整机,应注意调整比例鉴频器的次级回路,使寄生调幅最小。
二、限幅器电路
由图1可见,显然限幅特性是非线性的,要实现限幅作用需用非线性元件或电路。在调频收音机中常用的有三极管限幅器和附加二极管限幅器。

1.三极管限幅器:三极管限幅器的原理电路如图4(a)所示,它在形式上与放大器相同。这种电路能够实现限幅的机理有二:首先是晶体管的截止及饱和特性限制了放大器的动态范围,当输入信号大到一定程度时,被放大的信号正负峰值顶端进入晶体管输出特性的饱和区和截止区,输出信号变为削顶的波形,见图4(C)所示,成为限幅输出;其次从高频特性角度分析,当输入信号增大而使射极电流增大时,晶体管的基极——射极结电容C\(_{be}\)也随着增大,从而对高频信号的劳路作用也增大,且输入阻抗下降,对前级回路引入较大的损耗,结果使放大器的输出不能与输入成比例地增长。
选择适当的工作状态可以改善图4电路的限幅特性,当晶体管集电极电源E\(_{c}\)、基极偏流ib选择得较小,而负载回路谐振电阻R\(_{OL}\)选择得较大时,管子将易于饱和和截止,从而降低限幅器的限幅电平。图4(b)负载线1对应于Ec、i\(_{b}\)较大和ROL较小的情况:而负载线2则对应于E\(_{c}\)、ib较小和R\(_{OL}\)较大的情况。比较这两种情况,显然取负载线2时,晶体管更容易饱和与截止。为此,常用的限幅器负载回路,即后级鉴频器的初级回路,多采用较大的L/C比值,以提高回路的空载品质因数,从而提高回路的谐振电阻,一般回路电容多取为15~33pF;晶体管基极偏置电阻也往往取得略大,以降低基极偏流ib。
2.附加二极管限幅器:在前述三极管限幅器的基础上,再在限幅器负载谐振回路两端并联D\(_{1}\)、D2两个相互反接的二极管,可以进一步提高限幅特性,电路如图5所示。一般二极管的伏安特性约在0.3~0.6伏时变为正向导通,导通时电阻很小。当将两个二极管反向接于回路两端,虽然它们都处于零偏置的工作状态,但对高频交流信号而言它们却处于正负极性交替变化的信号离低电平两端,当晶体管输出信号电压的峰峰值超过二极管导通电压的二倍时,两个二极管将交替导通(交替导通的速率等于信号频率),将信号旁路,因此使输出电压被限制在此峰峰值之间,一般被限制在U\(_{p~p}\)=1V左右。

不过,在两个二极管特性不一致时,这种电路容易引起鉴频初级回路随信号大小而出现不同程度的失调。故实际采用不多,有时仅用一个二极管,也可改善限幅器的限幅特性。二极管宜选用高频特性好、导通电压低的管子,如2AP、2AK类。
另外,比例鉴频器也有一定的限幅作用,其原理和电路要点将在下一讲介绍。
三、集成电路中放和限幅器
近年调频机广泛采用集成电路中放,不但体积小,而且有增益高、限幅特性好、性能稳定等优点。这种集成块有将鉴频解调电路和中放做在同一单片上的,如D7640AP(TA7640AP)、ULN2204A等,也有不包括鉴频解调电路的,如μPC1018C、LA1201等。其中,中频放大器电路包括直接耦合放大器和差分放大器等基本电路。

图6为两种常用直接耦合放大器电路。这两种电路有通带宽、电路简单的优点,且级间耦合不用电容器,适合集成电路的制作。其中,图(a)电路第一级共射放大器的基极偏置电压来自于第二级共射放大器的发射极,形成交直流负反馈。这种接法虽会使放大器的总增益降低,但可提高宽带放大器的稳定性和改善高频特性。两级增益约为15~26dB(5~20倍)。如μPC1018C的第一级调频中放就是这种电路。图6(b)是共射共集级联电路,第一级共射级做电压放大用。第二级共集级做射极跟随器用,以便于和后级电路匹配耦合,两级增益约为20dB(10倍)。如LA1201的前级中放BP采用这种电路。
差分放大器是集成中放的基本电路,即使在μPC1018C这类早期的集成电路中,也采用差分放大器做为后级中放,以获得足够的增益和良好的限幅特性。而新型的集成调频中放,多已将放大电路全部采用差分放大器。如D7640AP采用6级差分放大器直接耦合组成中放和限幅器,ULN-2204A采用5级差分放大器。

图7所示为多级差分放大器直接耦合集成中放的局部电路,该电路每级差分放大器采用单端输入单端输出的电路形式,可等效看为共集共基级联放大器,单级放大器的电压增益为:A\(_{v}\)≈10I0αaZ\(_{c}\)
式中:I\(_{0}\)为两管射极共用电流,也称恒流源电流;α为共基极电流放大系数,一般α=0.9;Zc为共基极的集电极负载阻抗。
在集成电路中,I\(_{o}\)、Zc(集成电路内部多用电阻R\(_{c}\)做为负载)已由原始设计决定,故每级增益也是已设定的,一般单级增益约为15~20dB。

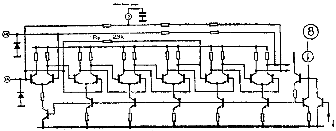
图8所示为双端输出差分放大器多级直接耦合电路。该图为D7640AP调频中放部分的等效电路。单级差放的增益约为15dB,电阻R\(_{F}\)跨接于四中放的输出与二中放的输入之间起负反馈作用,以提高级联放大器的稳定性。该六级差放的总增益约达80dB。

图7、图8所示的差分放大器都具有良好的限幅特性。由于差分放大器的两个管子共用恒流源电流,两管集电极电流交替在“你大我小”的差分状态下工作。因此,当输入信号大到使一只管饱和时,另一只管必是截止。这种作用是受差分放大器电流分配限制作用引起的,故也称为限流式限幅器,理论计算表明,这种差分放大器的限幅电平为104mV,并呈图9所示的传输特性,该特性比单管限幅器特性好,较接近图1理想限幅特性,被称为双向硬限幅特性。(高迺康)