普通的双声道立体声扩音能使听者产生方向感和深度感,重放质量比单声道扩音明显提高。但双声道立体声的立体感只局限于听众前面几十度角的一个小范围内,不能把声象扩展到聆听者四周,尤其是后方的环境混响声无法被听者感受,为此四声道立体声便逐渐发展起来。家用四声道立体声系统多把四组扬声器安放在听音室的左前、左后、右前、右后四个位置,如图1。由于增加了后方两个声道,各种临场效果得到较真实的再现。

但是,完全的四声道(即4—4—4)系统从录音开始,整个录制、传输、重放过程都要用各自独立的四个声道,所需设备复杂、昂贵,不易普及。那么,能否用适当的方法,从普通双声道立体声节目中分离出所包含的临场环境信息,变换成四声道立体声呢?回答是肯定的。本文介绍一种把双声道节目变成仿真四声道(即2—2—4)的立体声扩音机,适合业余爱好者装制。
原理简述
众所周知,在普通双声道立体声重放中,如果左(L)、右(R)两声道间互相引入少量反相串音,得到
L'=L-βR
R'=R-βL(0<β<1)
会使听者感到声象群展宽了,这就是常见的双声道立体声展宽原理。反之,如果在左、右两声道间互相引入少量同相串音,得到
L″=L+αR
R″=R+αL(0<α<1)
则会产生声象群压缩的感觉。如果把分别输出L″、R″、L'、R'信号的扬声器组象图2那样排成一行放在聆听者前方,会使听者感到声象排列较单独用L'、R'时窄,而较单独用L″、R″时宽。调整这四组扬声器的位置或者改变它们间的相对声级,都可以改变声象群的展开程度。

如果再按图2箭头所指方向,把上述四个扬声器移到聆听者的周围作方形排列,分别成为L\(_{F}\)、RF、L\(_{B}\)和RB,将会使听者感到声象群环绕在自己的四周,仿真四声道立体声便可得到。此时L\(_{F}\)(左前)、RF(右前)、L\(_{B}\)(左后)、RB(右后)这四个信号与原信号L、R的关系,将如下式所示:
LF=L″=L+αR
RF=R″=R+αL
LB=L'=L-βR
RB=R'=R-βL

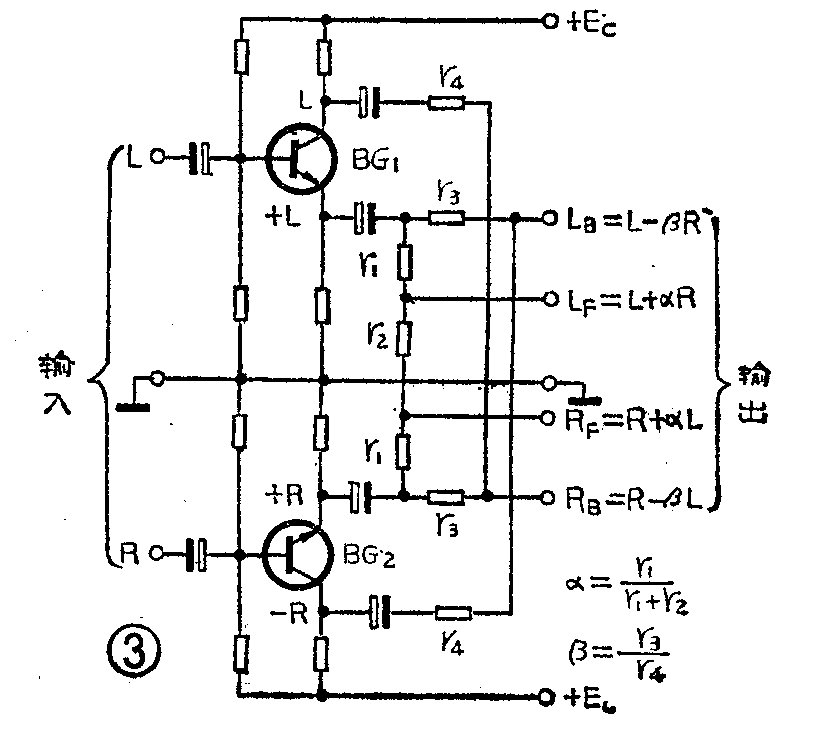
如把上式改写成矩阵式(式子略),α、β就是矩阵系数。在实际应用中,上述四个输出信号可以让双声道信号通过一个矩阵电路来得到,见图3。图中左信号L和右信号R分别从BG\(_{1}\)、BG2的基极输入,当BG\(_{1}\)、BG2的发射极电阻与集电极负载电阻大致相等时,BG\(_{1}\)的发射极输出是+L,集电极输出是-L;BG2的发射极输出是+R,集电极输出是-R。r\(_{2}\)是前方信号混合电阻,通过它使前方两个声道信号互相引入同相串音。由图可见,+L、+R信号经r1、r\(_{2}\)的分压,使左前输出为
L\(_{F}\)=r1+r\(_{2}\)2r1+r\(_{2}\)L+r1;2r\(_{1}\)+r2R
=\(\frac{r}{_{1}}\)+r22r\(_{1}\)+r2(L+r\(_{1}\);r1+r\(_{2}\)R)=KF(L+αR)
式中的K\(_{F}\)是信号的幅值系数,α是左、右信号的混合系数。如果只考虑LF跟L、R的关系,则L\(_{F}\)便是L+αR。同理,右前输出RF=K\(_{F}\)(R+αL)便是R+αL。
再看看后方信号的情况:左后信号L\(_{B}\)是信号+L(通过r3)与信号-R(通过r\(_{4}\))混合的结果,因而
L\(_{B}\)=r4r\(_{3}\)+r4L-r\(_{3}\);r3+r\(_{4}\)R
=\(\frac{r}{_{4}}\)r3+r\(_{4}\)(L-r3;r\(_{4}\)R)=KB(L-βR)
式中的K\(_{B}\)是幅值系数,β是混合系数。只考虑LB跟L、R的关系时,L\(_{B}\)便是L-βR。同理,RB=KB(R-βL)便是R-βL。
实际应用时,为了照顾四个声道输出的对称性,可令α=β,其值常取0.3~0.5之间(用于双声道立体声展宽时不会超过0.24)。
作为后方信号的L\(_{B}\)、RB是原信号L、R以适当比例相减的结果。因实际节目的L、R信号内容常相当接近,它们相减后将留下环境混响声,即把原先包含在左、右声道里的环境信息分离出来,在后方重现环境气氛,以增强临场感。为了减轻L\(_{B}\)、RB在声场中的反相干扰,并加深自然感,通常在矩阵电路的后面还要加进一个相移电路,对L\(_{B}\)、RB信号分别作不同的移相处理。
矩阵电路

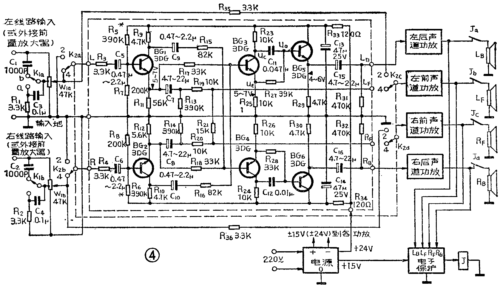
图4是本机各部分的连接示意图,虚线框内便是把双声道变成仿真四声道的矩阵及移相电路。BG\(_{1}\)、BG2和有关R、C元件组成矩阵,对照图3可看出,R\(_{19}\)、R20、R\(_{21}\)是前方信号混合电路,r1=R\(_{19}\)=R20= 10K,r\(_{2}\)=R21=15K,所以α=\(\frac{10K}{10K+15K}\)=0.4。后方信号的混合电路由R\(_{15}\)、R16、R\(_{17}\)、R18等元件组成,r\(_{2}\)=R17=R\(_{18}\)=33K,r4=R\(_{15}\)=R16=82K,β=33K/82K≈0.4。前方信号经过混合后便得出L\(_{F}\)和RF信号,直接输出。后方信号L\(_{B}\)、RB则还要分别经BG\(_{3}\)、BG4移相和BG\(_{5}\)、BG6射极输出器作阻抗变换后,才送往功放电路去。

移相电路的原理如下:以L\(_{B}\)通路为例,信号从BG3基极输入,并在BG\(_{3}\)的发射极和集电极分别输出。由于R23=R\(_{25}\),所以其发射极输出信号电压ue跟集电极输出信号电压u\(_{c}\)的幅值相等,但相位相差180°,即ue与输入电压同相,u\(_{c}\)与输入电压反相。C11、R\(_{27}\)把uc、u\(_{e}\)混合在一起,成为uo。当频率很低时,C\(_{11}\)的阻抗很大,输出信号主要从R27通过,u\(_{o}\)≈ue,没有相移;而当频率很高时,C\(_{11}\)的阻抗很小,输出信号主要从C11通过,u\(_{o}\)≈uc,相移接近180°。显然,这中间必有一个频率,其相移为90°,该频率f=\(\frac{1}{2πC}\)\(_{11}\)R27,本例为86.8赫,即左方前、后声道间在86.8赫附近有90°的相位差。右方情况也类似,但移相元件(C\(_{12}\)、R28)的值跟左声道不同,所以相移为90°的频率在482赫附近。图5绘出了各声道的相位特性曲线,可见后方两声道间在290赫附近还存在90°的相位差。把这些关系在重放声场中表示出米,便是图6。信号经过上述相位处理后,重放声音的活泼感和自然感便增强了。

功放电路

本机功率放大器共4个,其性能应满足高保真扩音机的要求,输入灵敏度为100毫伏左右。为了使各声道功放的相位、频率特性基本一致,这四个功率放大器最好采用同一种电路。例如用全互补输出的OTL电路(见本刊1984年第2期“适合业余制作的立体声扩音机”)就很合适。本文再介绍一种采用新器件的10瓦OCL电路,见图7。该电路的特点是:采用恒流二极管作差动放大级和激励级的负载,并用达灵顿复合晶体管作全互补对称输出。恒流二极管的电路符号和伏安特性如图8所示。在工作区内,通过恒流管的电流I\(_{D}\)不随所加电压UD的变化而改变,因而具有很高的交流内阻。用恒流管D\(_{H1}\)来取代差动放大晶体管BG7、BG\(_{8}\)的发射极电阻,可大大提高OCL电路的稳定性,DH1的工作电流为1毫安,耐压20伏。工作电流为3毫安的D\(_{H2}\)是激励级BG9的集电极负载,由于D\(_{H2}\)具有恒流作用,所以本机激励级无须采用常见的自举电路,从而克服了“自举”带来的瞬态特性变劣等弊病,保真度更高。互补对称的达灵顿复合管BG11、BG\(_{12}\)作全互补功率输出。BG10是输出级的恒压偏置晶体管,调节W\(_{3}\)可改变BG11、BG\(_{12}\)的静态工作电流,该电流的正常值约10毫安。有关达灵顿复合管的内部结构和性能,可参看本刊1984年第2期“适合业余制作的立体声扩音机”一文。

由于有了D\(_{H1}\)、DH2恒流,该电路的工作点很稳定,对供电电压的变化有良好的适应性。例如,当需要把该电路的输出功率提高到20瓦时,只需把电源电压从±15伏升高到±24伏就行,无需改变电路元件值。当然,电源电压升高后,各元器件的耐压、承受功率等也要适应才行(如图7中括弧内的标注)。买不到恒流二极管时,可用I\(_{DSS}\)相当的结型场效应管,把栅极和源极短接后代替,并注意该场效应管的击穿电压要满足电路要求。此外,也可用图9所示的晶体管恒流电路代替恒流二极管,改变R48、R\(_{49}\)的阻值,便能分别调整差动放大级和激励级的工作电流。由于50伏以上的高耐压恒流管或场效应管较少,所以图9电路对输出功率在20瓦以上的扩音机更适用。

图7所示的各路功放电路输入端接有微调电位器W\(_{2}\),调整W2便可改变各路功率放大器的音量,使四个声道达到平衡。
这种功放电路具有电路简单、工作稳定、性能优良、对电压的适应性好等优点。其主要指标如下:输出功率10瓦或20瓦(8Ω负载),频响20~20000赫±3分贝,谐波失真不大于0.5%。用这种电路来制作功率接续器也很合适。
其他电路
本扩音机的输入端接有等响度控制器(见图4),它由带抽头的双连同轴电位器W\(_{1}\)及有关元件组成。W1的阻值变化特性为指数型,抽头位置在旋转角度的50%,即在总阻值的18%附近。K\(_{1}\)是响度补偿开关,该开关置于a时,C1、C\(_{2}\)、C3、C\(_{4}\)不起作用,W1变成普通的音量电位器,没有响度补偿功能,适合大音量时使用。如把K\(_{1}\)置于b,上述补偿元件便接入电路。以左声道为例,当音量较小时,W1的滑臂在抽头位置以下,C\(_{3}\)、R1串联支路与W\(_{1a}\)的下半部相并联,中、高频信号的衰减大于低频信号的衰减,即相对提升了低音;而C1与W\(_{1a}\)的上半部并联,高频信号能较顺利地通过,即提升了高音。这样,从电位器滑臂取出的音频信号便获得了响度补偿。
开关K\(_{2}\)作2——4声道的转换。只用前方两个声道扩音时,响度控制器输出的双声道信号直接送去前方左、右声道功率放大器,矩阵电路无信号输入,后方两个功率放大器亦无输出。调整信号衰减电阻R35、R\(_{36}\)的阻值,可使此时的音量跟四声道扩音时相同。

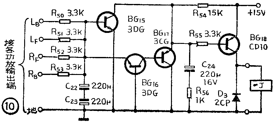
为了防止OCL功放电路出现故障时损坏扬声器,本机加设了扬声器电子保护电路,见图10。只要任一组扬声器的两端出现绝对值大于2伏的直流电压,BG\(_{15}\)或BG16、BG\(_{17}\)便导通,随之BG18也导通,继电器J得电吸合,其常闭触点(J\(_{a}\)~Jd)跳开,四组扬声器均脱离电路,得到保护。另外,在开机时,由于电源对C\(_{24}\)充电需要时间,其充电过程会使BG18导通几秒钟,让扬声器暂时脱离电路,开机时的浪涌冲击电流便不致进入扬声器。这种保护电路的工作原理已在《几种扬声器保护电路》一文作过介绍,见本刊1980年第9期。

图11是本机电源电路。它提供三组电源:±15伏(或±24伏)功放电源;+21~+25伏矩阵电路电源和+15伏保护电路电源。由于本机功放电路的总输出功率较大,为了防止功放电路的大电流经电源给矩阵及前置放大电路带来有害耦合,本机矩阵电路由简单的串联稳压电源供电。BG\(_{19}\)是串联调整管,输出电压约为DW的稳定电压减去0.7伏,在21~25伏之间都行。该稳压电源还可向外附的前置放大器供电。为了在功放电源出现故障时扬声器保护电路仍能正常工作,本机保护电路的直流电源从上述矩阵电源的交流绕组中心抽头取得,输出电压约15伏,可配用12伏左右的继电器。该电源借用了D\(_{4}\)、D7作全波整流,以节省整流元件。(待续)(李应楷)